Расположение и электросхема
В автомобиле Ниссан Альмера классик n16 находится несколько блоков предохранителей, отвечающих за функционирование электрического оборудования. Один из них расположен в салоне авто, о другие два — в моторном отсеке. На лицевой стороне БП, находящемся в салоне транспортного средства, установлено несколько плавких предохранителей (далее — ПП) и реле. С другой стороны устройства находится еще три основных реле.
В моторном отсеке находятся два БП. В одном из них расположены реле, а в другом — только плавкие устройства. Ниже представлены схемы всех трех блоков, а также описание предохранителей в них.
БП в салоне
За что же отвечают эти элементы? Ниже приведена таблица с обозначением каждого ПП.

Таблица обозначения каждой детали блока, расположенного в салоне авто
Также вы могли заметить несколько реле, предназначение которых не описано в таблице. Их следует выделить отдельно, так как реле предназначены для более мощных потребителей напряжения.
| Номер | Предназначение |
| R1 | Этот компонент обеспечивает работоспособность ламп фар головного света, то есть оно отвечает как за ближний, так и за дальний свет. |
| R2 | Второй по номеру компонент обеспечивает функционирование дроссельной заслонки. При его выходе из строя работа авто будет некорректной или невозможной. |
| R3 | Отвечает за функционирование электрических стеклоподъемников. |
| R4 | Обеспечивает работоспособность ламп задних противотуманных огней. |
Что касается устройства под номером 22, отвечающего за работоспособность прикуривателя. В моделях Ниссан Альмера классик n16 выход из строя прикуривателя является часто встречаемой проблемой. Ее даже можно назвать болезнью, поскольку с этой неисправностью сталкиваются многие автомобилисты.
Если вы заметили, что прикуриватель не работает, то для начала проверьте работоспособность предохранителя. Возможно, проблема заключается именно в нем. Однако, многие автовладельцы эксплуатируют свой прикуриватель в качестве источника питания для различных потребителей электроэнергии. В частности, это могут быть видео-регистраторы, специальные освежители воздуха, DVD-проигрыватели и ноутбуки.
Разумеется, даже с преобразователем напряжения прикуриватель просто не в состоянии справиться с такой задачей. Так что если из строя вышел именно ПП, то можете считать, что вам повезло. В противном случае вам придется менять прикуриватель, еще хуже, если из-за этого перегорит сам монтажный блок.
Как вы помните, в начале статьи мы упомянули о том, что с обратной стороны БП, который находится в салоне авто, также есть несколько реле. Если блок полностью демонтировать, то реле будут выглядеть примерно так, как показано на фото.

Три реле, расположенные с обратной стороны монтажного БП в салоне авто
| Номер | Предназначение |
| R1 | Обеспечивает функционирование катушки зажигания. При выходе его из строя старт мотора будет невозможен. |
| R2 | Отвечает за работу нагнетателя двигателя. |
| R3 | Это устройство обеспечивает работу дополнительных питателей напряжения, то есть, по сути, всех электроаксессуаров. |
БП в моторном отсеке
Сначала рассмотрим схему и описание БП с плавкими устройствами, который находится в моторном отсеке между аккумулятором и двигателем.
Общая схема электропитания
Первым делом стоит сразу же оговориться, что общая электрическая схема Ниссан Альмера N16, Classic и G15 примерно одинаковая. Дело все в том, что на ней показаны лишь связи между оборудованием и источниками подачи энергии, в то время как распределение проводов по деталям машины может несколько различаться. Выглядит схема устройства электропитания следующим образом:
Центральное место на ней занимает аккумуляторная батарея. К ней подключается все остальное оборудование. Больше всего проводов идет к разного рода выключателям, отвечающим за работу той или иной детали. Кроме того, в общую схему входят реле, которые распределяют энергию к дополнительному оборудованию. Цепочка электропроводки замкнутая, поэтому, как правило, при повреждении или появлении неисправностей в одной из частей проблемы испытывает вся система.
Как уже говорилось выше, важную роль в устройстве электропитания Nissan Almera играют выключатели, которые отвечают за работу такого оборудования, как стеклоподъемники (в т. ч. люка крыши), зажигание, приборы передней панели, противотуманки и освещение. Кроме того, существует основное и дополнительное реле для иных деталей, которые могут быть подключены к общей системе опционально. Каждая из перечисленных систем подключается к аккумулятору по-разному, поэтому и сложность ремонта той или иной детали может различаться.
Наиболее запутана проводка в районе расположения выключателей стеклоподъемников, стартера, зажигания и плюсовых контактов к форсункам. Сложность их замены в том, что они защищены предохранителями, которые предварительно нужно отсоединить от сети, прежде чем приступать к работе с другими проводами. Остальные элементы соединены между собой параллельно и соединены единым выходом, поэтому для их починки не потребуется каких-либо сложных манипуляций.
Предохранители и реле Nissan Almera II (N16; 2000-2006) — Предохранители
В этой статье мы рассмотрим Nissan Almera второго поколения (N16), выпускаемый с 2000 по 2006 год. Здесь вы найдете схемы блока предохранителей Nissan Almera II 2000, 2001, 2002, 2003, 2004, 2005 и 2006 , получите информацию о расположение панелей предохранителей внутри автомобиля, а также узнайте о назначении каждого предохранителя (расположение предохранителей) и реле.
Блок предохранителей расположен на левой стороне приборной панели, за отделением для хранения.
Назначение предохранителей и реле в салоне
№ ампер Составная часть
| 1 | 10А | Зеркала |
| 2 | 10А | Стоп-сигналы |
| 3 | 15А | Разъем |
| 4 | 7,5A | Для дополнительного электронного оборудования |
| 5 | 15А | Сигнализация и индикаторы |
| 6 | 10А | Дополнительное электрооборудование |
| 7 | 20А | Обогрев заднего стекла |
| 8 | 10А | Датчик кислорода |
| 9 | 10А | Дополнительное электронное оборудование |
| 10 | 10А | Электронное оборудование |
| 11 | 10А | Автоматическая коробка передач |
| 12 | 10А | ЭБУ (поворотники, подсветка и основное питание панели приборов, подсветка панели) |
| 13 | 10А | Внутренняя лампа |
| 14 | 15А | Вентилятор салона (обогреватель / кондиционер) |
| 15 | 10А | Кондиционер |
| 16 | 15А | Вентилятор (обогреватель / кондиционер) |
| 17 | 10А | Система впрыска топлива |
| 18 | 10А | подушки безопасности |
| 19 | 20А | Дополнительное электрооборудование |
| 20 | 10А | Модуль двигателя |
| 21 | 10А | Сигнал запуска |
| 22 | 15А | Зажигалка |
| 23 | – | Не используется |
| 24 | 20А | Дополнительное электрооборудование |
| 25 | 20А | Дворники |
| 26 | 7,5A | Дополнительное электрооборудование |
| 27 | 15А | Омыватель переднего и / или заднего стекла (на выключателе) |
| 28 | 15А | Омыватель заднего стекла |
| 29 | 15А | Топливный насос |
| 30 | 10А | Спидометр, тахометр, указатели температуры и уровня топлива |
| 31 | 10А | ABS |
| 32 | 10А | резерв |
| 33 | 15А | резерв |
| 34 | 20А | резерв |
| Реле передней стороны | ||
| R1 | Реле фар | |
| R2 | Реле управления дроссельной заслонкой | |
| R3 | Реле стеклоподъемников | |
| R4 | Реле задних противотуманных фонарей | |
| Заднее боковое реле | ||
| R1 | Реле зажигания | |
| R2 | Реле нагнетателя | |
| R3 | Реле дополнительного оборудования (электрические аксессуары) |
Распределение предохранителей в блоке предохранителей моторного отсека
№ ампер Составная часть
| A | 100A | Генератор (зарядка аккумулятора) |
| В | 40А | Электрические стеклоподъемники |
| С | 40А | Вентиляторы охлаждения |
| D | 40А | Вентиляторы охлаждения |
| Е | 30А | Для дизельных двигателей |
| F | 60А | Для дизельных двигателей |
| грамм | 80А | Для дизельных двигателей |
| ЧАС | 80А | Главный источник питания, цепь заземления |
| я | 50А | ABS |
| J | 30А | К аккумулятору зажигания |
| К | 30А | ABS / ESP |
| L | 30А | ESP |
| M | 30А | Омыватель фар |
| 32 | 20А | Омыватель заднего стекла |
| 33 | 15А | Противотуманные огни |
| 34 | 15А | Электропривод и реле привода дроссельной заслонки |
| 35 | 15А | Фары дневного света |
| 36 | 15А | Фары дневного света |
| 37 | 10А | Задний противотуманный фонарь |
| 38 | 10А | Габаритные огни, освещение номерного знака |
| 39 | 10А | Звуковой сигнал, зарядка аккумулятора |
| 40 | 15А | Аудио, навигация, ЖК-дисплей |
| 41 | 10А | Система управления двигателем |
| 42 | 10А | Катушка зажигания |
| 43 | 15А | Не используется |
| 44 | 10А | Не используется |
Блок реле
№ Реле
| R1 | Реле 3 охлаждающего вентилятора (25221E) |
| R2 | Передние противотуманные фонари (25224QA) |
| R3 | Реле кондиционера E6 (25224D) |
| R4 | Рожковое реле (25620) |
| R5 | Реле вентилятора охлаждения (25224J) |
| R6 | Свет (25224А) |
| R7 | Стартер (25224G) |
Вам также может понравиться
Реле Ниссан Примера Где Находятся
Nissan Primera
выпускался в 3 поколениях с кузовами автомобиль, универсал и лифтбэк. 1-ое поколение — p10, выполнялось в 1990, 1991, 1992, 1993, 1994, 1995 годах. 2-ое — p11, в 1996, 1997, 1998, 1999, 2000 годах.
Третье — p12, в 2001, 2002, 2003, 2004, 2005, 2006 и 2007 годах. Мы представим информацию с описанием блоков предохранителей и реле ниссан примера p11 и p12 (2 и 3 поколения), их фото, схемы и предназначение частей.
Раздельно отметим предохранители прикуривателя.
Схема размещение электрических блоков, предохранителей и реле
- блок предохранителей;
- реле-прерыватель;
- выключатель стоп-сигналов;
- щиток устройств;
- реле динамиков;
- реле омывателя фар;
- реле динамиков;
- противоугонная система (иммобилайзер);
- корректор фар;
- реле кодового фонаря;
- блок управления подушками безопасности;
- блок управления Коробка автомат;
- блок управления движком;
- реле кондюка;
- реле топливного насоса;
- реле противотуманок;
- реле электростеклоподъемников;
- реле обогревателя заднего стекла;
- кронштейн блока предохранителей;
- реле охранной сигнализации;
- реле-прерыватель;
- реле бухгалтерской системы зажигания;
- реле-прерыватель;
- реле вентилятора обдува салона
С верхней части вниз, с лева на права.
- Мотор вентилятора
- Кондюк
- Приборная панель
- INJ (Система впрыска)
- Электрические составляющие/ лампа салона
- Мотор вентилятора
- Сигналы поворота
- Топливный насос
- Подушки безопасности
- Датчик кислорода и холостого хода
- Датчик скорости
- Размораживатель стекла заднего (при наличии)
- Электрические составляющие приборной панели
- Прикуриватель
- Абс
- Сигнал стартера
- Задняя щетка
- Противотуманки
- Зеркала
- Стоп сигналы
- Щетки
- Дополнительная розетка
- Аудиосистема
- Управление Коробка автомат
- Аварийная сигнализации
Назначение реле в монтажном блоке ниссан альмера классик
- За прикуриватель отвечает предохранитель 3-й сверху предохранитель средняя ряду на 15А.
- Таблица — схема
- Таблица с обозначением
За прикуриватель отвечает предохранитель 2-ой по счету предохранитель в верхнем ряду на 15А. На рисунке обведен красноватым.
- блок предохранителей под капотом;
- блок управления Абс;
- блок реле;
- электродвигатель очислителя ветрового стекла;
- реле подготовительного разогрева для автомобилей с дизельным движком;
- реле левой фары;
- реле звукового сигнала;
- реле вентилятора обдува радиатора;
- реле блока управления движком;
- реле вспомогательного оборудования;
- реле 1 вентилятора обдува радиатора;
- реле 4.5 вентилятора обдува радиатора;
- реле нейтральной передачи;
- реле кондюка;
- реле очистителя заднего стекла;
- реле правой фары;
- реле очистителя ветрового стекла
Пример фото блока с реле.
Количество частей и их предназначение может отличаться, от представленного. Животрепещущая расшифровка будет нанесена на крышку.
Фото — схема
Фото — схема
Лёха & предохранители и реле в Mitsubishi Carisma
Перевод обозначений на российский
- hazard — аварийная сигнализация
- horn — сигнал звука
- alt s — сигнал возбуждения обмотки генератора
- tail — задние габариты
- абс sol — соленоид abs
- ign sw — вкл. зажигания
- абс mtr — мотор abs
- battery — аккумулятор
- h/lamp rh — правая фара
- h/lamp lh — левая фара
- audio — магнитола
- eng cont — блок управления движком
- ign coil — катушка зажигания
- throt motor — привод дроссельной заслонки
- inj — что-то про инжектор
- hid rh — ксенон правый
- hid lh — ксенон левый
- rr defog — задние противотуманки
- rad fan 1,3.5,3 — пропеллер радиатора 1,2.4,3
- main — основной пред хз куда
- power window — эл. стеклоподъёмники
Находится в панели устройств за защитной крышкой, на оборотной стороне занят будет нанесена животрепещущая схема с расшифровкой частей.
Nissan almera n16 схема электрооборудования: свежак музыки 2012
Руководство по ремонту схема электрооборудования ниссан альмера n16 эксплуатации автомобилей Nissan Almera с года. Выпуск Диагностика, заправка и ремонт автокондиционера Nissan…. Схема расположения электрических блоков в Nissan Almera N Материал из Nissanoteka. Перейти к: Полный отчет тут Инструкция по ремонту nissan almera. Схема Nissan almera N16 электрооборудования.
Коды ошибок Ниссан Альмера Н16 — схемы электрооборудования. Схемы проводки Схема электрооборудования nissan almera. Схемы электрооборудования Nissan Sunny с по …. Отвечают они преимущественно за механизмы силового агрегата.
Электросхема Nissan Almera
Именно поэтому основное внимание уделяется предохранителям, расположенным в салоне. В каком количестве находятся в монтажном блоке предохранители в салоне: Nissan Almera N16 — 34 элемента, G15 — 39, в Classic — На каждую цепь электрооборудования есть своя защитная деталь
Они устанавливаются на бензонасос, на форсунки, на противотуманки, на прикуриватель и так далее
Важно знать, что в оригинале все предохранители имеют заданную силу тока, которая схема электрооборудования ниссан альмера n16 в амперах. N16 — Цепь зарядки аккумуляторной батареи: А — автомобили с бензиновым двигателем; Б — автомобили с дизельным двигателем; 1 — генератор; 2 — монтажный блок в салоне автомобиля; 3 — контрольная лампа зарядки аккумуляторной батареи; 4 — контактный разъем основного жгута проводов; 5 — монтажный блок в моторном отсеке Схема 3
Схемы электропроводки Nissan Primera.
Схемы представлены в формате JPEG. Представляют собой фотографии из книги-руководства по ремонту. Качество нормальное (кликаем пример на рисунке), всё видно и читаемо. Цветные. Заархивированы в архив RAR 26,35 Mb.
- Ключ к символам на схемах.*
- Цепь электропитания.*
- Система пуска.*
- Система зарядки, система зажигания, контрольные лампы и приборы.*
- Система распределенного впрыска топлива -двигатель 1,6 л.*
- Система распределенного впрыска топлива — двигатель 2.0 л.*
- Система управления автоматической трансмиссией и система антиблокировки тормозов (ABS).*
- Наружное освещение.*
- Наружное освещение_продолжение_ и внутреннее освещение.*
- Система очиститслей-омывателей стекол и фар, звуковой сигнал, зажигалка и обогреватель заднего стекла.*
- Нагнетатель отопителя, зеркала с электроприводом, люк и аудиосистема.*
- Центральный замок и электрические стеклоподъемники.*
Схемы распиновок магнитол различных моделей ниссан
- X-Trail;
- Qashqai;
- Micra;
- Almera;
- Almera Classic;
- Patrol;
- Tiida;
- Terrano;
- Murano;
- Primera;
- Pathfinder;
- Note;
- Juke;
- Teana;
- Maxima;
- March;
- Serena;
- Sunny;
- Cube;
- И других магнитол моделей марки Nissan;
Сначала рассмотрим цветовое обозначение проводов акустики в автомобилях Ниссан, это необходимо нам для того, чтобы мы поняли саму схему распиновки магнитолы. Иначе, велик шанс что-нибудь воткнуть не туда.
Распиновка стандартного разъёма магнитолы. Цветовая маркировка проводов Nissan
Блок на схеме представлен стандартный, Ниссановский, если узнали в нем свою фишку для подключения магнитолы, можете смело приступать. Подключение магнитол моделей, указанных в списке выше, рассмотрим далее.
Nissan Almera Classsic 2006 Год (Проблема Решена)
Пользователи
21 сообщений
- Город: Кривой Рог
- Пол: Мужчина
- Наверх
- Ник или цитата
#2 resetter
APC-Пользователи
1583 сообщений
- Город: Кореновск
- Пол: Мужчина
Сообщение отредактировал resetter: 29 September 2013 — 20:44
Чип-тюнинг: наше и иномарок. +7918-024895девять
- Наверх
- Ник или цитата
#3 zanovo
APC-Пользователи
761 сообщений
- Город: Калуга
- Пол: Мужчина
Прикрепленные файлы
-
сканирование0022.jpg324.35К 323 Количество загрузок:
-
сканирование0021.jpg232.41К 258 Количество загрузок:
Сообщение отредактировал Charlie: 29 September 2013 — 21:30
- Наверх
- Ник или цитата
APC-Пользователи
597 сообщений
- Город: Ростов-на Дону
- Пол: Мужчина
www.motor-service.info
- Наверх
- Ник или цитата
Пользователи
21 сообщений
- Город: Кривой Рог
- Пол: Мужчина
- Наверх
- Ник или цитата
APC-Пользователи
162 сообщений
- Город: Ярославль
- Пол: Мужчина
- Наверх
- Ник или цитата
Пользователи
21 сообщений
- Город: Кривой Рог
- Пол: Мужчина
- Наверх
- Ник или цитата
APC-Пользователи
162 сообщений
- Город: Ярославль
- Пол: Мужчина
- Наверх
- Ник или цитата
Пользователи
21 сообщений
- Город: Кривой Рог
- Пол: Мужчина
- Наверх
- Ник или цитата
APC-Пользователи
162 сообщений
- Город: Ярославль
- Пол: Мужчина
- Наверх
- Ник или цитата
#11 Matthew
Пользователи
130 сообщений
- Город: Москва
- Пол: Мужчина
Прикрепленные файлы
N16_1.png174.39К 206 Количество загрузок:
Сообщение отредактировал Matthew: 30 September 2013 — 12:23
- Наверх
- Ник или цитата
Пользователи
21 сообщений
- Город: Кривой Рог
- Пол: Мужчина
- Наверх
- Ник или цитата
#13 Matthew
Пользователи
130 сообщений
- Город: Москва
- Пол: Мужчина
Прикрепленные файлы
N16_2.png402.44К 141 Количество загрузок:
Сообщение отредактировал Matthew: 30 September 2013 — 14:04
- Наверх
- Ник или цитата
APC-Пользователи
597 сообщений
- Город: Ростов-на Дону
- Пол: Мужчина
www.motor-service.info
- Наверх
- Ник или цитата
#15 Tucson
Пользователи
21 сообщений
- Город: Кривой Рог
- Пол: Мужчина
Прикрепленные файлы
-
Изображение 006.jpg102.9К 249 Количество загрузок:
-
Изображение 007.jpg82.5К 205 Количество загрузок:
vasyan это нравится
- Наверх
- Ник или цитата
#16 resetter
APC-Пользователи
1583 сообщений
- Город: Кореновск
- Пол: Мужчина
Чип-тюнинг: наше и иномарок. +7918-024895девять
- Наверх
- Ник или цитата
- APC АДАКТ
- → Диагностика
- → NISSAN-INFINITI
- Правила форума
АРС АДАКТ разрабатывает прошивки для чип-тюнинга бензиновых и дизельных двигателей. В официальном магазине доступны готовые калибровки для любых задач: более 60 марок и 300 моделей, для ГБО, с переходом на другие нормы Евро и сохранением заводских. Если нет готовой прошивки, можно заказать индивидуальную калибровку под любые задачи.
Прошивки АДАКТ можно купить только в магазине на официальном сайте. Их распространение защищено с помощью ключа SenseLock и системы оценки действий пользователей. Любые другие сайты, предлагающие прошивки АДАКТ, выдают собственные непроверенные работы за калибровки нашей компании.
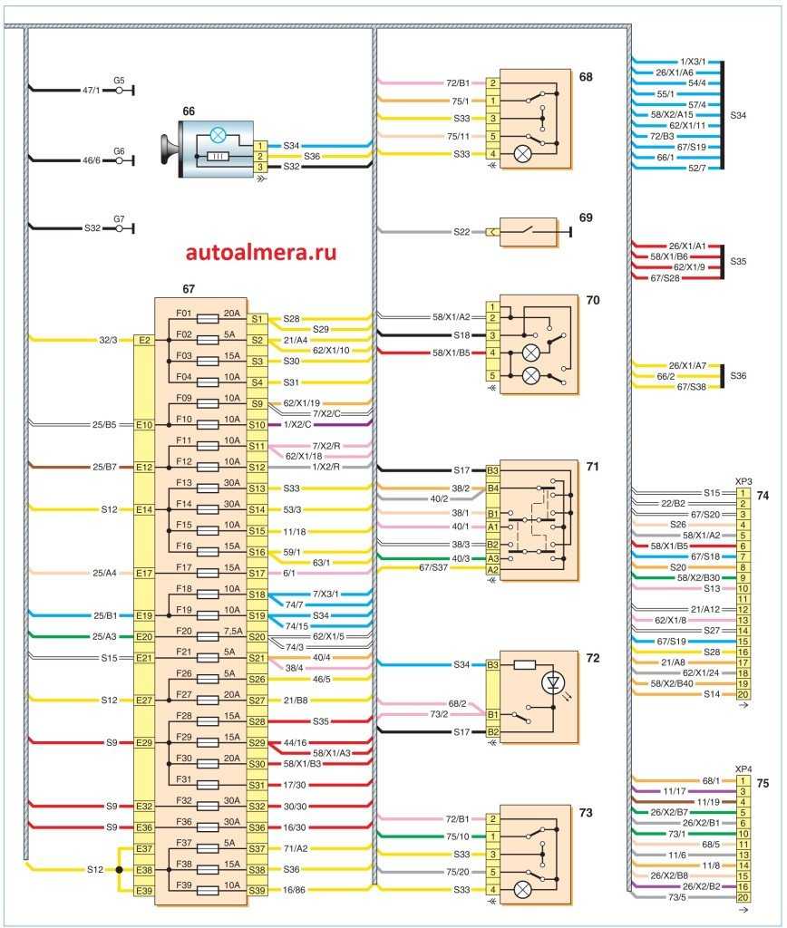
Схема переднего жгута проводов кузова на новый Nissan Almera
| А – место перехода жгута проводов из моторного отсека в салон; 1 – правая блок-фара; 2 – правая противотуманная фара; 3 – колодка соединения со жгутом проводов противотуманных фар; 4 – левая противотуманная фара; 5 – правый звуковой сигнал высокого тона; 6 – левый звуковой сигнал низкого тона; 7 – левая блок-фара; 8 – правый боковой указатель поворота; 9 – очиститель ветрового стекла; |
10 – омыватель ветрового стекла; 11 – блок управления ABS; 12 – датчик уровня тормозной жидкости; 13 – левый боковой указатель поворота; 14 – датчик частоты вращения правого переднего колеса; 15 – блок реле и предохранителей в моторном отсеке; 16 – реле вентилятора отопителя; 17 – реле противотуманных фар; 18, 19 – предохранители в блоке реле и предохранителей в моторном отсеке; 20 – датчик частоты вращения левого переднего колеса; 21 – колодка соединения со жгутом проводов двигателя; |
![]()
| 22 – правый подрулевой переключатель; 23 – подушка безопасности водителя; 24 – спиральный кабель; 25 – левый подрулевой переключатель; 26 – колодки подключения к аудиосистеме; 27 – реле доп. обогревателя салона (70 А); |
28 – реле дополнительного обогревателя салона (40 А); 29 – датчик положения педали тормоза и выключатель сигналов торможения; 30 – реле обогрева заднего стекла; 31 – катушка иммобилайзера; 32 – колодка соединения со жгутом проводов выключателя зажигания; 33 – выключатель зажигания; |
![]()
|
34 – электропривод замка правой передней двери; 35 – стеклоподъемник правой передней двери; 36 – правый передний динамик; 37 – правое наружное зеркало; 38 – колодка соединения с правым наружным зеркалом; 39 – левое наружное зеркало; 40 – колодка соединения с левым наружным зеркалом; 41 – левый передний динамик; 42 – стеклоподъемник левой передней двери; 43 – электропривод замка левой передней двери; |
44 – колодка диагностики; 45 – крышка колодки диагностики с перемычкой; 46 – блок управления подушками безопасности; 47 – колодка соединения со жгутом проводов вентилятора отопителя; 48 – вентилятор отопителя; 49 – дополнительный обогреватель салона; 50 – блок дополнительных резисторов вентилятора отопителя; 51 – блок управления вентиляцией, отоплением и кондиционированием; 52 – колодка соединений со жгутом проводов подушки безопасности переднего пассажира и освещения вещевого ящика; 53 – выключатель стеклоподъемника правой передней двери; 54 – выключатель центрального замка; 55 – выключатель аварийной сигнализации; 56 – выключатель обогрева заднего стекла; 57 – выключатель стеклоподьемника левой передней двери; |
![]()
|
58 – коммутационный блок; 59 – колодка соединения со жгутом обогревателя правого переднего сиденья; 60 – элемент обогрева правого переднего сиденья; 61 – выключатель обогрева правого переднего сиденья; |
62 – комбинация приборов; 63 – колодка соединения со жгутом обогревателя левого переднего сиденья; 64 – элемент обогрева левого переднего сиденья; 65 – выключатель обогрева левого переднего сиденья; |
![]()
|
66 – прикуриватель; 67 – блок предохранителей в салоне; 68 – выключатель стеклоподъемника правой задней двери; 69 – выключатель сигнализатора включения стояночного тормоза и неисправности тормозной системы; 70 – плафон освещения салона; |
71 – регулятор управления электроприводами наружных зеркал; 72 – выключатель блокировки задних стеклоподъемников; 73 – выключатель стеклоподъемника левой задней двери; 74, 75 – колодки соединения с задним жгутом проводов кузова |
![]()
Меры предосторожности по работе с электрической цепью
В целях безопасности при работе с электрооборудованием транспортного средства принято соблюдать определенные правила. Предупреждения будут касаться следующих моментов:

Меры предосторожности при работе с электрооборудованием ниссан альмера
Все действия нужно проводить при выключенном аккумуляторе.
Сама аккумуляторная батарея подсоединяется и включается только при выключенном зажигании.
Замыкание на проводах (проверка на «массу») может привести к тому, что электрооборудование выйдет из строя.
Нельзя менять предохранители, которые не подходят по мощности тока (обращать на внимание на маркировку «родных») или использовать вместо них проволоку. Отвертки при такой работе также нельзя использовать (может произойти замыкание в сети).
Нужно регулярно очищать у аккумуляторной батареи клеммы во избежание появления окислов и оседания грязи.
Электронное оборудование любой машины может выйти из строя, если попробовать отсоединять аккумулятор при работающем двигателе.
При электросварочных работах обязательно нужно отключать двигатель во избежание травмоопасных ситуаций.
Следует обязательно изучить схему, чтобы знать, что представляет собой электрооборудование ниссан альмера
Предохранители лучше всегда иметь в достаточном запасном количестве (например, в бардачке).
Таблица расшифровок блоков предохранителей Renault Megane и Scenic 1
Для удобства восприятия данные ниже приведены в табличной форме. Здесь представлены элементы автомобилей, поставляемых с 1997 под 2000 год.Подкапотная часть.
| Обозначение | Расшифровка |
| А | Релюшка топливного насоса |
| В | Аппаратура ЭСУД |
| С/I | Релейный выключатель 1/2 нагревателя ОЖ |
| D | Электромагнитная муфта компрессора кондиционера |
| F | Магистраль стартера (для АКПП) |
| G/H | Не используются |
| J /K | Высокая/низкая скорость вращения вентилятора радиатора |
Предохранители:
| Номер | Назначение |
| 1 | Привод вентилятора радиатора/ на дизеле – подогрев свечей накаливания |
| 2 | ЭСУД |
| 3 | Управление кондиционером |
| 4/5/8 | Система двухкомпонентной топливоподачи |
| 6 | АКПП, стартер. |
| 7 | Подогрев топливного фильтра (для дизеля), подушки безопасности. |
| 9/10 | Диоды кондиционера |
| 11 | Нагреватель антифриза, питание свечей накаливания |
| 12/13 15/17 | Не используются |
| 14 | Вентилятор системы охлаждения на высокой скорости, система подогрева топливного фильтра |
| 16 | Контроллер системы АБС |
| 18 | Подогрев ветрового окна |
| 19 | Питание привода печки |
| 20 | ЭБУ |
| 21 | Питание на салонный монтажный блок |
| 22 | Иммобилайзер, клаксон. |
Предохранители Рено Сценик 3/Меган 3
Отдельно следует рассмотреть плавкие вставки и реле, устанавливаемые в салоне автомобиля.
| Номер | Назначение |
| 1/3 | Привода стеклоподъемников задних дверей для левой и правой стороны соответственно |
| 2 | Не применяется |
| 4 | Омыватель стекла кормовой части автомобиля |
| 5 | Подогрев зеркал заднего вида |
| 6 | Штатная акустическая система, привод регулировки зеркал. |
| 7 | Выключатель клаксона |
| 8 | Питание на реле вентилятора радиатора, индикация приборной панели |
| 9/10 | ПТФ для задней и передней части машины соответственно |
| 11/13 | Габаритные огни с правого и левого борта соответственно |
| 12 | Омыватели фар оптики |
| 14/15 | Не используются |
| 16 | Питание датчиков АБС |
| 17 | Релюшка привода стеклоподъемника переднего пассажира |
| 18 | Стопы, контроллер АКПП, питание блока стеклоподъемников |
| 19 | Фонари включения заднего хода, управляющая часть ЭСУД |
| 20/21 | Резерв |
| 22/24 | Ламы дальнего света передней оптики |
| 23 | Привод стеклоподъемника водительской двери |
| 25 | Переключатели кондиционера, привод люка (при наличии) |
| 26 | Питание модуля дополнительного оборудования |
| 27 | Система подогревателя сидений |
| 28 | Привод системы отопителя |
| 29/31 | Лампы ближнего света |
| 30 | Прикуриватель, питание акустической системы непосредственно от АКБ. |
| 32 | Резерв |
| 33 | Перемычка на фарах. |
В нижнем ряду панели отдельно вынесены самые востребованные элементы.
| Обозначение | Применение |
| А | Поворотники и аварийка |
| В | Контроль блока управления |
| С | Питание центрального замка |
| D | Дворники |
| E | Питание на привод блока стеклоподъемников |
| F | Подогрев заднего стекла и зеркал |
Отдельно вынесены реле. Вставки находятся в индивидуальной панели под основным блоком.
| Маркировка | Назначение |
| A | Силовая магистраль насоса омывателя фар головной оптики |
| B | ДХО – фары |
| C | ДХО – габариты |
| D | Главное реле ДХО |
Предохранитель кондиционера
Система в машине была неизменна до 2012 года. Ввиду высокого энергопотребления и сложности устройства, предохранители разделены на несколько элементов.Под капотом смонтировано реле D, ответственное за питание муфты кондиционера. Переключатель вентилятора выведен на элемент №1. Система управления проходит через вставку 3, а диоды работают от 9/10.
Силовая магистраль вентилятора отопителя питается от элемента 19.
Реле и предохранитель стартера
Питание происходит через релюшку, смонтированную на крыле по левой стороне машины. Расположение элемента на моторе 1,9 ДЦИ немного отличается. Здесь вставка смонтирована на салонной переборке.
Печка
Питание происходит от предохранителей 25/28 салонного блока. Силовая линия моторчика проходит от реле муфты кондиционера. Номинала выключателя достаточно для питания двух приборов.Резистор на двигателе размещен под приборкой у печки.
Бензонасос
В большинстве модификаций реле топливного насоса располагается под маркировкой А, в подкапотном блоке. Отдельные модификации, обладающие переделанной проводкой, агрегируются релюшками на позиции Ф2.
Предохранитель прикуривателя Меган и Сценик 1
Находится под номером 30 в салоне. Отдельные пользователи устанавливают дополнительную розетку и выводят ее на заднюю часть авто. Здесь найти защитную вставку будет сложнее. Ориентироваться следует по магистрали.
Повороты
Конструктивно объединены с аварийкой. Это сделано для упрощения конструкции и ее удешевления, без потери надежности. За работу узлов отвечает единственное реле – А в салоне.
Назначение, виды и цвета электропредохранителей
Предохранители Альмера G15 являются защитным элементом различного электрооборудования от следующих явлений:
- короткие замыкания;
- токовые перегрузки.
Их схема может быть выполнена одним, двумя или тремя блоками. При этом каждый из них отвечает за работоспособность комплекса оборудования, а отдельный элемент за защиту конкретного прибора.
Различают следующие виды предохранителей:

Штекерные предохранители
Штекерные – наиболее распространенные, состоят двух штекеров, между которыми расположена плавкая вставка на определенную величину тока. Она закрывается пластиковым кожухом. При превышении максимального значения тока протекающего по вставке, происходит ее перегорание.
Биметаллические – в указанном виде предохранителей, плавкая вставка заменена на биметаллические пластины с посеребренными контактами, которые плотно прилегают друг к другу. При возникновении не нормального режима, пластины нагреваются и размыкаются. Их дальнейшее соприкосновение произойдет после остывания металла.

Штекерный и биметаллический с пружиной предохранители
Пружинные биметаллические – по принципу действия идентичны предыдущему виду. Отличие заключается в том, что биметаллические пластины самостоятельно не возвращаются в исходное положение. Это обеспечивается за счет внесения в конструкцию дополнительной пружинки, которая удерживает пластину в отключенном положении. Для восстановления электрической цепи понадобится нажать кнопку, которая разожмет пружину.
Выпуск предохранителей осуществляется с различным токовым номиналом. При этом изготовители придают каждому номиналу конкретный окрас. В большинстве случаев, используются следующие цвета:
- черный – 1А;
- серый – 2А;
- фиолетовый – 3А;
- коричнево-желтый – 5А;
- темно-коричневый – 7.5А;
- красный – 10А;
- голубой – 15А;
- желтый – 20А;
- белый – 25А;
- зеленый – 30А;
- оранжевый – 40А;
- голубой – 60А;
- коричневый – 70А;
- светло-желтый – 80А;
- сиреневый – 100А.

Оттенки цветов могут отличаться




























