Электросхемы
При покупке книги в PDF
1. Вы сможете скачать книгу сразу же после оплаты.
2. Книга будет скачана в формате PDF, и Вы сможете загрузить ее на любое устройство.
1. Все книги идеального качества, так как мы работаем с издательствами напрямую.
2. Электронные книги ничем не уступают бумажным и являются их полным аналогом.
3. Офисы нашей компании представлены в Украине, России и Польше, вы всегда можете обратиться к нам по конкретному адресу.
4. Все оплаты на сайте максимально защищены и происходят с помощью мировых платежных систем.
Книга не предназначена для продажи в Вашей стране.
Оформить заказ на бумажную версию этой книги Вы можете на сайте autoinform96.com.
Оплата товара и скачивание книги в электронном виде (формат PDF) производится на сайте.
Для этого надо найти интересующую Вас книгу и нажать на кнопку «Купить». Цена книги указана на кнопке.
Для удобства, цена на сайте для жителей России, Беларуси и Казахстана представлена в рублях.
Для жителей Украины в гривнах, а для всех остальных стран — доллары.
После нажатия на кнопку «КУПИТЬ» Вам откроется окно оплат, где можно выбрать платежную систему, с помощью которой можно оплатить выбранную книгу с помощью любой банковской карты (Visa, MasterCard, МИР и т.д.)
При нажатии на кнопку «Оплатить банковской картой» откроется платежная система Portmone с помощью которой проще всего совершить оплату.
- Яндекс (оплата с любых банковских карт, аккаунта Яндекс Деньги, QIWI Wallet, терминалы и т.д.);
- Portmone (оплата с любых банковских карт, аккаунта Portmone);
- PayPal (оплата с любых банковских карт, аккаунта PayPal);
- WebMoney (оплата с любых банковских карт, оплата с кошельков WebMoney).
Как найти место установки предохранителя byd f3
Для того, чтобы найти место установки определенного предохранителя, необходимо воспользоваться руководством по эксплуатации автомобиля. Не во всех руководствах есть сведения о блоках предохранителей. Наиболее распространенные места их установки:
— в подкапотном пространстве со стороны водителя;
— возле положительной клеммы аккумуляторной батареи;
— в салоне под приборной панелью;
— в салоне в районе бардачка;
— на торцах торпеды;
— под задним сиденьем (в некоторых моделях BMW);
— в багажнике под обивкой с правой или левой стороны.
— В интернете есть специальные ресурсы, в которых можно найти месторасположение этих блоков и конкретно предохранителей, обслуживающих определенные системы и устройства автомобилей.
Назначение Предохранителей byd f3
Автомобильные предохранители (иначе плавкие вставки) в электрических схемах применяются для:
— защиты от перегрузок электрических цепей, возгорания в случае короткого замыкания;
— защиты электронных блоков автомобиля при неисправности электрооборудования и проводки;
— контроля максимальных токов в цепях автомобиля;
— своеобразной диагностики неисправности электрооборудования автомобиля.
— Последняя функция имеет в виду тот факт, что при неисправности какого-либо электронного устройства в автомобиле перегорание предохранителя, обслуживающего данный блок, будет свидетельством проблем в блоке.
Источник электропитания и другие электрические системы BYD F3 / F3-R с 2005 года
Описание
Данный раздел включает описание аккумулятора, дополнительной системы электропитания, системы обогревателя заднего стекла, системы электрического звукового сигнала, электронных часов.
Аккумулятор
Примечание: — Для запуска двигателя использовать вспомогательный аккумулятор 12В с соединительными кабелями. — Разъемы кабелей должны быть прочно прикреплены к клеммам аккумулятора и обеспечивать надежный контакт.
Правила эксплуатации аккумулятора
1. Не допускать слишком сильного разряда аккумулятора.
2. Поверхность аккумулятора (особенно с верхней стороны) должна быть чистой и сухой, попадание электролита или влаги на указанную поверхность приводит к разряду аккумулятора.
1. Поверхность должна быть чистой и сухой.
3. Перед продолжительным перерывом в эксплуатации автомобиля следует отсоединять кабель от отрицательного контакта аккумулятора.
1. Отсоединить кабель от отрицательного контакта.
Примечание: Не допускать попадания электролита в глаза, уши, на кожу и на поверхности с лакокрасочным покрытием; если это все-таки произошло, промывать пораженные участки водой в течение 15 минут, после чего немедленно обратиться за квалифицированно медицинской помощью.
4. Если аккумулятор не используется в течение продолжительного периода времени, и плотность электролита не превышает 1,100, аккумулятор будет полностью разряжен, а контакты аккумулятора будут сульфированы. По сравнению с нормальным аккумулятором напряжение сульфированного аккумулятора в начале зарядки несколько выше, но характеристики тока при этом не устойчивые.
- Напряжение зарядки.
- Время зарядки.
- Нормальный аккумулятор.
- Сульфированный аккумулятор.
5. На данном автомобиле установлен аккумулятор, который не подлежит разборке и специальному техническому обслуживанию, но его необходимо своевременно и полностью заряжать.
Примечание: Выполнять обслуживание аккумулятора в соответствии с инструкциями, приведенными на этикетке на аккумулятора.
Распределительные коробки
Планировка вспомогательной системы электропитания.
- Распределительная коробка приборной панели.
- Распределительная коробка в двигательном отсеке.
Плавкий предохранитель
- Если плавкий предохранитель перегорел, сначала необходимо установить и устранить причину перегорания, затем заменить предохранитель.
- Использовать только предохранители с параметрами, указанными в спецификации, не устанавливать плавкие предохранители, рассчитанные на большую нагрузку.
- Правильно устанавливать предохранитель в распределительной коробке, не допускать перекос при установке.
- Нормальное состояние.
- Перегоревший.
Реле бывают трех типов: нормально открытого, нормально закрытого и смешанного типа.
Расчет его номинала при установке дополнительного оборудования byd f3
При установке дополнительного оборудования часто бывает необходимым изменить номинал предохранителя в цепи питания. Для расчета необходимо иметь данные о мощности устройства или его сопротивлении. Например, подключая дополнительный источник освещения в виде лампы мощностью 60 Ватт, необходимо воспользоваться формулой:
P=U*I, где
Р – мощность лампы,
U – напряжение бортовой сети (12 Вольт),
I – ток в цепи.
Из формулы следует:
I = P/U = 60/12 = 5 Ампер.
То есть при установке дополнительной лампы необходимо номинал предохранителя в цепи увеличить приблизительно на 5 Ампер, с учетом запаса по току 50%, необходимо выбрать 7,5 Ампер. Если по цепи устанавливается две лампы, тогда номинал умножается на 2, получается 15 Ампер.
Если мощность устройства неизвестна, измеряется его сопротивление. Измерение следует производить хорошим мультиметром, так как китайские имеют большую погрешность, особенно, при измерении малых сопротивлений. Например, устанавливая пресловутый электрический подогреватель воздуха в салоне, измерения показали сопротивление R равным 0,4 Ом. Ток определяется по закону Ома.
I = U/R = 12/0,4 = 30 Ампер
Если включать в разъем прикуривателя только обогреватель, с учетом запаса номинал предохранителя должен быть не менее 40 Ампер.
Следует учитывать, что обычно при расчете площади сечения проводника, принимается за максимальный ток на 1 кв.мм сечения проводника максимальный ток 4 Ампера. Таким образом, площадь сечения провода, идущего к разъему прикуривателя должна быть больше 30/4 = 7,5 кв.мм. Ближайшее стандартное сечение – 8 кв.мм. (наверняка там стоит провод сечением не более 6 кв.мм.) Если во время работы обогревателя захочется прикурить (посредством двойника разъема), ток может увеличиться, а это чревато перегоранием предохранителя, еще хуже, воспламенением проводки.
Поэтому перед увеличением номинала предохранителей и установкой в цепь дополнительных потребителей необходимо проверить площадь сечения электропроводки в цепи, при необходимости, установить другие провода.
Если допоборудование запитывается от блока предохранителей, также необходимо увеличивать номинал мощного предохранителя, который обслуживает данный блок. Он обычно расположен под капотом либо в багажнике, если там расположена аккумуляторная батарея.
Реле предохранителей BYD F3
BYD F3 — компактный седан, производимый китайской компанией BYD Auto. Одной из ключевых частей электрической системы автомобиля является реле предохранителей. Реле предохранителей BYD F3 отвечает за автоматическое отключение электрической цепи при возникновении перегрузок или коротких замыканий.
Основными функциями реле предохранителей BYD F3 являются:
- Защита электрических систем от повреждений.
- Отключение цепи при перегрузке или коротком замыкании.
- Предотвращение возгорания электропроводки.
Принцип работы реле предохранителей BYD F3 основан на использовании электромагнитного действия. Когда в электрической цепи происходит перегрузка или короткое замыкание, электромагнит в реле предохранителей подает сигнал о необходимости отключения цепи. В результате, система автоматически отключает неисправную цепь, предотвращая повреждение электрооборудования и возможное возгорание проводки.
Замена реле предохранителей BYD F3 может потребоваться в следующих случаях:
- Неисправность реле, выявленная в ходе диагностики электрической системы.
- Перегрузка или короткое замыкание, которые привели к повреждению реле.
Для замены реле предохранителей BYD F3 необходимо выполнить следующие шаги:
- Оключить автомобиль и отсоединить отрицательный клеммный зажим аккумуляторной батареи.
- Определить местонахождение реле предохранителей BYD F3. Обычно они находятся в блоке предохранителей и реле, расположенном в моторном отсеке или под панелью приборов в салоне автомобиля.
- Снять крышку блока предохранителей и реле.
- Аккуратно вытащить неисправное реле.
- Установить новое реле предохранителей BYD F3 вместо старого.
- Закрыть крышку блока предохранителей и реле.
- Подсоединить отрицательный клеммный зажим аккумуляторной батареи и проверить работу электрической системы.
При замене реле предохранителей BYD F3 рекомендуется использовать оригинальные запчасти или качественные аналоги, чтобы обеспечить надежную и безопасную работу электрической системы автомобиля.
Важно обратиться к руководству по эксплуатации автомобиля BYD F3 для получения подробной информации о местонахождении и замене реле предохранителей, так как они могут варьироваться в зависимости от конкретной модели и года выпуска автомобиля
Частые ошибки и их последствия при замене предохранителей byd f3
Основные ошибки при установке и замене автомобильных предохранителей в цепи:
— Нельзя увеличивать номинал предохранителя, не произведя расчет необходимого сечения проводников в цепи. Если провода не выдержат большие токи, они могут перегреться, что приведет к короткому замыканию и возгоранию.
— Необходимо заменять предохранитель на исправный такого же типа. Если установить другого типа, могут перегреваться контактные зоны гнезда предохранителя, что также может привести к воспламенению.
— Ни в коем случае нельзя устанавливать «жучок». Если предохранитель «вылетел», значит, в цепи уже есть проблемы, возможно, короткое замыкание. Жучок с большой вероятностью приведет к оплавлению проводки. Лучше временно взять исправный предохранитель такого же номинала из второстепенной цепи в блоке предохранителей, например, от печки, обогревателя заднего стекла, противотуманок и т.д. Наборы предохранителей можно купить на ближайшей АЗС.
— Некоторые автолюбители при увеличении частоты перегорания определенного предохранителя увеличивают (иногда в два раза) его номинал. Это может привести к отказу блока, который он обслуживает. В такой ситуации необходимо разобраться с причиной, а не следствием.
Электрика
- Как снять аккумулятор BYD F3
- Поменять батарейку в брелке BYD Ф3
- Заменить батарейку в ключе БИД F3
- Заменить батарейку в пульте БИД F3
- Как заменить блок предохранителей BYD F3
- Как заменить втягивающее реле БИД Ф3
- Замена габаритной лампы BYD Ф3
- Как поменять задний фонарь БИД F3
- Снять заднюю фару БИД F3
- Как заменить замок зажигания БИД F3
- Как заменить катушку зажигания БИД F3 своими руками
- Снятие кнопки стеклоподъемника БИД F3
- Как поменять лампу ближнего света BYD F3
- Как поменять лампу в бардачке BYD F3 своими руками
- Замена ламп в габаритах BYD Ф3 своими руками
- Поменять лампу в дальний свет БИД Ф3
- Заменить лампу в задний ход БИД F3
- Заменить лампу в поворотниках BYD Ф3
- Как поменять лампу в приборной панели БИД F3 своими руками
- Установка ламп в противотуманных фарах BYD F3 своими руками
- Установка ламп в ПТФ БИД F3
- Как заменить лампу в фарах БИД F3
- Как заменить лампу освещения салона BYD Ф3 своими руками
- Установка лампы стоп сигнала БИД F3 своими руками
- Замена ламп задних фонарей BYD F3 своими руками
- Как снять левую фару BYD Ф3 своими руками
- Снять моторчик стеклоподъемника БИД Ф3
- Снятие передней фары BYD F3 своими руками
- Как снять правую фару BYD F3
- Как заменить предохранители БИД Ф3
- Как поменять предохранитель прикуривателя БИД Ф3
- Поменять противотуманные лампы БИД F3 своими руками
- Как поменять реле поворотов БИД Ф3
- Как поменять реле стартера BYD Ф3
- Установка реле стеклоочистителя BYD Ф3
- Заменить свечи зажигания BYD F3 своими руками
- Замена щеток генератора BYD F3
- Электросхема акпп BYD F3
- Электросхема акустической системы БИД F3
- Электросхема бензонасоса BYD F3
- Электросхема блока предохранителей БИД Ф3
- Электросхема блока управления двигателем БИД Ф3
- Электросхема вентилятора охлаждения BYD F3 своими руками
- Электросхема включения бензонасоса БИД Ф3
- Схема включения вентилятора охлаждения BYD F3
- Электросхема включения кондиционера BYD Ф3
- Электросхема включения переднего моста БИД F3
- Электросхема включения стартера BYD Ф3
- Схема включения фар BYD F3 своими руками
- Электросхема генератора BYD F3 своими руками
- Схема датчика давления масла БИД F3 своими руками
- Электросхема датчика кислорода БИД Ф3
- Электросхема датчика охлаждающей жидкости БИД Ф3 своими руками
- Электросхема датчика скорости БИД F3
- Электросхема датчика температуры BYD F3
- Схема датчика уровня топлива БИД F3
- Схема двигателя БИД F3 своими руками
- Схема дворников БИД Ф3
- Электросхема зажигания БИД F3
- Электросхема замка зажигания BYD Ф3
- Электросхема звукового сигнала BYD Ф3 своими руками
- Электросхема инжектора BYD Ф3
- Электросхема карбюратора БИД F3
- Схема корректора фар BYD F3
- Электросхема освещения салона BYD Ф3
- Электросхема отопителя БИД Ф3
- Электросхема охлаждения двигателя BYD Ф3
- Электросхема панели приборов BYD Ф3 своими руками
- Электросхема передних фар БИД Ф3
- Электросхема печки BYD F3
- Схема приборной панели BYD Ф3
- Электросхема проводки БИД F3
- Электросхема противотуманных фар БИД F3
- Электросхема реле бензонасоса БИД Ф3
- Схема реле давления BYD F3 своими руками
- Электросхема реле поворотов БИД Ф3
- Схема реле регулятора BYD F3
- Электросхема реле стартера BYD F3 своими руками
- Электросхема системы впрыска БИД Ф3 своими руками
- Электросхема системы зажигания БИД Ф3
- Электросхема системы кондиционирования БИД F3
- Электросхема системы охлаждения БИД Ф3
- Электросхема системы управления двигателем BYD F3
- Электросхема стартера БИД Ф3
- Электросхема стеклоочистителя БИД Ф3
- Электросхема стеклоподъемников BYD Ф3
- Электросхема стоп сигналов БИД Ф3
- Электросхема топливного насоса BYD F3
- Электросхема топливной системы BYD F3 своими руками
- Электросхема тормозной системы БИД F3
- Электросхема центрального замка БИД F3
- Электросхема щитка приборов БИД Ф3
- Схема эбу BYD F3
- Коды ошибок BYD F3
Как проверить предохранитель на исправность byd f3
Контроль исправности предохранителя необходимо производить, демонтировав его из гнезда. Первоначальную проверку можно произвести на месте установки, но в случае малейшего подозрения на неисправность, обязательно его вытащить.
Перед тем, как проверить предохранитель мультметром, его следует достать из гнезда. Сама проверка производится в положении измерения сопротивления на низшем пределе, либо зуммера. Сопротивление исправного предохранителя должно быть равно нулю.
Можно его проверить и визуальным методом. Рабочий элемент обычно виден через специальное окно, прозрачный корпус или выступает из корпуса. Такая проверка часто обманывает, так как бывают микротрещины в токоведущей зоне, не видимые невооруженным глазом.
Особенности реле предохранителей BYD F3
Реле предохранителей в автомобиле BYD F3 имеет ряд особенностей и отличий от аналогичных устройств в других автомобилях.
Вот некоторые из особенностей реле предохранителей BYD F3:
- Многофункциональность: реле предохранителей BYD F3 выполняет не только функцию защиты электрических цепей от перегрузок и короткого замыкания, но и управляет системами и устройствами в автомобиле.
- Интеграция в систему: реле предохранителей BYD F3 интегрированы в электрическую систему автомобиля, позволяя контролировать и управлять работой различных компонентов и систем автомобиля.
- Многоуровневая защита: реле предохранителей BYD F3 обеспечивают многоуровневую защиту электрических цепей автомобиля, что позволяет предотвратить повреждение проводки и минимизировать риск возникновения пожара.
- Принцип перегрузки: реле предохранителей BYD F3 обнаруживают и реагируют на перегрузки в электрической системе автомобиля, отключая соответствующие цепи передатчика.
- Принцип короткого замыкания: реле предохранителей BYD F3 обеспечивают быстрое и безопасное отключение электрической цепи при обнаружении короткого замыкания.
- Простая замена: в случае необходимости, реле предохранителей BYD F3 можно легко заменить, следуя указаниям в руководстве по эксплуатации и использованию.
Изучение и понимание особенностей реле предохранителей BYD F3 помогает обеспечить надежную и безопасную работу электрической системы автомобиля, а также предотвратить возникновение возможных неполадок и аварийных ситуаций.
Типы и виды предохранителей byd f3
втомобильные предохранители классифицируются по материалу легкоплавкой вставки на:
— свинцовые;
— оловянные;
— сплавные (олово + свинец);
— алюминиевые.
Их важной характеристикой является время срабатывания. Чем быстрее произойдет расплавление вставки, тем более надежно будет защищена схема при коротком замыкании на предмет перегрева проводников, возможного воспламенения
Для этого вставки изготавливают из металлов и сплавов с более низкой температурой плавления (перехода из твердого в жидкое агрегатное состояние). В некоторых типах для ускорения срабатывания применяют подпружинивание (типы FJ).
В автомобиле применяются предохранители различных типоразмеров.
Наибольшее применение в системах автомобилей получили предохранители типов:
— MAXI FX – силовые предохранители в подкапотном блоке;
— FTX NORM – предохранители в подкапотном и салонном блоках;
— FNL VINI – в подкапотном и салонном блоке предохранителей;
— FJ10 – в подкапотном блоке силовых предохранителей.
— В зависимости от номинала предохранителя, обычно указанного на его корпусе, применяется дополнительная цветовая маркировка, точнее, основной цвет его корпуса.
Скачивание книги
После успешного прохождения платежа (любым способом) и возврата в магазин KrutilVertel с сайта платежной системы Вы попадаете на страницу успешной оплаты:
Купленная Вами книга будет находиться в Вашем личном кабинете, откуда ее всегда можно будет скачать.
Обратите внимание, что после совершения оплаты, Вам необходимо вернуться обратно с сайта платежной системы на сайт KrutilVertel. В случае, если по каким либо причинам Вы не вернулись обратно на сайт и закрыли вкладку платежной системы с сообщением про успешное прохождение платежа, сообщите нам об этом — мы вышлем Вам письмо в котором будет указан доступ для скачивания книги
В случае, если по каким либо причинам Вы не вернулись обратно на сайт и закрыли вкладку платежной системы с сообщением про успешное прохождение платежа, сообщите нам об этом — мы вышлем Вам письмо в котором будет указан доступ для скачивания книги.
Может быть интересно
Обзор сигнализации Starline А92
Инструкция для автосигнализации Старлайн А92 Диалог достаточно подробно описывает технические характеристики устройства и порядок его установки, а также настройки всех функций.
Читать далее
Установка 2.6 abc вместо 2.3aar Audi 100 c4
Где то пол года назад мой верный 2.3 начал умирать, терять компрессию и безбожно жрать масло на завтрак обед и ужин.
Читать далее
Очень часто двигатель теряет антифриз, и при этом не обнаруживается никаких признаков внешних утечек.
Читать далее
Диагностика и замена датчиков давления масла в двигателях ЗМЗ 405, 406, 409
Контроль за работой системы смазки в двигателях ЗМЗ 405, 406 и 409 осуществляется при помощи специальных датчиков давления масла.
Читать далее
BYD F3, BYD F3-R. Руководство по ремонту — часть 36

5. Система не работает при включении передачи заднего хода. ● Процедура проверки.
1. Проверить радар заднего хода.
(1). Отсоединить проводной разъем радара заднего хода.
(2). Установить ключ в замке зажигания в положение ‘ON’, включить передачу заднего хода из любого
(3). Измерить электрическое напряжение между контактом 5-C13 и массой кузова, измеренное значение
изменяться от менее 1,5В до более 8В.
Нормально – заменить радар заднего хода.
Ненормально – перейти к выполнению следующей операции.
2. Проверить выключатель радара заднего хода.
(1). Отсоединить проводной разъем выключателя радара заднего хода.
(2). Включить передачу заднего хода из любого положения, сопротивление между контактами 1-N1 и 2-N1
должно измениться от 100 кОм до менее 1 Ом.
Нормально – перейти к выполнению следующей
Ненормально – заменить выключатель радара
2. Проверить кабельную шину и разъемы.
(1). Измерить электрическое сопротивление между контактами 1-N11 и 5-C13, измеренное значение не
(2). Измерить электрическое сопротивление между контактом 5-C13 и массой кузова, измеренное значение
должно быть не менее 100 кОм.
Нормально – продолжить проверку по описанию
В случае обнаружения неполадок отремонтировать
или заменить кабельную шину и разъемы.
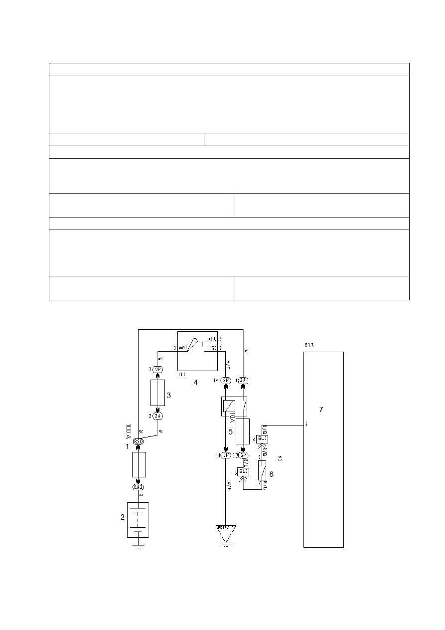
1. Основное электропитание. 2. Аккумулятор. 3. Электропитание зажигания 1#. 4. Замок зажигания. 5. Блок
приборов. 6. Выключатель светового сигнала заднего хода. 7. Радар заднего хода.
Замена реле предохранителей BYD F3
Реле предохранителей в автомобиле BYD F3 играют важную роль в обеспечении безопасной работы электрической системы. Они отвечают за переключение предохранителей, которые защищают различные электрические цепи автомобиля от перегрузок и короткого замыкания. Замена реле предохранителей может потребоваться при их неисправности или при необходимости установки более надежного или функционального реле.
Для замены реле предохранителей в автомобиле BYD F3 следуйте следующим шагам:
-
Подготовьте необходимые инструменты:
Для замены реле предохранителей BYD F3 вам понадобятся следующие инструменты и материалы:
- Набор ключей или отверток;
- Новые реле предохранителей;
- Схема расположения предохранителей;
- Мультиметр (для контроля работы реле).
- Выключите зажигание и отключите аккумулятор: Перед началом работ по замене реле предохранителей убедитесь, что зажигание автомобиля выключено и отсоедините клемму минусового полюса аккумулятора для предотвращения возможности короткого замыкания или поражения электрическим током.
- Определите местоположение реле предохранителей: Используя схему расположения предохранителей, определите местонахождение реле предохранителей в автомобиле BYD F3. Обычно они находятся в блоке предохранителей, расположенном в салоне автомобиля или под капотом.
- Снимите панель приборов или крышку блока предохранителей: Для доступа к реле предохранителей может потребоваться снять панель приборов или крышку блока предохранителей. Внимательно изучите руководство по эксплуатации автомобиля или обратитесь к сервисному руководству для получения специфической информации по демонтажу панели приборов или крышки блока предохранителей.
- Выньте старые реле предохранителей: Осмотрите старые реле предохранителей на наличие признаков повреждений или неисправности (например, внешних повреждений, окислов или перегоревших контактов). Выньте старые реле предохранителей с помощью ключа или отвертки, аккуратно отсоединяя их от разъемов.
- Установите новые реле предохранителей: Подходящим образом установите новые реле предохранителей в разъемы, контакты должны плотно соединяться. Убедитесь, что все реле правильно установлены и фиксируются в разъемах.
- Проверьте работу новых реле предохранителей: Включите зажигание автомобиля и проверьте работу новых реле предохранителей с помощью мультиметра или другого контрольного устройства. Убедитесь, что реле правильно переключаются и предохранители функционируют корректно.
- Установите обратно панель приборов или крышку блока предохранителей: Верните на место панель приборов или крышку блока предохранителей, следуя обратной последовательности снятия.
- Подключите аккумулятор и проверьте работу автомобиля: Подключите клемму минусового полюса аккумулятора и убедитесь, что все электрические системы автомобиля работают корректно.
При замене реле предохранителей в автомобиле BYD F3 важно соблюдать меры предосторожности и следовать руководству по эксплуатации автомобиля. Если у вас возникли сложности или вы не уверены в своих навыках, рекомендуется обратиться к специалисту или автосервису



























