Блок предохранителей и реле ВАЗ 2101

Если в цепи при эксплуатации автомобиля возникают короткие замыкания, то сила тока на поврежденном участке возрастает. Если поврежденную цепь не отключить от сети, она может очень быстро посадить аккумулятор, провода могут перегреваться, что вызовет большую вероятность возникновения пожара, оплавления проводов и обивки автомобиля. Для того, чтобы этого избежать, вся схема электропроводки разделена на десять зон, состояние которых контролируется определенным предохранителем.
- Предохранитель №1 (16А) защищал клаксон, розетку для аварийной переноски, плафоны освещения в салоне, прикуриватель и стоп-сигналы;
 - Предохранитель №2 (8А) обслуживал электрическую цепь реле и двигателя стеклоочистителя, электрический двигатель отопителя салона;
 - Предохранитель №3 (8А) – контрольная лампа включения дальнего света и левая фара (дальний свет);
 - Предохранитель №4 (8А) – правая фара (дальний свет);
 - Предохранитель №5 (8А) – ближний свет левой фары 2101;
 - Предохранитель №6 (8А) – ближний свет правой фары 2101;
 - Предохранитель №7 (8А) – контрольная лампа габаритного света, левая лампа подфарника, габаритный свет правого заднего фонаря, освещение багажника, заднего номерного знака, лампа подсветки комбинации приборов;
 - Предохранитель №8 (8А) – габаритный свет правого подфарника, подсветка прикуривателя, габаритный свет левого заднего фонаря, лампа освещения подкапотного пространства;
 - Предохранитель №9 (8А) защищал контрольные лампы на приборной панели: лампу давления масла, лампу температуры охлаждающей жидкости, контрольную лампу уровня топлива и уровня тормозной жидкости, указатели поворота и лампу низкого заряда АКБ;
 - Предохранитель №10 (8А) защищал цепь обмотки возбуждения генератора и регулятор напряжения.
 
Левая верхняя часть схемы электропроводки ВАЗ-2106

Данная схема позволяет рассмотреть элементы передней части машины. Здесь указаны:
- Боковой левый и правый указатель поворота (1);
 - Несколько подфарников (2);
 - Наружные (3) и внутренние (4) образцы фар;
 - Подключенный звуковой сигнал (5).
 
Далее располагаются внутренние элементы электропроводки машины, которые скрыты под капотом и кузовом. Сюда относятся:
- Клеммы электродвигателя обоих вентиляторов, входящих в систему охлаждения движка ВАЗ-2106 (6);
 - Комплект датчиков, отвечающих за своевременное включение электродвигателя (7);
 - 2 типа реле – один используется при включении звукового сигнала(8), а другой при регулировании работы электродвигателя системы охлаждения (9);
 - Небольшой регулятор напряжений в машине (10);
 - Катушки системы зажигания автомобиля (11);
 - 2-ой электродвигатель, который отвечает за работу омывателя лобового стекла (12);
 - Один из главных датчиков ВАЗ-2106 – он определяет уровень тормозной жидкости в машине и своевременно подает владельцу команду о несоответствии положенным нормам (13);
 - Также в центре схемы отмечены распределитель системы зажигания (14) и двигатель для работы стеклоочистителя (15).
 
Завершает эту часть схемы следующее электрооборудование:
- Комплект свечей зажигания машины (16);
 - Датчики, следящие за лампой давления смеси масла (17) и редуктор с указателем этого давления на панели (18);
 - Также показано подключение датчика указателя текущей температуры в охлаждающей жидкости двигателя (19) и подкапотной лампы ВАЗ-2106 (10).
 
Причины ремонта замка зажигания
Замок зажигания «шестерки» имеет 4 режима с разной функциональностью:
- Режим «0» позволяет питать только провода 30 и 30/1. Остальные функции отключены.
 - Режим «І» дает возможность работать ходовым огням, противотуманным фарам, приводу дворников, двигателю печки.
 - Режим «ІІ» — в этом случае электропроводка на ВАЗ 2106 активирует сигналы поворота, приборную панель и систему зажигания.
 - Положение «ІІІ» ключа дает питание клеммам 30/1 и 30-INT. Работает стартер автомобиля.
 
Подкапотная электрика вазовской шестерки
Замена замка зажигания своими руками может потребоваться по нескольким причинам:
- Во-первых, такое реально в случае потери ключей.
 - Во-вторых, со временем личинка замка зажигания подвергается износу, и это влияет на запуск двигателя.
 - Кроме того, могут иметь место проблемы с группой контактной проводов, что может привести к короткому замыканию.
 
На автомобилях семейства «классики» расположение замка — внизу и слева от рулевого колеса. Также посмотрите статью про восстановление отечественной классики.
А состоит он из следующих элементов и деталей:
- корпус замка;
 - контактный диск;
 - запорный стержень;
 - валик и контактная втулка;
 - колодка.
 
Проверка работы трамблера
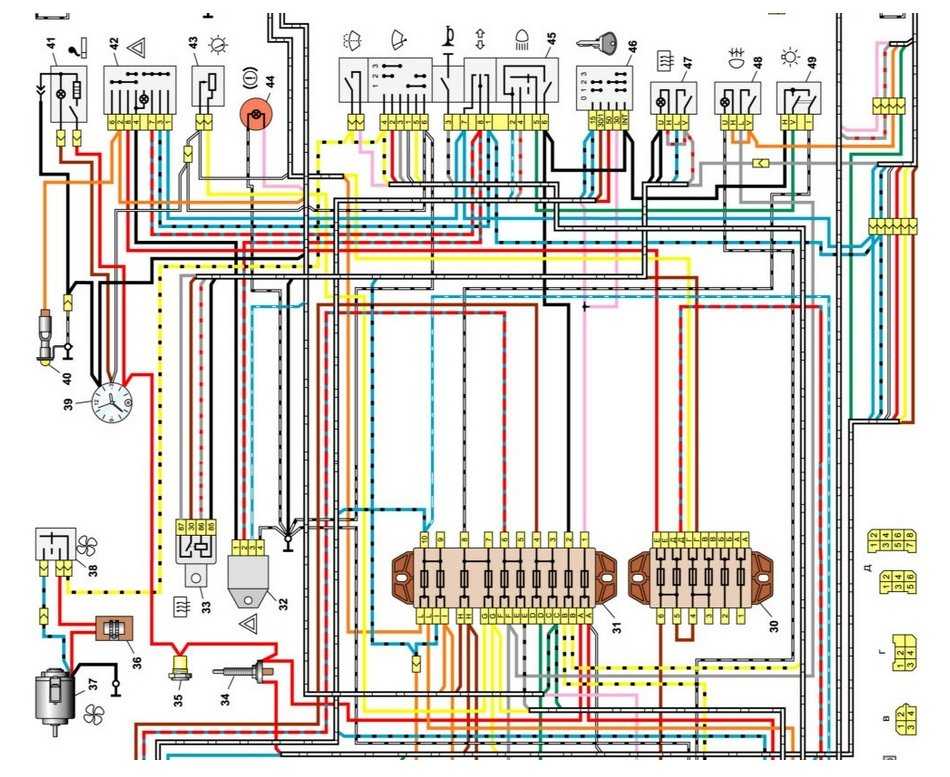
Центральная часть схемы электрооборудования ВАЗ-2106
![]()
Центральный кусок схемы в основном состоит из включателей/выключателей освещения и переключателей подачи тока в систему. Главные элементы проводки указаны следующими цифрами:
- Комплект с основным блоком предохранителей (30);
 - Выключатели освещения в фарах заднего хода машины (31), работы контрольных ламп при выставлении ручного тормоза (32);
 - Разновидности штепсельных розеток у переносных ламп (33);
 - Оборудование для работы указателя поворотника и аварийного сигнала (34);
 - Конструкция электродвигателя печки (35) и клеммы для выключения работы стоп-сигнала (36);
 - Реле подачи тока для прогрева заднего стекла (37);
 
- Комплект резисторов электродвигателя печки ВАЗ 2106 (38);
 - Проводка к лампе света в вещевом ящике (39);
 - Список выключателей наружного света (40), прогрева задней поверхности стекла (41), а также системы зажигания (42);
 - Комплект переключателей с ближнего на дальний свет (43), стеклоочистителя (46) и стрелки-указателя поворота машины (44);
 - Специальные типы выключателей сигнала машины (45), универсального смывателя для лобового стекла (47) и регуляторы света на приборной доске и сигнала при аварийной ситуации.
 
Проверка модуля и регулировка зажигания ВАЗ 2107 (инжектор)
Модуль зажигания ВАЗ 2107 (инжектор) – это агрегат, неисправности которого диагностировать довольно сложно
На проблемы в работе модуля обращают внимание только после появления серьезных неисправностей в работе двигателя. Если двигатель не запускается, стоит попробовать отрегулировать зажигание. Если двигатель работает неравномерно, может потребоваться серьезная проверка работоспособности модуля зажигания ВАЗ 2107
Если двигатель работает неравномерно, может потребоваться серьезная проверка работоспособности модуля зажигания ВАЗ 2107.
Зажигание – это электронная система, которая преобразует низкое напряжение электрической системы автомобиля в высокое напряжение и подает последнее на электроды свечи зажигания.
Проверка элементов системы зажигания
Скачки двигателя, особенно под дождем, являются результатом нарушения изоляции высоковольтных кабелей. Изоляция проводов не должна иметь трещин и повреждений. Проверить изоляцию на наличие повреждений можно с помощью провода, подключенного к «массе». Если провести им по изоляции при работающем двигателе, на участках с поврежденной изоляцией будет наблюдаться искра. Еще один явный признак плохой изоляции – очевидное поражение электрическим током при прикосновении к высоковольтным проводам при работающем двигателе.
Обрыв жилы высоковольтного провода легко определить с помощью омметра. Сопротивление должно быть в пределах 3-10 кОм. Разброс индикаторов между проводами не должен быть более 1-2 кОм.
Признаки поломки
При включении зажигания загорается световой индикатор неисправности ЭБУ, который должен погаснуть после запуска двигателя. Горящая лампочка – первый признак проблем с системой зажигания. Другими предпосылками для диагностики модуля зажигания являются колебания оборотов двигателя и проблемы с запуском. Причиной таких сбоев могут быть неисправные высоковольтные кабели или свечи зажигания, поэтому перед запуском диагностики зажигания ВАЗ 2107 (инжектор) необходимо убедиться в их исправности. Пропуски зажигания в цилиндрах часто возникают из-за проблем со сжатием или повреждения прокладки впускного коллектора. Это необходимо учитывать при поиске причин отказа двигателя.
Подготовка к диагностике зажигания
Для проверки состояния элементов системы зажигания и модуля в целом вам понадобится мультиметр – прибор, предназначенный для измерения электрических характеристик системы (сопротивления, напряжения, тока). Его можно использовать для определения напряжения, подаваемого модулем на катушку зажигания, состояния катушки и причин потери тока в цепи. Для удобства использования модуль зажигания можно вынуть наружу.
Снятие модуля зажигания Ваз 2107
- 
Снимите корпус воздушного фильтра.
 - Отсоедините отрицательную клемму от аккумуляторной батареи.
 - Отсоедините высоковольтные кабели от крышки модуля зажигания.
 - Откручиваем три гайки крепления модуля зажигания ВАЗ 2107 и отсоединяем его от кронштейна.
 
Проверка катушки зажигания
Катушка проверяется по двум показателям: наличие короткого замыкания и обрыва. Перед диагностикой отключите катушку зажигания. Далее один зонд прибора подключается к центральному контакту катушки, второй – к корпусу (земле). Если дисплей показывает сопротивление до бесконечности, короткого замыкания нет.
Первичная обмотка катушки на обрыв цепи происходит иначе. Щупы прибора необходимо подключить к левому и правому контактам. Сопротивление между ними должно быть в пределах 3-3,5 Ом.
Если значения сопротивления первичной обмотки не соответствуют норме или в катушке произошло короткое замыкание на корпус, ее необходимо заменить.
Регулировка зажигания
Замена форсунки ВАЗ 2107 не требует регулировки угла опережения зажигания. Электронный блок управления использует датчик для самостоятельного определения оптимального момента зажигания. Участие автовладельца в наладке работы ограничивается синхронизацией двигателя с помощью меток.
Чтобы проверить работоспособность ЭБУ и работоспособность датчиков, необходимо подключить компьютер со специализированным программным обеспечением. Таким образом можно определить причину большинства неисправностей в электронной системе зажигания.
Также стоит самостоятельно проверить работу датчика положения дроссельной заслонки. При закрытой дроссельной заслонке напряжение на датчике не должно быть больше 0,55 вольт, при полностью открытом – 4,5 вольта. Измерения производить вольтметром при включенном зажигании.
Особенности схемы автомобилей ВАЗ-2106
Предохранитель электродвигателя вентилятора;
Чтобы в части электропроводки не возникали лишние проблемы, следует раз в полгода делать осмотр предохранительных устройств. Датчик указателя уровня и резерва топлива; Номинал подбирается в зависимости от потребителя.
Фары; 2. Процедуру замены проводки не следует производить без электрической схемы подключения приборов, чтобы исключить путаницы во время монтажных работ.
Как и в любой машине, у данной модели могут возникнуть неисправности в электроцепи, поэтому электрическая схема будет незаменима для выявления и устранения таких проблем. Лампа освещения вещевого ящика; Переключатель стеклоочистителя и омывателя ветрового стекла; Однако если снять ее по силам, то вот поставить обратно почти наверняка не получится.
Цепи питания этих узлов электрооборудования, работа которых может потребоваться при любых обстоятельствах, всегда подключены к аккумуляторной батарее независимо от положения ключа в выключателе зажигания. Реле включения звуковых сигналов;
От своего предшественника ВАЗ он отличался более мощным двигателем, объём которого составляет 1,6 л, модифицированным кузовом и салоном. Как защищены основные элементов проводки машины ВАЗ? Процедуру замены проводки не следует производить без электрической схемы подключения приборов, чтобы исключить путаницы во время монтажных работ. На автомобили люксовых модификаций устанавливали систему обогрева заднего стекла.
Схема электрического оборудования автомобиля ВАЗ 2106
Номинал подбирается в зависимости от потребителя. Генератор;
			Электромагнитный клапан карбюратора; 8. Выключатель освещения приборов;  Аккумуляторная батарея; 5.
			ВАЗ-2106. Электропроводка, ручки дверей, замок зажигания.
Схема подключения ВАЗ 2106 выпуска до 1993 года
Полная схема подключения ВАЗ 2106
Расшифровка устройств на схеме: 1 — Бортовые поворотники; 2 — подфарники; 3 — внешние фары; 4 — внутренние фары; 5 — сигнал ВАЗ 2106; 6 — вентилятор охлаждения движка; 7 — датчик включения вентилдятора охлажэдения мотора; 8 — реле сигнала; 9 — реле включения вентилятора; 10 — регулятор напряжения; 11 — катушка зажигания ВАЗ 2106; 12 — электродвигатель омывателя ветрового стекла; 13 — датчик тормозной жидкости; 14 — распределитель зажигания; 15 — электродвигатель стеклоочистителя; 16 — свечи зажигания; 17 — датчик контрольки даывления масла; 18 — датчик указателя давления масла; 19 — датчик указателя ТОЖ; 20 — подкапотная лампочка; 21 — электромагнитный клапан карбюратора; 22 — генератор; 23 — стартер ВАЗ 2106; 24 — аккумулятор; 25 — реле контрольки заряда аккумулятора; 26 — реле включения ближнего света фар; 27 — реле включения дальнего света фар; 28 — реле стеклоочистителя; 29 — дополнительный блок предохранителей; 30 — основной блок преждохранителей; 31 — выключатель света заднегохода; 32 — выключатель контрольки ручника; 33 — розетка переноски; 34 — реле прерыватель поворотов и аварийки; 35 — электромотор отопителя; 36 — выключатель сигналов тормоза; 37 — реле обогрева заднего стекла; *38 — доп. резистор отопителя; 39 — свет багажника; 40 — выключатель наружного освещения; 41 — выключатель обогрева заднего стекла; 42 — замок зажигания; 43 — переключатель фар; 44 — переключатель поворотов; 45 — выключатель сигнала; 46 — переключатель стеклоочистителя; 47 — выключатель омывателя ветрового стекла; 48 — выключатель освещения приборов; 49 — выключатель аварийки; 50 — прикуриватель ВАЗ 2106; 51 — выключатель отопителя; 52 — контролька уровня жидкости в бачке тормозов; 53 — выключатель сигналки открытых передних дверей; *54 — лампы сигнализации открытых передних дверей; 55 — выключатели плафонов в передних дверях; 56 — указатели уровня топлива с контролькой резерва; 57 — указатель ТОЖ; 58 — указатель давления масла с контролькой; 59 — тахометр; 60 — котролька ручника; 61 — контролька заряда аккумулятора; 62 — контролька дроссельной заслонки карбюратора; 63 — спидометр; 64 — контролька включения наружного освещения; 65 — контролька включения поворотов; 66 — контролька включения дальнего света фар; 67 — реле-прерыватель конрольки ручника; 68 — выключатель контрольки заслонки карбюратора; 69 — часы; 70 — выключатель ламп в задних дверях; 71 — лампы света салона; 72 — элемент обогрева заднего стекла; 73 — свет багажника; 74 — датчик уровня и резерва топлива; 75 — задние фонарики; 76 — фонари освещения номера
Левая нижняя часть схемы электропроводки ВАЗ-2106

В этой части схемы показаны элементы и запчасти, отвечающие за работу двигателя и системы электропроводки (стартеры, реле и так далее). Глядя сверху вниз, вы можете увидеть следующие элементы:
- Комплект электромагнитных клапанов карбюратора (21);
 - Конструкция автомобильного генератора (22) и самого стартера (23);
 - Клеммы аккумулятора (24);
 - Набор разнотипных реле, отвечающих за получение заряда всей системы от аккумуляторов (25), включение фар ближнего (26) и дальнего света (27), а также реле, управляющее работой стеклоочистителя (28);
 - В конце указано подключение к дополнительному блоку предохранителей (29).
 
Электрическая схема включения сигнала на ВАЗ 2106 выпуска до 1993 года
Электросхема звукового сигнала находится всегда под напряжением. При выключенном моторе электропитание поступает от аккумулятора. При работающем двигателе напряжение подается от генератора. Включение и выключение сигнала осуществляется переключателем 5 с помощью реле сигнала 6. От переключателя 5 напряжение поступает на катушку реле 6. Под воздействием напряжения катушка релюшки соединяет контакты 4 и 3. При этом поступает напряжение на два сигнала и они создают звук (сигнал).
Описание пометок на электросхеме: 1 — Сигналы; 2 — аккумуляторная батарея; 3 — генератор; 4 — главный блок пальчиковых предохранителей ВАЗ 2106; 5 — выключатель сигнала в 3-х рычажном переключателе; 6 — реле включения сигнала
Как защищены основные элементов проводки машины ВАЗ-2106?
Электропроводка машины защищена предохранителями, которые в основном установлены в центральном и вспомогательном блоке, расположенном внизу панели приборов с левой стороны рядом с рулевой колонкой. Цепь от аккумулятора к клеммам и деталям замыкается при включении зажигания на автомобиле.
При повреждении одного из элементов цепи срабатывает предохранитель. При выходе из строя основного комплекта предохранителей срабатывают запасные предохранители, которые дополнительно устанавливаются рядом с блоком розжига. При обнаружении перегоревшего предохранителя недостаточно просто заменить его – нужно детально изучить проводку и выяснить причину сгорания этой запчасти в ВАЗ-2106.
Схема электрооборудования и электропроводки должна помочь вам быстро найти и устранить неисправности в работе фар, индикаторов приборной панели и других систем вашего ВАЗ-2106.
Не защищены предохранителями
- Стартер
 - Система зажигания
 - Цепь заряда аккумуляторной батареи
 - Реле ближнего света
 - Реле дальнего света
 
Термобиметаллические предохранители
- Стеклоочиститель (с 1985 г.) — встроен в цепь электродвигателя
 - Стеклоподъемники — встроен в цепь электродвигателя
 
- Реле аварийной сигнализации и указателей поворота (’77-’85 — 23.3747, ’85-’01 — 231.3747) — закреплено на переднем щите за комбинацией приборов.
 - Реле лампы сигнализатора заряда аккумуляторной батареи (РС 702) — закреплено на брызговике правого лонжерона в моторном отсеке двумя саморезами. Под один из саморезов установлен наконечник «массы».
 - Реле ближнего света фар — Б (113.3747, 90.3747 (РС 527)) — закреплено на брызговике правого лонжерона в моторном отсеке.
 - Реле дальнего света фар — А (113.3747, 90.3747 (РС 527)) — закреплено на брызговике правого лонжерона в моторном отсеке.
 - Реле стеклоочистителя (РС 514) — установлено под панелью приборов со стороны водителя и к кузову прикреплено двумя винтами.
 - Регулятор напряжения (РР 380, РС 702, РС 121, 59.3702, 592.3702, 591.3702, 591.3702-01) — закреплено на брызговике левого лонжерона в моторном отсеке.
 - Реле звуковых сигналов (РС 528) — закреплено на брызговике левого лонжерона в моторном отсеке.
 - Реле вентилятора системы охлаждения (90.3747-10, 113.3747-10) — закреплено на брызговике левого лонжерона в моторном отсеке. (c 2000 г. не устанавливается)
 - Реле-прерыватель контрольной лампы стояночного тормоза (РС 492) — расположено за щитком приборов. (С 1994г. не применяется)
 - Реле обогрева заднего стекла — расположено за щитком приборов.
 
Схема предохранителей и реле ВАЗ 2106, 21061, 21063, 21065 — оборудованных двигателем: 1.6л (ВАЗ 2106), 1.5л (ВАЗ 2103) или 1.3л (ВАЗ 21011) (1976-2001)
Пока морозы, думаю в вых. электрикой заняться, хочу поставить волгоблок предохранителей. Схемка родного.
Контролируемые цепи питания:
Предохранитель F 1 (16 А)— звуковой сигнал.— штепсельная розетка для переносной лампочки .— прикуриватель.— лампочки сигнала торможения.— часы.— плафоны внутреннего освещения кузова
Предохранитель F 2 (8 А)— реле стеклоочистителя.— электродвигатель отопителя.— электродвигатели стеклоочистителя и омывателя ветрового стекла
Предохранитель F 3 (8 А)— дальний свет (левые фары).— лампочка сигнализатора включения дальнего света
Предохранитель F 4 (8 А)— дальний свет (правые фары)
Предохранитель F 5 (8 А)— ближний свет (левая фара)
Предохранитель F 6 (8 А)— ближний свет (правая фара).— задний противотуманный фонарь
Предохранитель F 7 (8 А)— габаритный свет (левый подфарник, правый задний фонарь).— лампочка освещения багажника.— правый фонарь освещения номерного знака.— лампочки освещения приборов.— лампочка подсветки прикуривателя
Предохранитель F 8 (8 А)— габаритный свет (правый подфарник, левый задний фонарь).— левый фонарь освещения номерного знака.— подкапотная лампочка.— лампочка сигнализатора габаритного света
Предохранитель F 9 (8 А)— указатель давления масла с лампой сигнализатора.— указатель температуры охлаждающей жидкости.— указатель уровня топлива— лампочка сигнализатора заряда аккумуляторной батареи.— указатели поворота и соответствующая лампочка сигнализатора.— сигнализатор приоткрытия воздушной заслонки карбюратора.— обмотка реле обогрева заднего стекла
Предохранитель F 10 (8 А)— регулятор напряжения.— обмотка возбуждения генератора
Предохранитель F 11 (8 А)— резервный
Предохранитель F 12 (8 А)— резервный
Предохранитель F 13 (8 А)— резервный
Предохранитель F 14 (16 А)— элемент обогрева заднего стекла
Предохранитель F 15 (16 А)— электродвигатель вентилятора системы охлаждения
Предохранитель F 16 (8 А)— указатели поворота в режиме аварийной сигнализации
ВАЗ-2106 так же известен под названиями «Жигули-1600»/«Lada-1600». Годы производства: 1976, 1977, 1978, 1979, 1980, 1981, 1982, 1983, 1984, 1985, 1986, 1987, 1988, 1989, 1990, 1991, 1992, 1993, 1994, 1995, 1996, 1997, 1998, 1999, 2000, 2001, 2002, 2003, 2004, 2005 и 2006. В данной статье вы найдете описание предохранителей и реле Ваз 2106 со схемой блока. Выделим предохранитель отвечающий за прикуриватель.
p, blockquote 1,0,0,0,0 —>
p, blockquote 2,0,0,0,0 —>
Левая нижняя часть схемы электропроводки ВАЗ-2106

На этой части схемы показываются элементы и запчасти, отвечающие за работу двигателя и системы электропроводки (стартеры, реле и т.д.). При просматривании сверху вниз можно увидеть следующие элементы:
- Комплект электромагнитных клапанов карбюратора машины (21);
 - Конструкция генератора автомобиля (22) и непосредственно сам стартер (23);
 - Аккумуляторные клеммы батареи (24);
 - Комплект различных типов реле, отвечающих за получение заряда для всей системы от аккумуляторных батарей (25), включение фар с ближним (26) и дальним светом (27), а также реле, контролирующее работу стеклоочистителя (28);
 - В конце указывается подключение к дополнительному блоку предохранителей (29).
 
Схема электрооборудования автомобиля ваз-2106
Схема электрооборудования автомобилей ВАЗ-2106, ВАЗ-21061, ВАЗ-21065, (сделайте клик по картинке, для открытия в большом размере)
1 — боковые указатели поворота; 2 — подфарники; 3 — наружные фары; 4 — внутренние фары; 5 — звуковые сигналы; б — электродвигатель вентилятора системы охлаждения двигателя ваз 2106; 7 — датчик включения электродвигателя вентилятора ваз 2106; 8 — реле включения звуковых сигналов; 9 — реле включения электродвигателя вентилятора ваз 2106; 10 — регулятор напряжения ваз 2106; 11 — катушка зажигания ваз 2106; 12 — электродвигатель омывателя ветрового стекла; 13 — датчик недостаточного уровня тормозной жидкости; 14 — распределитель зажигания; 15 — электродвигатель стеклоочистителя; 16 — свечи зажигания ваз 2106; 17 — датчик контрольной лампы давления масла; 18 — датчик указателя давления масла; 19 — датчик указателя температуры охлаждающей жидкости; 20 — подкапотная лампа; 21 — электромагнитный клапан карбюратора ваз 2106; 22 — генератор ваз 2106; 23 — стартер ваз 2106; 24 — аккумуляторная батарея; 25 — реле контрольной лампы заряда аккумуляторной батареи; 26 — реле включения ближнего света фар; 27 — реле включения дальнего света фар ваз 2106; 28 — реле стеклоочистителя; 29 — дополнительный блок предохранителей; 30 — основной блок предохранителей; 31 — выключатель света заднего ходы; 32 — выключатель контрольной лампы стояночного тормоза; 33 — штепсельная розетка переносной лампы; 34 — реле-прерыватель указателей поворота и аварийной сигнализации; 35 — электродвигатель отопителя; 36 — выключатель стоп-сигнала; 37 — реле обогрева заднего стекла*; 38 — резистор электродвигателя отопителя; 39 — лампа освещения вещевого ящика; 40 — выключатель наружного освещения; 41 — выключатель обогрева заднего стекла*; 42 — выключатель зажигания; 43 — переключатель ближнего-дальнего света; 44 — переключатель указателей поворота; 45 — выключатель звукового сигнала; 46 — переключатель стеклоочистителя; 47 — выключатель смывателя ветрового стекла; 48 — выключатель (регулятор) освещения приборов; 49 — выключатель аварийной сигнализации; 50 — прикуриватель; 51 — переключатель отопителя; 52 — контрольная лампа уровня тормозной жидкости; 53 — выключатели фонарей сигнализации открытых передних дверей; 54 — фонари сигнализации открытых передних дверей; 55 — выключатели плафонов, расположенные в стойках передних дверей; 56 — указатель уровня топлива с контрольной лампой резерва топлива; 57 — указатель температуры охлаждающей жидкости ваз 2106; 58 — указатель давления масла с контрольной лампой; 59 — тахометр ваз 2106; 60 — контрольная лампа стояночного тормоза; 61 — контрольная лампа заряда аккумуляторной батареи; 62 — контрольная лампа воздушной заслонки карбюратора; 63 — спидометр ваз 2106; 64 — контрольная лампа наружного освещения; 65 — контрольная лампа указателей поворота; 66 — контрольная лампа дальнего света фар; 67 — реле-прерыватель контрольной лампы стояночного тормоза; 68 — выключатель контрольной лампы воздушной заслонки карбюратора; 69 — часы; 70 — выключатели плафонов, расположенные в стойках задних дверей; 71 — плафоны; 72 — элемент обогрева заднего стекла*; 73 — лампа освещения багажника; 74 — датчик указателя уровня и резерва топлива; 75 — задние фонари; 76 — фонари освещения номерного знака.
Особенности и схема проводки «классики» ВАЗ
Основными характеристиками, которыми обладает схема проводки ВАЗ 2106, являются следующие:
- активация электрических цепей напрямую через замок зажигания;
 - соединение с АКБ с участием блока предохранителей;
 - токопроводящие корпуса ключевых узлов.
 

Таким образом, в случае выхода из строй какой-либо системы, искать неисправности целесообразно непосредственно с замка зажигания и контактной группы.
Роль этого узла заключается в следующем:
- управляет системой зажигания автомобиля;
 - играет противоугонные, в том числе, охранные функции;
 - позволяет буксировку неисправного авто с включенной «аварийкой».
 
Что входит в электросхему?

Отечественная желтая «шестерка»
Вне зависимости от того, какая схема зажигания в вашем ВАЗ 2106 — контактная или бесконтактная (бсз), электросхема транспортного средства включает в себя такие компоненты:
- аккумуляторная батарея с минусовым контактом на кузов автомобиля;
 - устройство стартера с выходом «50»;
 - генератор — один из основных элементов электросхемы ВАЗ 2106;
 - монтажный блок с предохранителями, защищающими цепи устройств питания;
 - выключатель зажигания;
 - реле регулятора.
 
Необходимо отметить, что электросхема автомобиля ВАЗ 2106 с бсз или без него изначально выполнена с учетом однопроводного типа соединения компонентов электрического оборудования. По сути, это значит, что отрицательные контакты электрооборудования выводятся на массу, то есть кузов транспортного средства. Что касается проводного соединения, то оно обеспечивается исключительно плюсовой проводкой.
Выявление неисправностей

Схема проводки на «шестерке»
Если на ВАЗ 2106 приходится искать неисправность проводки, во время проведения ремонтных работ необходимо полностью обесточить электросхему. Для этого потребуется отсоединить минусовой провод с клеммы аккумулятора, в противном случае в электросхеме ВАЗ 2106 может возникнуть короткое замыкание. Диагностика поломок выявляется с использованием схемы, приведенной выше.
Если в работе проводки имеются перебои, есть несколько вариантов поведения автомобиля при этом:
Машина не может сдвинуться с места и не заводится. Причин возможных неисправностей может быть множество, но в первую очередь необходимо проверять стартер, трамблер, работоспособность АКБ. Как правило, полный разряд аккумулятора является одной из самых распространенных причин
Гораздо реже из строя выходит генератор, но диагностике этого элемента на ВАЗ 21062 с бсз также следует уделить внимание.
Машина двигается, но один или несколько элементов электросхемы работают неправильно. К примеру, это могут быть сбои в работе света в салоне, поворотных сигналов, обогрева заднего стекла либо оптики
Если это так, то в первую очередь необходимо проверить блок предохранителя и выявить выгоревшие элементы. Если все предохранители целые, то в случае с оптикой сначала проверяется работоспособность ламп, после чего осуществляется прозвонка проводки машины ВАЗ 21063 с бсз или без него.
Специалисты рекомендуют начинать диагностику поломки с проверки выключателя зажигания, поскольку он выполняет следующие функции:
- осуществляет управление всеми возможностями системы зажигания;
 - управляет работой охранной, а также противоугонной системами ВАЗ 21063;
 - позволяет производить буксировку 21063 с работающей световой сигнализацией (автор видео — Andrey Aleksandrov).
 
Особенности электрической проводки моделей «классики»
Основными характеристиками, которыми обладает схема эл проводки ВАЗ 2106, являются следующие:
- активация электрических цепей напрямую через замок зажигания;
 - соединение с АКБ с участием блока предохранителей;
 - токопроводящие корпуса ключевых узлов.
 
Цветная заводская схема (1900х1500) электрических компонентов
Таким образом, в случае выхода из строй какой-либо системы, искать неисправности целесообразно непосредственно с замка зажигания и контактной группы.
Роль этого узла заключается в следующем:
- управляет системой зажигания автомобиля;
 - играет противоугонные, в том числе, охранные функции;
 - позволяет буксировку неисправного авто с включенной «аварийкой».
 

            


























