Моторный отсек Mercedes-Benz 190 D (W124) 1984 года (NA) (фото 190 из 240) ? США и Канада
Моторный отсек автомобиля Mercedes-Benz 190 D 1984 года.На предоставленной фотографии вы можете ознакомиться с моторным отсеком этого автомобиля, узнаете, как выглядит подкапотное пространство этого автомобиля.
А также скачать эту фотографию и использовать как обои для рабочего стола с изображением двигателя автомобиля Mercedes-Benz 190 D 1984 года бесплатно, нажав на иконку в правой, нижней части изображения.
Галерея автомобиля Mercedes-Benz 190 D 1984 года включает в себя 240 фотографий в высоком разрешении.
Изображенный на фотографиях автомобиль был выпущен в 1984 году, в кузове W124. Автомобиль предназначен для рынка США и Канады. Номер кузова: WDB2011221A142738
Стоимость автомобиля на момент продажи составляла 4 600 долларов США (что составило 300 988 руб. по курсу НБ РФ на день продажи).
Другие галереи Mercedes-Benz 1984 года
- 1990 Oldsmobile 88 Royale Coupe
- 2010 International TerraStar Firetruck
- 2018 Haval H9
- 2011 Hyundai Elantra
- 2007 Bugatti Veyron 16.4 Pur Sang
- 2015 Volkswagen Multivan
- Страна: Германия
- Годы работы: 1890 — н.в.
Немецкий автомобильный концерн «Daimler» в современном виде был образован в далеком 1926.
Модели Mercedes-Benz
- 190 (W201)
- 190 SL
- A-Class
- A-Class AMG
- Actros
- AMG GLC Coupe
- AMG GLE
- AMG GLE Coupe
- AMG GT
- AMG GT 4-Door
- AMG Project ONE
- Arocs
- B-Class
- C-Class
- C-Class AMG
- Citan
- Citaro
- CL-Class
- CL-Class AMG
- CLA-Class
- CLA-Class AMG
- CLC-Class
- CLK-Class
- CLK-Class AMG
- CLS-Class
- CLS-Class AMG
- E-Class
- E-Class AMG
- EQC-Class
- EQS
- EQV-Class
- G-Class
- G-Class AMG
- G-Class AMG 6×6
- GL-Class
- GLA-Class
- GLA-Class AMG
- GLB-Class
- GLB-Class AMG
- GLC Coupe
- GLC-Class
- GLC-Class AMG
- GLE
- GLE Coupe
- GLK-Class
- GLS-Class
- GLS-Class AMG
- M-Class
- M-Class AMG
- Maybach G-Class
- Maybach GLS-Class
- Maybach S-Class
- Metris
- R-Class
- S-Class
- S-Class AMG
- SL-Class
- SL-Class AMG
- SLC-Class
- SLC-Class AMG
- SLK-Class
- SLK-Class AMG
- SLR McLaren
- SLS AMG
- Sprinter
- Unimog
- V-Class
- Vaneo
- Viano
- Vito
- W100
- W111
- W123
- X-Class
- Zetros
Популурные галереи
- FAW J6 8×4 Dump Truck 2007 года
- Tatra T93R 6×6 1941 года
- Proton GEN-2 Persona 2008 года
- Jaguar E-Type 4.2 Roadster (Series I) 1966 года
- Audi RS6 Avant by Oettinger 2004 года
- Mercedes-AMG C43 4Matic Cabriolet Night Edition 2017 года
- Daihatsu Sirion 2007 года
- Ford F-5 Truck 1951 года
- MAN TGE 3.140 Van 2017 года
- Chevrolet Silverado ZR2 Concept 2009 года
- Toyota Corolla Ascent Sport 2018 года
При использовании информации в электронном виде (интернет-сайт, электронный файл и т. п.) в каждом случае необходимо размещение активной гиперссылки на главную страницу Сайта или на страницу размещения соответствующего материала.
Все замечания и вопросы по сотрудничеству направляйте по электронной почте: auto@vercity.ru.
Обращаем ваше внимание на то, что изображения являются чьей-либо собственностью и добавлены посетителями сайта. Администрация сайта не располагает информацией о правомерности публикования этих материалов
Администрация сайта не располагает информацией о правомерности публикования этих материалов.
Unofficial International Mercedes-Benz 190 w201 Club & Forum
Клуб любителей Mercedes-Benz 190 в кузове w201
Текущее время: 19 мар 2021, 02:22
ДОБРО ПОЖАЛОВАТЬ! Темы Сообщения Последнее сообщение
СКАЖИ ВСЕМ ПРИВЕТ! Раздел для новичков.В этом разделе вы можете со всеми поздороваться и рассказать о себе. 66 7552 W201FE 25 янв 2021, 07:28
АВТОПАРК Темы Сообщения Последнее сообщение
FAQ | КЛАДЕЗЬ НАРОДНОЙ МУДРОСТИКвалифицированные советы владельцам автомобилей. Подфорум:Опции 286 6290 vlad&mers 09 фев 2021, 18:11 ФОТООТЧЕТЫ О ПРОДЕЛАННОЙ РАБОТЕАвторский раздел. Подробное описание ремонта, тюнинга собственными силами с комментариями и приложенными фото. 475 21207 vlad&mers 30 янв 2021, 16:54 РЕМОНТНАЯ ЗОНАОбсуждение и решение технических проблем, связанных с эксплуатацией автомобиля. Подфорумы:Двигатели, системы питания и зажигания, KE-Jetronic, Карбюратор, Дизельные системы впрыска, ЦПГ, ГРМ, КШП, Системы охлаждения, Альтернативные системы впрыска, Трансмиссия, Механическая коробка переключения передач, АКПП и все что с ней связано, Главная пара, шрусы и кардан, Кузов и салон, Тормозная система, Электрооборудование, Подвеска и рулевое управление, Отопление, вентиляция и кондиционирование воздуха салона., Дополнительные системы автомобиля. 11095 189096 AlexecI 08 мар 2021, 11:47 ФОТО НАШИХ АВТОФотографии наших Мерседесов и комментарии к ним, своего рода досье на автомобили. 944 67901 максW190 16 фев 2021, 08:19 ТЮНИНГОбвес, подвеска, резина, тонировка, увеличение мощности, кузовной тюнинг, установка аудио и т.п. Подфорумы:Диски/Шины, Тормоза, Кузов и салон, Подвеска, Двигатель, Выхлоп, Звук и электрика, Трансмиссия 1888 61557 Invictus 29 янв 2021, 15:57 ДОСКА ОБЪЯВЛЕНИЙПокупка, продажа, обмен автомобилей, запчастей и проч
Подфорумы:Продам запчасти для Mercedes 190 w201, ПРОДАМ автомобиль целиком, КУПЛЮ, Ремонт KE-Jetronic в Санкт-Петербурге, Барахолка по w124, Барахолка по 202, Внимание! Кидалы., Продам разное, ОБМЕН 266 3091 Borrisych&Kisa 15 мар 2021, 22:40 ПОЛЕЗНЫЕ АДРЕСА (автосервисы магазины заправки)Если вы удачно отремонтировали автомобиль и хотите посоветовать мастера одноклубникам или наоборот, если вас надули, что-то втюхали или что-то некачественно сделали, пишите сюда! Не забудьте отметить: «+» полезно, «-» бесполезно. 229 2355 Borrisych&Kisa 19 фев 2020, 23:09. ОБЩЕНИЕ ЧЛЕНОВ КЛУБА Темы Сообщения Последнее сообщение
ОБЩЕНИЕ ЧЛЕНОВ КЛУБА Темы Сообщения Последнее сообщение
- ОБЩЕНИЕ НА РАЗЛИЧНЫЕ ТЕМЫОбщение на различные темы 8139 330699 noise Вчера, 22:40
- МЕРСОТУСОВКИВстречи членов клуба W201CLUB на просторах союзных государств. 617 23275 Borrisych&Kisa 14 мар 2021, 15:17
- ШУТИМ И СМЕЕМСЯЮмористический раздел. Здесь можно поделиться свежей историей или анекдотом, а также забавными фото. 1533 23950 Модосав 15 мар 2021, 20:27
- АВТОПУТЕШЕСТВИЯПутешествия на автомобиле. Поиск попутчиков, отзывы о кафе, отелях и прочих придорожных заведениях. Где и как лучше проехать. Местные достопримечательности, фотоотчеты. 227 3924 Borrisych&Kisa 17 фев 2020, 23:32
- АВТОЛЮБИТЕЛИ И ЗАКОНПравовая информация, рассматриваем юридические случаи. 262 4498 Костя1990 29 май 2020, 12:28
- ПАРТНЕРСТВО И СОТРУДНИЧЕСТВО ЧЛЕНОВ КЛУБАКто кем работает, у кого какие возможности. 242 2078 Borrisych&Kisa 17 фев 2020, 21:03
- КОНТАКТЫ УЧАСТНИКОВ ФОРУМАТелефон, адрес, информация о себе. 109 918 Михась 25 май 2019, 00:09
- ЛОГОТИП, ВИЗИТКИ, ФЛАГИ, НАКЛЕЙКИ, РУБАШКИ, ФУТБОЛКИ, КЕПКИ клуба w201club.com(применение, исходники, украшение раб. стола) 65 2013 mercianin 01 мар 2021, 22:03
- ПОЛЕЗНЫЕ ССЫЛКИЕсли вы встретили в сети интересный и толковый сайт, напишите здесь отзыв о нем и не забудьте оставить ссылку. 181 1100 zibsemen 09 дек 2020, 01:03
ДРУГИЕ НАШИ АВТО Темы Сообщения Последнее сообщение
- ЭКСПЛУАТАЦИЯ w202 & w203 & w204 & w208 & w209Общие вопросы по эксплуатации. Подфорумы:ТЕХНИЧЕСКИЕ ВОПРОСЫ, ФОТО НАШИХ w202 174 8651 vlad&mers 26 янв 2021, 17:36
- W124 ЭКПЛУАТАЦИЯВсе что вы хотели знать о 124 кузове, но боялись спросить. Подфорумы:ТЕХНИЧЕСКИЕ ВОПРОСЫ, ФОТО НАШИХ W124 88 5943 Daniel 17 апр 2019, 13:04
- КРЕДИТВАГЕНЫВсевозможные фокусы, рено, мазды и прочее. Подфорум:Фотографии кредитвагенов 41 3573 mrSurkoff 14 мар 2019, 12:08
Кто сейчас на конференции
Всего посетителей: 102, из них зарегистрированных: 2, скрытых: 0 и гостей: 100 (основано на активности пользователей за последние 5 минут)Больше всего посетителей (405) здесь было 16 май 2020, 18:34
Зарегистрированные пользователи: Google , Majestic-12 Легенда: Администраторы
Статистика
Всего сообщений: 778217 • Тем: 26997 • Пользователей: 3621 • Новый пользователь: sashka20125
Источник статьи: http://www.w201club.com/forum/index.php?showtopic=13875
Mercedes-Benz 190, 190E & 190D (W 201) — Petrol & Diesel (1983-1993)
Haynes workshop manual on the Mercedes-Benz 190, 190E and 190D (series W 201), petrol and diesel.
Petrol engines:- 4 cylinders — 1.8 (1797 cc, 102.910), 2.0 (1996 cc, 102.921/102.924/102.961/102.962), 2.3 (2298 cc, 102.985)- 6 cylinders — 2.6 (2597 cc, 103.942).
Diesel engines:- 4 cylinders — 2.0 (1997 cc, 601.911)- 5 cylinders — 2.5 (2497 cc, 602.911 and 602.961 Turbo).
Production years: 1983-1993.
Exclusions: Please note that this manual does not cover the 16-valves versions 2.3-16, 2.5-16 or 2.5-16 Evolution.
Using photos and step-by-step instructions this Haynes manual on the Mercedes-Benz 190 (W201) describes maintenance, repair and overhaul of the petrol and diesel engines (distribution, belts, valves, camshaft, cylinder head, oil pump, seals and radiator).It also addresses issues related to the heater, fuel system, exhaust, starting and charging system. Furthermore, it covers work on the clutch, gearbox, driveshafts, braking system, suspension, steering gear, body, interior and electrical system.
- Based on a complete strip-down and rebuild.
- Includes a maintenance schedule, technical specifications, torque wrench settings and troubleshooting tables.
- Clear and detailed wiring diagrams for easy reference.
Mercedes 190 Diesel (ab 1983)
Bucheli Reparaturanleitung for service and repair of the Mercedes-Benz 190 Diesel.
Production years: since 1983.
This Bucheli repair manual on the Mercedes-Benz 190 Diesel provides detailed instructions for work on the diesel engine (removal — refitting, crankshaft, connecting rods, pistons, distribution, valves, oil pump, cooling, fuel system).Covers also the clutch, gearbox (only removal and installation), driveshafts, steering system, front and rear suspension, brakes, electrical system and the exhaust.
- Includes comprehensive technical data and torque wrench settings.
- Clear wiring diagrams.
- Reprint of the 11st edition (1990).
Mercedes-Benz 190E (1990 – 1991) – wiring diagrams – fuse panel
Year of productions: 1990, 1991
Fuse panel
Mercedes Benz 190E – wiring diagram – fuse box diagram
| Relay code | Relay use |
| A | K6 Power Seat Relay |
| B | F13 Auxiliarv Fuse Holdee (Power Seats) |
| C | 1 |
| D | K2 Headlamp – Washer Relay |
| R1 | N10 Combination Relay) (Rear Defogger Timer, Wiper/Washer, Hazard/Turn Signal Flasher) |
| R2 | K4 Power Window Relay |
| R3 | K10 Auxiliary Fan Preresistor Relay |
| R4 | Not Used |
| REVISION | |
| 1 | K9 Auxiliary fan relay (model 201,128) |
| K8/1 Relayt for dual auxiliary fans (model (201.128) | |
| 2 | Up to chassis end numbers 1A 313825 and 1F 229814 fuse no. 9 |
| 15 Removed and a bridge is installed between fuse no. 9 and 10 |
| Number | Ampere rating | Circuit protected | Connection to circuit |
| 1 | Auxiliary Fan/Coolnnt Fan, Tempmatic Climate Control, Transmission Kick-Down | 15X | |
| 2 | 8 | Auxiliary Fan/Coolant Fan, Tempmatic Climate Control | 15 |
| 3 | 16 | Auxiliary Fan/Coolant Fan | 30 |
| 4 | 8 | Headlamps (Left High Beam) | 56a |
| 5 | 8 | Headiamps iLefi. High Beam) | 56a |
| 6 | 16 | Rear Defogger | 30 |
| 7 | 16 | Power Windows (Left Front/Right Rear) | 15R |
| 9 | 8 | Anti· Lock Brake System, Backup Lamps, Cruise Control, Gauges, Stop Lamp, Warning Indicators | 15 |
| 10 | 8 without heated seats | Anti· Theft Alarm System, Auxiliary Fan/Coolant Fan, Cruise Control, Engine Overload Protection, Exhaust Gas Recircuiation, Heated Seats, Orthopedic Seats, Outside Heated Mirrors, Right Outside Mirror, Tachometer, Trnnsmission Kick-Down, Wiper/Washer | 15 |
| 16 with heated seats or fuse bridge | |||
| 11 | 8 | Horn, Tempmatic Climate Control, Turn Signal Lamps, Warning System | 15 |
| 12 | 8 | Anti-Theft Alarm System, Central Locking System, Courtesy Lamps, Power Seats | 30 |
| 13 | 8 | Automatic Antenna, Clock, Courtesy Lamps, Hazard Lamps, Radio, Trunk Lamp, Warning System | 30 |
| 14 | 8 | lllumination: Instrument, Cluster/Center Console, Headlamp Wiper/Washer,
Lamps: Parkfraii/Side Mnrker/License/Gear Selector, Warning System |
58R |
| 15 | 8 | Lamps: Parkr/Tail/Side Marker/License/Gear Selector | 58L |
| 16 | 8 | Fog Lamps | 58L |
| 17 | 8 | Headlamps (Right Low Beam) | 56b |
| 18 | 8 | Headlamps (Left Low Beam) | 56b |
| 19 | 8 without slidinn roof | Cigar Lighter, Glove Box Lamp, Radio, Rear Defogger, Sliding Roof | 15R |
| 16 | |||
| 20 | 16 | Headlamps, Headlamp Wiper/Washer, Wiper/Washer | 15R |
| 21 | 25 | Front Power Seat Switches: Front Height, Forward Backward | 15R/30 |
| 22 | 25 | Front Power Seat Switches: Rear Height, Back Rear | 15R/30 |
WARNING: Terminal and harness assignments for individual connectors will vary depending on vehicle equipment level, model, and market.
Коды обозначения цвета изоляции электропроводки
Для проводов приведены обозначения их сечения.
Если программа диагностики обнаруживает какое-то несоответствие сигнал датчика не вписывается в реальный диапазон или противоречит сигналу с другого датчика, отсутствует электропитание и т. Они объединены в группы по функциональному назначению сигналов. Построение электрических схем Прокладка проводов на схемах показана схематично.
При неисправном клапане или в отсутствии управляющего сигнала на обмотке клапана двигатель работать не будет, потому что давление топлива в аккумуляторе будет около бар, что недостаточно для открытия форсунок впрыска. Цветовая маркировка электропроводки: bl — blue синий gn — green зеленый rs — pink розовый ws — white белый x — braided cable экранированный кабель br — brown коричневый gr — grey серый rt — red красный hbl — light blue голубой y — high tension высоковольтный свечной провод el — cream сливочный, кремовый nf — neutral нейтральный, бесцветный sw — black черный hgn — light green светло-зеленый ge — yellow желтый og — orange апельсин, оранжевый vi — violet фиолетовый rbr — maroon бордовый На рис.
Построение электрических схем Прокладка проводов на схемах показана схематично. Структурная схема системы впрыска Common Rail приведена на рис. В табл.
Для обозначения деталей использованы принятые символы, при этом положение всех выключателей и контактов показано для неподвижного закрытого автомобиля с включенным стояночным тормозом. Если параметры эмиссии ОГ не вписываются в стандарты, необходимо проверить герметичность впускной и выпускной системы и провести тесты электронных компонентов системы впрыска. В табл.
Форма поиска

Окончание Таблица 2. Помимо этого контролируется состояние диагностического оборудования. Напряжение на выходе датчика изменяется в пределах 0,3. Обеспечивается проверка формируемых сигналов на логическую достоверность и соответствие реальному диапазону. Фары головного света с ксеноновыми лампами
Следующее далее цифровое обозначение позволяет по таблице определить, где данное соединение размещено в автомобиле. Дело в том, что в аварийном режиме если самодиагностика установит, что датчик FRP неисправен давление в аккумуляторе автоматически поднимается, например,на ХХ его величина будет около бар вместо поло- женных бар , двигатель начинает работать заметно «жестче». Цветовая маркировка электропроводки: bl — blue синий gn — green зеленый rs — pink розовый ws — white белый x — braided cable экранированный кабель br — brown коричневый gr — grey серый rt — red красный hbl — light blue голубой y — high tension высоковольтный свечной провод el — cream сливочный, кремовый nf — neutral нейтральный, бесцветный sw — black черный hgn — light green светло-зеленый ge — yellow желтый og — orange апельсин, оранжевый vi — violet фиолетовый rbr — maroon бордовый На рис.
Уровень эмиссии ОГ должен соответствовать стандарту Евро 2 для автомобилей до г. На схемах также представлены различия в зависимости от модификации и комплектации. Его величина должна быть около 5 В, если это не так, проверяют замок зажигания, предохранители F1, F3, блок реле обеспечения ЕСМ, соответствующие соединения и при необходимости возвращаются к проверке блока ЕСМ. Фары головного света с ксеноновыми лампами
Автоматическая коробка передач — как она работает?
https://youtube.com/watch?v=QrNJd0n8YP4
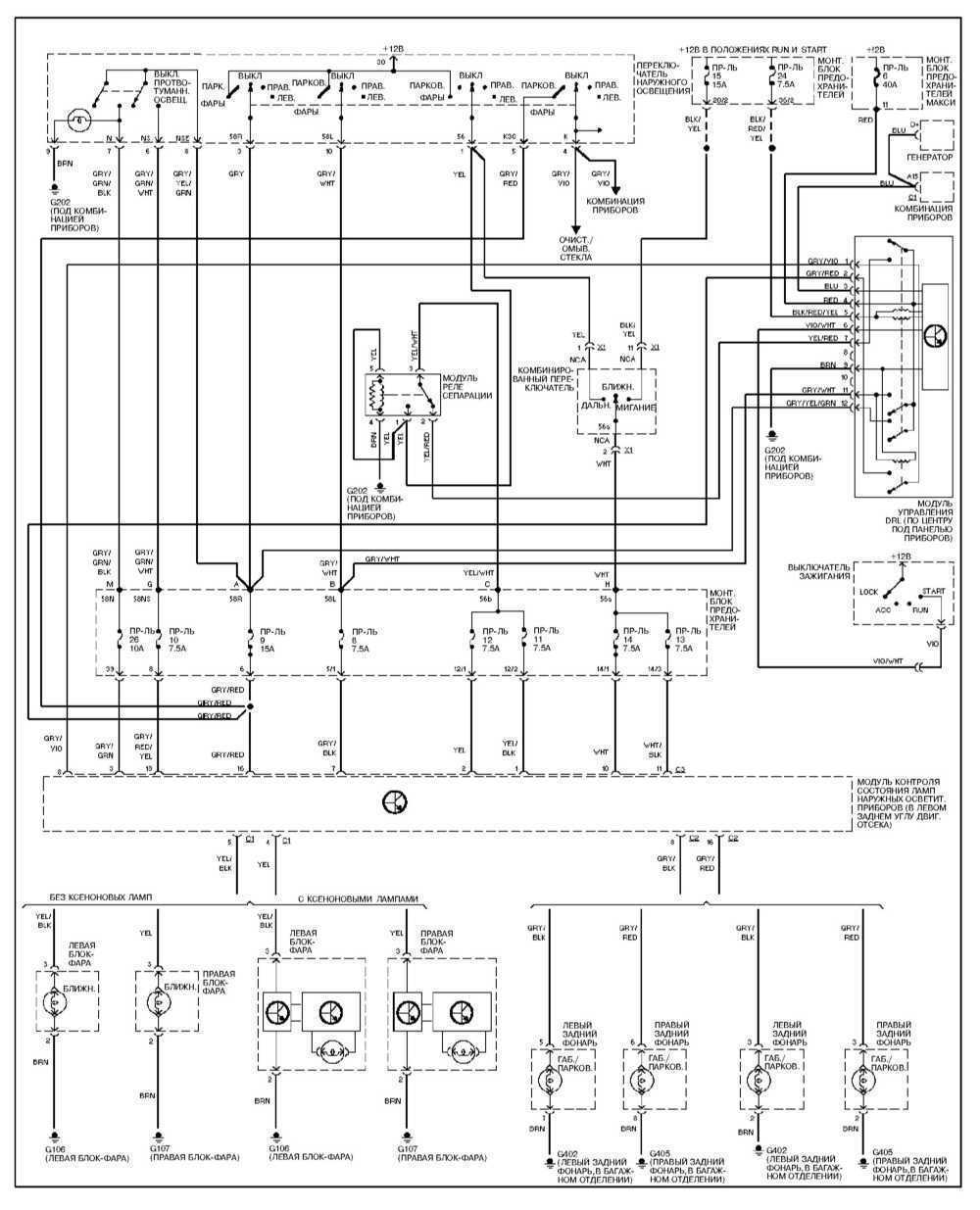
Электросхемы Mercedes-Benz W201
Общие сведения
Сигнализаторы, устройство освещения символов и внутреннее освещение: проверьте их функционирование.
Проверьте наружное освещение, при необходимости отрегулируйте фары.
Проверьте звуковой сигнал.
Проверьте на износ резиновые щетки стеклоочистителей.
Стеклоомыватель: проверьте функционирование, проверьте положение сопла, проверьте стеклоомыватель фар.
Проверьте регулирования угла наклона оптической оси фар.
Все потребители тока: проверьте их функционирование.
Замените резиновые щетки стеклоочистителей ветрового стекла.
Резиновые щетки стеклоочистителей фар: проверьте состояние.
Почистите телескопический стержень антенны.
Проверка функционирования сигнализаторов/наружного освещения
СИГНАЛИЗАТОРЫ
| Порядок выполнения | ||||
|
НАРУЖНОЕ ОСВЕЩЕНИЕ
| Порядок выполнения | ||
|
Проверка регулирования угла наклона оптической оси фар
| Порядок выполнения | |||
|
Очистка телескопического стержня антенны
Необходимые быстроизнашивающиеся детали: очищающая суконная ткань к телескопической антенне.
| Порядок выполнения | |||||
|
Видео про «Электросхемы» для Mercedes-Benz W201
Mercedes-Benz 190Е W201 разбор перетяжка салона KORCH’Ok 4
Восстановление проводки Mercedes 190E, тонна негодования на колхоз..
Система зажигания TSZ Mercedes W124 и W201 — работа
Предохранители и реле Mercedes 190 (W201)
Рассмотрены автомобили Mercedes 190 (W201) 1984, 1985, 1986, 1987, 1989, 1990, 1991, 1992, 1993 года выпуска.
Блок предохранителей в моторном отсеке.
схема расположения предохранителей и реле в блоке.
| Номер | Номинал | Назначение |
|---|---|---|
| 1 | 16А | Дополнительный вентилятор и кондиционер, управление сцеплением компрессора (дизельные двигатели) |
| 2 | 8А |
Форсунки с подогревом Автоматическая коробка передач
Карбюратор (реле подогрева впускного коллектора, обмотка) Вентилятор отопителя, реле включения дополнительного вентилятора кондиционера
3 16А Вентилятор отопителя
4 8А Правая фара дальнего света
5 8А Левая фара дальнего света
6 16А Обогрев заднего стекла
7 16А Стеклоподъемник передний правый, задний левый
8 16А Стеклоподъемник передний левый, задний правый
9 8А Антиблокировочная тормозная система (1985-86), стоп-сигналы, круиз-контроль, датчики и предупреждающие индикаторы, фонари заднего хода
10 8А
Вентилятор и часы,, круиз-контроль, подогрев сидений (при наличии: 16А), ортопедическое сиденье и тахометр, стеклоочиститель / омыватель, система рециркуляции выхлопных газов и трансмиссии (дизельные двигатели)
Противоугонная система, вспомогательный вентилятор/вентилятор системы охлаждения, круиз-контроль, электронная система управления двигателем, подогрев сидений, ортопедические сидения, внешние зеркала заднего вида с обогревом, электропривод правого наружного зеркала, тахометр, стеклоочиститель и омыватель, обогрев жиклеров стеклоомывателя, датчик внешней температуры
11 8А Звуковой сигнал, система климат-контроля и указатели поворота
12 8А
Освещение салона и сиденья с электроприводом
Противоугонная система, антенна, задний плафон освещения салона, центральный замок, радио, электропривод сидений, реле стеклоподъемника
Автоматическая антенна и часы, сигнальная лампа и индикация состояния багажника, радио, тахометр и система предупреждения
Диагностический разъем, аварийная сигнализация, автоматическая антенна, радио, CD плеер, освещение багажника, система оповещения, часы, передний плафон освещения салона
Подсветка приборов и консолей, парковочные, задние, боковые габаритные и габаритные огни, система предупреждения
Подсветка комбинации приборов, подсветка центральной консоли, стеклоочиститель и омыватель фар, правые габаритные огни, освещение номерного знака
Правый габаритный фонарь Правый задний фонарь Фонарь освещения номерного знака Панель приборов Омыватели фар
Левый габаритный фонарь Левый задний фонарь
Левые габаритные огни, освещение номерного знака
Передние противотуманные фары, задний противотуманный фонарь
17 8А Правая фара ближнего света
18 8А Левая фара ближнего света
19 8А Предохранитель прикуривателя и свет в перчаточном ящике, радио и обогреватель заднего стекла, сдвижная крыша (при наличии: 16А)
20 16А Фары и стеклоочиститель / омыватель
21* 25А Вентилятор
22* 16А Подогрев сидений
A
Реле электропривода сидений Реле вентилятора (высокая скорость)
Блок предохранителей (электрорегулировка сидений)
Реле вентилятора (201.028/.034) Реле электропривода сидений Реле вентилятора (высокая скорость)
Реле очистителя фар Блок предохранителей противоугонной системы Реле электропривода сидений
Обогрев заднего стекла, таймер, стеклоочиститель и омыватель, аварийная сигнализация, указатели поворота
F Стеклоподъемники
G Вспомогательный вентилятор
H OVP
* — не на всех моделях
Дополнительное реле вариант 2 (mercedes 190 до 1991 года).
Стеклоподъемники, Электропривод сидений
K3 = Нагреватель впускного коллектора K8 / 1 = двойной дополнительный вентилятор K9 = дополнительный вентилятор K12 = Круиз-контроль, отсечка топлива
Реле очистителя фар
K12 / 1 = Круиз-контроль K17 / 1 = отсечка топлива K17 / 2 = отсечка топлива с отсечкой отсечки
Дополнительное реле вариант 3 (mercedes 190 после1991 года).
K24 = реле комфорта (США) F12 = дополнительный блок предохранителей, дополнительный нагреватель
F22 / 1 = дополнительный блок предохранителей, вентилятор, прицепное устройство, подогрев сидений (AHV / SIH)
K9 = дополнительный вентилятор K12 = Круиз-контроль, отсечка топлива
K2 = Омыватель фар
K3 / 1 = Нагреватель впускного коллектора (PSV)
Источник статьи: http://avtoblokrele.ru/mercedes/predohraniteli-i-rele-mercedes-w201.html
Руководство по ремонту Mercedes-Benz W201 / Мерседес W201
Mercedes-Benz W201 был представлен в ноябре 1982 г. как Mercedes-Benz 190. На исследования и разработку этой машины компанией было потрачено 600 миллионов фунтов, так как там осознавали, что недостаток этой модели мог бы просто негативно отразиться на остальных моделях и, в конечном счете, на всю репутацию компании.
По собственному допущению компании 190 была очень технически переусложнённой. Они не были заинтересованы в конкурировании за одного или двух потребителей, перешедших от использования Форда или Ровера. Счет шел на сотни и даже тысячи потребителей, при-влеченных Mercedes-Benz с его новым образом автомобиля повышенной комфортности начального уровня. Эти новые потребители не были неправы. Рынок Великобритании ожидал появления 190 в демонстрационных залах на 12 месяцев дольше, чем материковая Европа, и как только автомобили были туда доставлены, они были проданы. Местный бюрократизм в Бремене не дал производить компании 190 там, где она хотела, таким образом, производство стартовало в Синдельфингене на максимальной мощности всего лишь 140 тыс. единиц в год. В итоге после первого года Бремен был открыт для производства 190 и эти линии заменили линии автомобилей для коммерческих перевозок в Бремене, которые включали первые модификации со времени их релиза.
Эта модель была единственным четырхдверным седаном, который был сконструирован, чтобы заполнить пробел в модельном ряду ниже Mercedes Е-класса W123. Она была быстро прозвана «малыш Бенц». Однако, несмотря на то, что автомобиль был представлен как самый дешевый легковой автомобиль Мерседеса, это не сказалось на его производстве. Среди вещей, появившимися первыми на Mercedes, был запатентованная 5-link подвеска сзади, используемый впоследствии в моделях Е- и С-классов, и разработки которых до сих пор используются сегодня в дорожных автомобилях Mercedes. Особенностями этого автомобиля являются передние и задние противодействующие крену балки, также как и геометрия, препятствующая продольному наклону кузова при торможении и разгоне. 190 также может оставляться с воздушными подушками безопасности, тормозами с антиблокировочной системой и механизмом натяжения ремней безопасности, которые были очень передовыми конструкциями для безопасности в то время.

























