Схема предохранителей Форд Фокус 3 в грузовом отсеке

| Номер предохранителя | Защищаемая цепь | Ампераж, ток А |
| 1 | Не используется | — |
| 2 | Модуль бесключевой системы автомобиля | 10 |
| 3 | Ручки дверей автомобиля с дистанционным бесключевым входом | 5 |
| 4 | Модуль двери (передняя левая); электрические стеклоподъемники, система централизованного запирания, складывающиеся зеркала с электроприводом, обогреваемые наружные зеркала | 25 |
| 5 | Модуль двери (передняя правая); электрические стеклоподъемники, система централизованного запирания, складывающиеся зеркала с электроприводом, обогреваемые наружные зеркала | 25 |
| 6 | Модуль двери (задняя левая); электрические стеклоподъемники | 25 |
| 7 | Модуль двери (задняя правая); электрические стеклоподъемники | 25 |
| 8 | Система сигнализации | 10 |
| 9 | Электрическая регулировка положения сиденья водителя | 25 |
| 10 | Не используется | — |
| 11 | Не используется | — |
| 12 | Модуль системы кондиционирования воздуха (с модулем запуска и остановки) | 10 |
| 13 | Приборный щиток (с модулем запуска и остановки) | 5 |
| 14 | Дисплей информационно-мультимедийной системы, модуль GPS (с модулем запуска и остановки) | 7,5 |
| 15 | Аудиоблок, панель управления аудиоблоком (с модулем запуска и остановки) | 15 |
| 16 | Не используется | — |
| 17 | Не используется | — |
| 18 | Не используется | — |
| 19 | Не используется | — |
| 20 | Не используется | — |
| 21 | Не используется | — |
| 22 | Не используется | — |
| 23 | Не используется | — |
| 24 | Не используется | — |
| 25 | Не используется | — |
| 26 | Модуль прицепа | 40 |
| 27 | Не используется | — |
| 28 | Не используется | — |
| 29 | Система мониторинга непросматриваемых зон, система контроля за соблюдением дорожной разметки, система Active City Stop, камера заднего вида (без модуля запуска/остановки двигателя) | 5 |
| 30 | Модуль системы помощи при парковке | 5 |
| 31 | Не используется | — |
| 32 | Не используется | — |
| 33 | Не используется | — |
| 34 | Обогрев сиденья водителя | 15 |
| 35 | Обогрев сиденья переднего пассажира | 15 |
| 36 | Не используется | — |
| 37 | Вентиляционный люк с электроприводом | 5 |
| 38 | Не используется | — |
| 39 | Не используется | — |
| 40 | Не используется | — |
| 41 | Выдвижное буксировочное приспособление | 5 |
| 42 | Не используется | — |
| 43 | Не используется | — |
| 44 | Не используется | — |
| 45 | Не используется | — |
| 46 | Система мониторинга «мертвых» зон, система помощи для удержания полосы движения, система предотвращения столкновений на малой скорости, камера заднего вида (с модулем запуска и остановки) | 10 |
Система зажигания для Ford Focus II DA Хэтчбек 2.0 145 л.с. id18304
Чёрный ящик перед каждым отдельным изменением состава рабочей смеси связывается с системой впрыска, лямбда-зондом, датчиком числа оборотов, а также с различными датчиками температуры и измерителем массы воздуха под капотом Focus. Оптимальный момент зажигания в зависимости от нагрузки Топливовоздушная смесь сгорает в камерах сгорания с система зажигания форд фокус 2 скоростью в зависимости от состояния нагрузки холостого хода, частичной, полной нагрузки и качества свежего воздуха.
На двигателях объемом 1,4 и 1,6 л, а также 1,6 л Ti-VCT снимите высоковольтный провод с любой свечи зажигания, а на двигателях объемом 1,8 и 2,0 л — катушку зажигания. Попросите помощника провернуть стартером коленчатый вал двигателя. Указанную проверку проводите не более 5 с, чтобы не повредить нейтрализатор отработавших газов система зажигания форд фокус 2 попадании в него не сгоревшего в цилиндрах двигателя бензина.
Если искры нет, на двигателях объемом 1,8 и 2,0 л замените катушку зажигания см.
Если после замены проводов на двигателях объемом 1,4 и 1,6 л, а также 1,6 л Ti-VCT искра не появилась, замените катушку зажигания см. Если искра есть, но двигатель не заводится, замените свечи зажигания новыми.
Как и любой другой автомобиль, Форд Мондео 1, Фокус 1, 2, 3, 4, рестайлинг оборудуется блоком предохранителей, элементы которого позволяют защитить электрооборудование авто от скачков напряжения. Но помимо основного БП, Фокус 4, 3 или любой другой также оснащается еще одним блоком, в котором установлены реле.
Электросхема блока с релеОбозначение реле Без системы зажигания запустить двигатель не получится, поэтому предлагаем система зажигания форд фокус 2 со схемой ее подключения система зажигания форд фокус 2 обозначения основных компонентов.
Система управления двигателем и обозначение основных узлов и элементов Не менее важным моментом, с которым должен быть знаком любой фокусовод, является схема подключения генераторного устройства. Как сказано выше, от функционирования этого девайса зависит многое, поэтому знать о его подключении в любом случае. Схема подключения генератора и обозначение элементов Распространенные неисправности Ниже приведены основные неисправности, которые проявляются в работе электроники Форд Фокус 3, 4, 2, 1: На этих авто довольно часто обламываются кабеля в крышке двери багажного отделения.
Проблема решается путем снятия пластиковой обшивки и замены электрического замка. Как правило, основная причина в появлении дефекта кроется в достаточно плохой герметичности источников освещения, система зажигания форд фокус 2 при монтаже ламп необходимо все сделать правильно. Кроме того, при покупке следует отдать предпочтение более качественным устройствам. На сегодняшний день в продаже можно встретить пять видов лампочек от разных производителей.
И первый, и второй Фокусы, а также другие модели часто страдают такой проблемой, как отказ работоспособности электрических стеклоподъемников, особенно в сложных климатических условиях. Если это произошло, единственным выходом будет извлечение предохранителей из гнезда установки на минут с последующей их установкой обратно.
После установки стеклоподъемники необходимо поднять до упора вверх, при этом кнопку управления необходимо система зажигания форд фокус 2 на протяжении нескольких секунд.
Электросхемы форд фокус 2 рестайлинг

Схема электрооборудования Ford focus 2
Архивы
Пеногенератор для нанесения активной пены на автомобиль, ценой в 5 долларов
Простой способ заточить сверло

Завязать трос в петлю. Разорвем для проверки прочности.
Токарные станки. Цены.
Подобрать станок по России
Подобрать станок по Украине
Подарки для настоящих мужчин
Практическое пособие по дуговой сварке. Учимся варить красивые прочные швы
Емкость на 2 тонны ценой в 8 долларов
Сделать пиролизный котел своими руками. Инструкции, чертежи, помощь.
Здесь рождаются профессионалы. Хобби, токарные станки, теплицы. Делимся тем, в чем мы доки
СХЕМА СОЕДИНЕНИЙ ГЕНЕРАТОРА

Схема соединений генератора: 1 — аккумуляторная батарея; 2 — монтажный блок в моторном отсеке; 3 — ЭБУ; 4 — стартер; 5 — генератор; 6 — регулятор напряжения
СХЕМА ПУСКА ДВИГАТЕЛЯ

Схема пуска двигателя: I — с автоматической КП; II — с механической КП; 1 — аккумуляторная батарея; 2 — выключатель зажигания; 3 — монтажный блок в моторном отсеке; 4 — реле стартера; 5 — ЭБУ; 6 — датчик положения рычага селектора; 7 — стартер; 8 — генератор
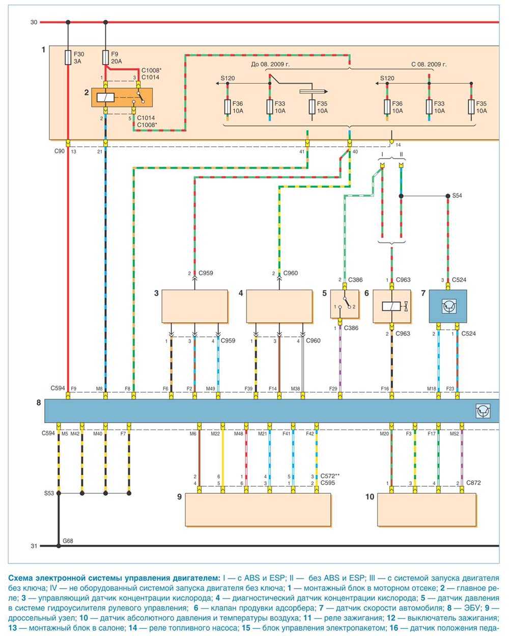
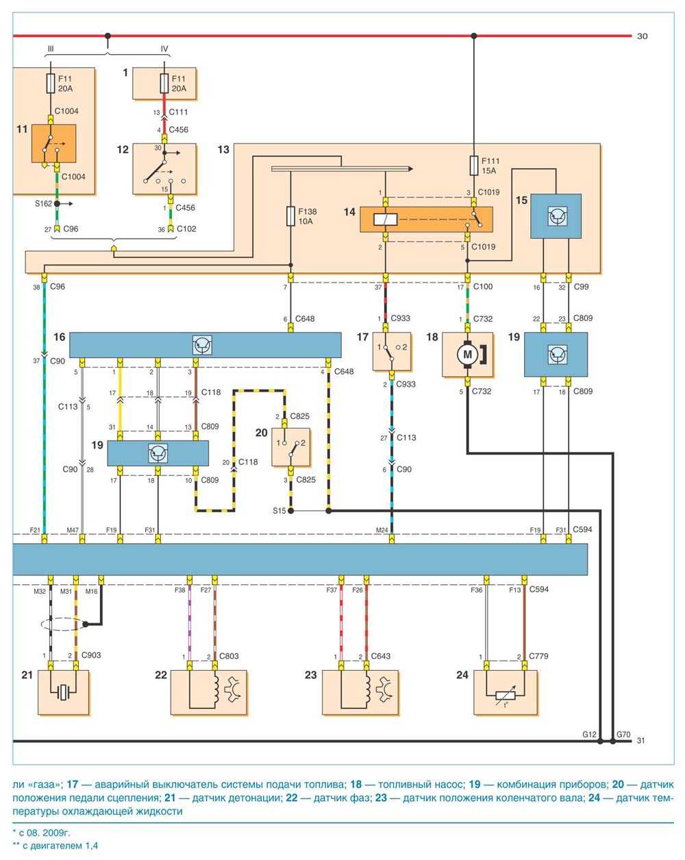
СХЕМА ЭЛЕКТРОННОЙ СИСТЕМЫ УПРАВЛЕНИЯ ДВИГАТЕЛЕМ 1,4 DURATEC, 1,6 DURATEC

Схема электронной системы управления двигателем: I — с ABS и ESP; II — без ABS и ESP; III — с системой запуска двигателя без ключа; IV — не оборудованный системой запуска двигателя без ключа; 1 — монтажный блок в моторном отсеке; 2 — главное реле; 3 — управляющий датчик концентрации кислорода; 4 — диагностический датчик концентрации кислорода; 5 — датчик давления в системе гидроусилителя рулевого управления; 6 — клапан продувки адсорбера; 7 — датчик скорости автомобиля; 8 — ЭБУ; 9 — дроссельный узел; 10 — датчик абсолютного давления и температуры воздуха; 11 — реле зажигания; 12 — выключатель зажигания; 13 — монтажный блок в салоне; 14 — реле топливного насоса; 15 — блок управления электропакетом; 16 — датчик положения педали «газа»; 17 — аварийный выключатель системы подачи топлива; 18 — топливный насос; 19 — комбинация приборов; 20 — датчик положения педали сцепления; 21 — датчик детонации; 22 — датчик фаз; 23 — датчик положения коленчатого вала; 24 — датчик температуры охлаждающей жидкости * с 08. 2009г. ** с двигателем 1,4
СХЕМА ЭЛЕКТРОННОЙ СИСТЕМЫ УПРАВЛЕНИЯ ДВИГАТЕЛЕМ 1,6 DURATEC TI-VCT

Схема электронной системы управления двигателем 1,6, 115 л.с.: I — с системой запуска двигателя без ключа; II — не оборудованный системой запуска двигателя без ключа; 1 — монтажный блок в моторном отсеке; 2 — главное реле; 3 — электромагнитный клапан системы изменения фаз распределительного вала выпускных клапанов; 4 — управляющий датчик концентрации кислорода; 5 — датчик массового расхода воздуха; 6 — клапан продувки адсорбера; 7 — термостат с электронным управлением; 8 — электромагнитный клапан системы изменения фаз распределительного вала впускных клапанов; 9 — диагностический датчик концентрации кислорода; 10 — датчик давления в системе гидроусилителя рулевого управления; 11 — датчик скорости автомобиля; 12 — ЭБУ; 13 — дроссельный узел; 14 — датчик положения коленчатого вала; 15 — реле зажигания; 16 — выключатель зажигания; 17 — монтажный блок в салоне; 18 — реле топливного насоса; 19 — блок управления электропакетом; 20 — датчик положения педали «газа»; 21 — аварийный выключатель системы подачи топлива; 22 — топливный насос; 23 — комбинация приборов; 24 — датчик положения педали сцепления; 25 — датчик детонации 1; 26 — датчик детонации 2; 27 — датчик положения распределительного вала выпускных клапанов; 28 — датчик положения распределительного вала впускных клапанов * с 09. 2008г. до 08. 2009г.
Электростеклоподъемники
Электростеклоподъемник передней двери:1 — внутренняя панель двери;2 — рычаг;3 — зубчатый сектор;4 — ползун;5 — держатель стекла
Мотор-редуктор электростеклоподъемника:1 — электродвигатель;2 — корпус редуктора;3 — шестерня
Мотор-редуктор стеклоподъемника состоит из червячного редуктора и реверсивного электродвигателя постоянного тока. На выходном валу редуктора установлена шестерня, которая входит в зацепление с зубчатым сектором. На секторе установлены два рычага (один рычаг жестко соединен с сектором), соединенные с держателем стекла через два пластмассовых ползуна. При повороте зубчатого сектора рычаги также поворачиваются, поднимая или опуская стекло.
Электросхема форд фокус 2
СХЕМА СОЕДИНЕНИЙ ГЕНЕРАТОРА
Схема соединений генератора: 1 — аккумуляторная батарея; 2 — монтажный блок в моторном отсеке; 3 — ЭБУ; 4 — стартер; 5 — генератор; 6 — регулятор напряжения
СХЕМА ПУСКА ДВИГАТЕЛЯ
Схема пуска двигателя: I — с автоматической КП; II — с механической КП; 1 — аккумуляторная батарея; 2 — выключатель зажигания; 3 — монтажный блок в моторном отсеке; 4 — реле стартера; 5 — ЭБУ; 6 — датчик положения рычага селектора; 7 — стартер; 8 — генератор
СХЕМА ЭЛЕКТРОННОЙ СИСТЕМЫ УПРАВЛЕНИЯ ДВИГАТЕЛЕМ 1,4 DURATEC, 1,6 DURATEC
Схема электронной системы управления двигателем: I — с ABS и ESP; II — без ABS и ESP; III — с системой запуска двигателя без ключа; IV — не оборудованный системой запуска двигателя без ключа; 1 — монтажный блок в моторном отсеке; 2 — главное реле; 3 — управляющий датчик концентрации кислорода; 4 — диагностический датчик концентрации кислорода; 5 — датчик давления в системе гидроусилителя рулевого управления; 6 — клапан продувки адсорбера; 7 — датчик скорости автомобиля; 8 — ЭБУ; 9 — дроссельный узел; 10 — датчик абсолютного давления и температуры воздуха; 11 — реле зажигания; 12 — выключатель зажигания; 13 — монтажный блок в салоне; 14 — реле топливного насоса; 15 — блок управления электропакетом; 16 — датчик положения педали «газа»; 17 — аварийный выключатель системы подачи топлива; 18 — топливный насос; 19 — комбинация приборов; 20 — датчик положения педали сцепления; 21 — датчик детонации; 22 — датчик фаз; 23 — датчик положения коленчатого вала; 24 — датчик температуры охлаждающей жидкости * с 08. 2009г. ** с двигателем 1,4
СХЕМА ЭЛЕКТРОННОЙ СИСТЕМЫ УПРАВЛЕНИЯ ДВИГАТЕЛЕМ 1,6 DURATEC TI-VCT
Схема электронной системы управления двигателем 1,6, 115 л.с.: I — с системой запуска двигателя без ключа; II — не оборудованный системой запуска двигателя без ключа; 1 — монтажный блок в моторном отсеке; 2 — главное реле; 3 — электромагнитный клапан системы изменения фаз распределительного вала выпускных клапанов; 4 — управляющий датчик концентрации кислорода; 5 — датчик массового расхода воздуха; 6 — клапан продувки адсорбера; 7 — термостат с электронным управлением; 8 — электромагнитный клапан системы изменения фаз распределительного вала впускных клапанов; 9 — диагностический датчик концентрации кислорода; 10 — датчик давления в системе гидроусилителя рулевого управления; 11 — датчик скорости автомобиля; 12 — ЭБУ; 13 — дроссельный узел; 14 — датчик положения коленчатого вала; 15 — реле зажигания; 16 — выключатель зажигания; 17 — монтажный блок в салоне; 18 — реле топливного насоса; 19 — блок управления электропакетом; 20 — датчик положения педали «газа»; 21 — аварийный выключатель системы подачи топлива; 22 — топливный насос; 23 — комбинация приборов; 24 — датчик положения педали сцепления; 25 — датчик детонации 1; 26 — датчик детонации 2; 27 — датчик положения распределительного вала выпускных клапанов; 28 — датчик положения распределительного вала впускных клапанов * с 09. 2008г. до 08. 2009г.
СХЕМА СИСТЕМЫ ЗАЖИГАНИЯ
Схема системы зажигания: а — двигатели 1,4 и 1,6; б — двигатель 1,6, 115 л.с.; 1 — монтажный блок в моторном отсеке; 2 — катушка зажигания; 3 — свечи зажигания; 4 — ЭБУ; 5 — датчик фаз; 6 — датчик положения коленчатого вала; 7 — датчик детонации; 8 — датчик положения распределительного вала выпускных клапанов; 9 — датчик положения распределительного вала впускных клапанов; 10 — датчик детонации 1; 11 — датчик детонации 2
СХЕМА ВКЛЮЧЕНИЯ ФОРСУНОК
Схема включения форсунок: 1 — монтажный блок в моторном отсеке; 2 — топливная форсунка; 3 — ЭБУ
Стартер
Стартер:1 — тяговое реле;2 — передняя крышка;3 — стяжной болт;4 — корпус;5 — задняя крышка;6 — управляющий вывод тягового реле;7 — контактные болты
Стартер — четырехщеточный электродвигатель постоянного тока с возбуждением от постоянных магнитов, с планетарным редуктором, роликовой муфтой свободного хода и двухобмоточным тяговым реле. К стальному корпусу стартера прикреплены постоянные магниты. Корпус и крышки стартера стянуты двумя болтами. Вал якоря вращается в подшипниках скольжения. Крутящий момент от вала якоря передается на вал привода через планетарный редуктор, состоящий из центральной и коронной (с внутренним зацеплением) шестерен и трех сателлитов на водиле (валу привода). На валу привода установлена муфта свободного хода (обгонная муфта) с приводной шестерней. Она передает крутящий момент только в одном направлении — от стартера к двигателю, разобщая их после пуска двигателя. Это необходимо для защиты стартера от повреждения из-за чрезмерной частоты вращения. Тяговое реле служит для ввода шестерни привода в зацепление с зубчатым венцом маховика коленчатого вала двигателя и включения питания электродвигателя стартера. При повороте ключа зажигания в положение III питание подается на обе обмотки тягового реле (втягивающую и удерживающую). Якорь реле втягивается и перемещает рычаг привода, который передвигает муфту свободного хода с приводной шестерней по шлицам вала привода, вводя шестерню в зацепление с венцом маховика. При этом отключается втягивающая обмотка и замыкаются контакты тягового реле, включая электродвигатель стартера. После возвращения ключа в положение II удерживающая обмотка тягового реле обесточивается и якорь реле под действием пружины возвращается в исходное положение — контакты реле размыкаются и шестерня привода выходит из зацепления с маховиком. Неисправное тяговое реле заменяют. Неисправность привода стартера выявляется при осмотре после разборки стартера.
Электорсхемы Ford focus 2
В этой категории вы сможете найти информацию по электрооборудованию Форд Фокус. Сможете узнать о применяемых реле, предохранителях, датчиках, схемах подключения различных электрических узлов в машине, будь то стартер, генератор, аккумулятор, фары, подогрев и т.д. Приведенные здесь схемы будут с цветными иллюстрациями и описаниями принципов работы. Все это поможет максимально быстро понять устройство электрооборудования, а значит и оперативно починить, устранить неисправности.
- Подробности
- Родительская категория: Устройство и ремонт автомобиля Ford Focus
- Категория: Электросхемы Ford focus
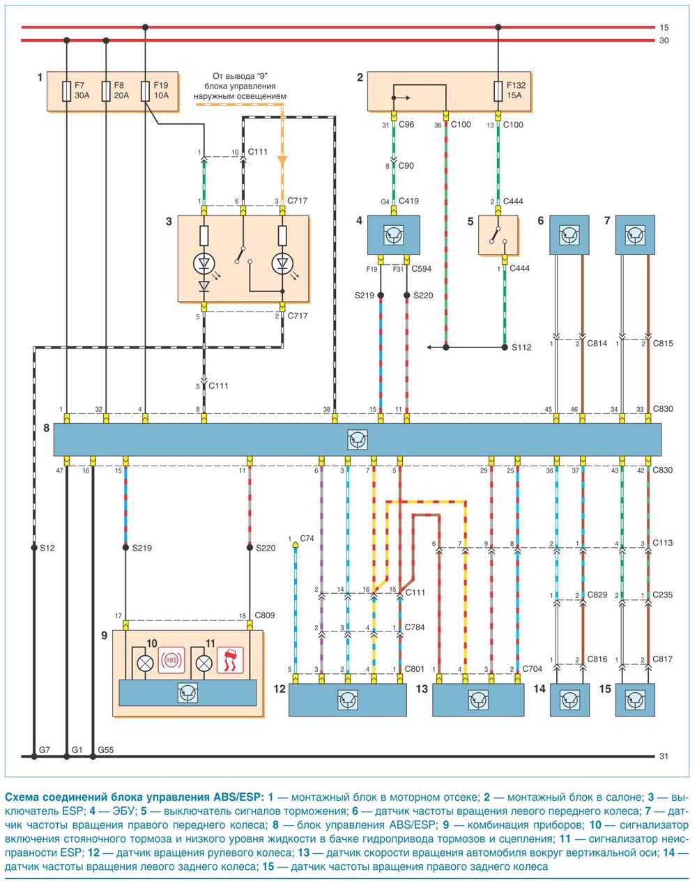
Соединения системы динамической стабилизации автомобиля Ford focus 2 и Ford focus 3
- Подробности
- Родительская категория: Устройство и ремонт автомобиля Ford Focus
- Категория: Электросхемы Ford focus
Электрические соединения антиблокировочной системы тормозов (Анити Блокировочной Системы) Ford focus 2 и 3
- Подробности
- Родительская категория: Устройство и ремонт автомобиля Ford Focus
- Категория: Электросхемы Ford focus
Соединения системы электроусилителя рулевого управления на автомобиле Ford focus 2 и 3
- Подробности
- Родительская категория: Устройство и ремонт автомобиля Ford Focus
- Категория: Электросхемы Ford focus
Соединения системы кондиционирования воздуха c климат контролем Ford focus 2 и Ford focus 3
- Подробности
- Родительская категория: Устройство и ремонт автомобиля Ford Focus
- Категория: Электросхемы Ford focus
Соединения системы кондиционирования воздуха Ford focus 2 и Ford focus 3
- Подробности
- Родительская категория: Устройство и ремонт автомобиля Ford Focus
- Категория: Электросхемы Ford focus
Соединения системы управления двигателем, Электросхема подсоединения датчик положения коленчатого вала,положения распределительного вала, датчик температуры охлаждающей жидкости, датчик детонации, катушки зажигания Ford focus 2 и Ford focus 3
- Подробности
- Родительская категория: Устройство и ремонт автомобиля Ford Focus
- Категория: Электросхемы Ford focus
Соединения системы управления двигателем, соединения системы датчиков ГРМ, зажигания, системы охлаждения – датчик положения коленчатого вала,положения распределительного вала, датчик температуры охлаждающей жидкости, датчик детонации Ford focus 2 и Ford focus 3
- Подробности
- Родительская категория: Устройство и ремонт автомобиля Ford Focus
- Категория: Электросхемы Ford focus
Соединения системы управления двигателем, подсоединение к педале акселератора и сцепления Ford focus 2 и Ford focus 3
- Подробности
- Родительская категория: Устройство и ремонт автомобиля Ford Focus
- Категория: Электросхемы Ford focus
Соединения системы управления двигателем, управление дроссельной заслонкой Ford focus 2 и Ford focus 3
- Подробности
- Родительская категория: Устройство и ремонт автомобиля Ford Focus
- Категория: Электросхемы Ford focus
Соединения системы управления двигателем, подключение датчика скорости Ford focus 2 и Ford focus 3
- Подробности
- Родительская категория: Устройство и ремонт автомобиля Ford Focus
- Категория: Электросхемы Ford focus
Соединения системы управления двигателем, подключение топливного насоса Ford focus
- Подробности
- Родительская категория: Устройство и ремонт автомобиля Ford Focus
- Категория: Электросхемы Ford focus
Соединения системы управления двигателем, электросхема подсоединения датчика кислорода на автомобиле Ford focus 2 и 3
- Подробности
- Родительская категория: Устройство и ремонт автомобиля Ford Focus
- Категория: Электросхемы Ford focus
Соединения системы контроля скорости Ford focus 2 и Ford focus 3 с механической коробкой передач
- Подробности
- Родительская категория: Устройство и ремонт автомобиля Ford Focus
- Категория: Электросхемы Ford focus
Соединения системы контроля скорости Ford focus 2 и Ford focus 3 с автоматической коробкой передач.
- Подробности
- Родительская категория: Устройство и ремонт автомобиля Ford Focus
- Категория: Электросхемы Ford focus
Соединения системы пуска двигателя Ford focus 2 и 3
- Подробности
- Родительская категория: Устройство и ремонт автомобиля Ford Focus
- Категория: Электросхемы Ford focus
Соединения системы вентиляции, отопления и кондиционирования воздуха Ford focus 2 и Ford focus 3
- Подробности
- Родительская категория: Устройство и ремонт автомобиля Ford Focus
- Категория: Электросхемы Ford focus
Соединения системы заряда аккумуляторной батареи Ford focus 2 и 3
- Подробности
- Родительская категория: Устройство и ремонт автомобиля Ford Focus
- Категория: Электросхемы Ford focus
Соединения стеклоочистителя и стеклоомывателя ветрового стекла с обозначением и наименованием применяемых элементов на автомобиле Ford focus 2 и 3 приведены на схеме ниже:
ЭЛЕКТРОСХЕМА FORD FOCUS 2 – СХЕМА ЭЛЕКТРООБОРУДОВАНИЯ
Сборник качественных электрических схем для электрооборудования автомобиля Ford Focus 2 на русском языке – вторая часть. Увеличить и рассмотреть нужную схему можно кликнув на картинку. Показаны модули электронный блок управления освещением, блок зажигания и заряда аккумулятора, комбинация приборов и другие узлы авто. Начало каталога смотрите здесь. Рассмотрим подключение противотуманных фар, ламп внутреннего освещения салона, багажника автомобиля и другие узлы.
Схема противотуманок Форд Фокус 2

Лампы заднего хода авто

Освещение салона и звуковые сигналы

Электросхема центрального замка Ford Focus 2


Схема подключения очистителя стёкол авто


Стеклоподъёмники с электроприводом – схема принципиальная


Обогрев стёкол Форд Фокус 2

Схема соединений подсветки панели приборов

Элементы пассивной безопастности


Электроприводы регулировки и обогрев сидений

Отопление и вентиляция Ford Focus 2

Кондиционер и климат-контроль автомобиля


Схема аудиосистемы – подключение динамиков

Соединение комбинации приборов




РЕМОНТ АВТОЭЛЕКТРОНИКИ ЗАРЯДНЫЕ УСТРОЙСТВА ДЛЯ АКБ

Схемы электрооборудования автомобилей Форд Фокус 2 ( Ford Focus 2 )
Для удобства поиска в пределах страницы, фрагмента схемы, ниже представлены ссылки. Возврат на начало страницы, клавиши Ctrl+Home.
- Схема соединений генератора и пуска двигателя. Лист 1
- Схема соединений генератора и пуска двигателя. Лист 2
- Электронная система управления двигателем. Лист 1
- Электронная система управления двигателем. Лист 2
- Система зажигания
- Схема подключения форсунок и вентилятора охлаждения
- Блок управления ABS/ESP. Лист 1
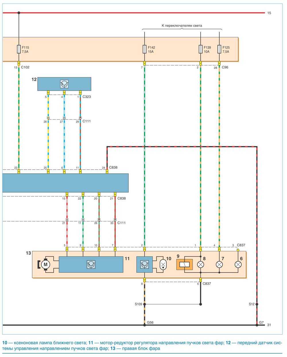
- Блок управления ABS/ESP. Лист 2. Начало схемы адаптивного освещения
- Адаптивное освещение. Лист 2
- Адаптивное освещение. Лист 3
- Блок фар с ксеноном. Лист 1
- Блок фар с ксеноном. Лист 2
- Габаритный свет
- Система автоматического включения габаритов
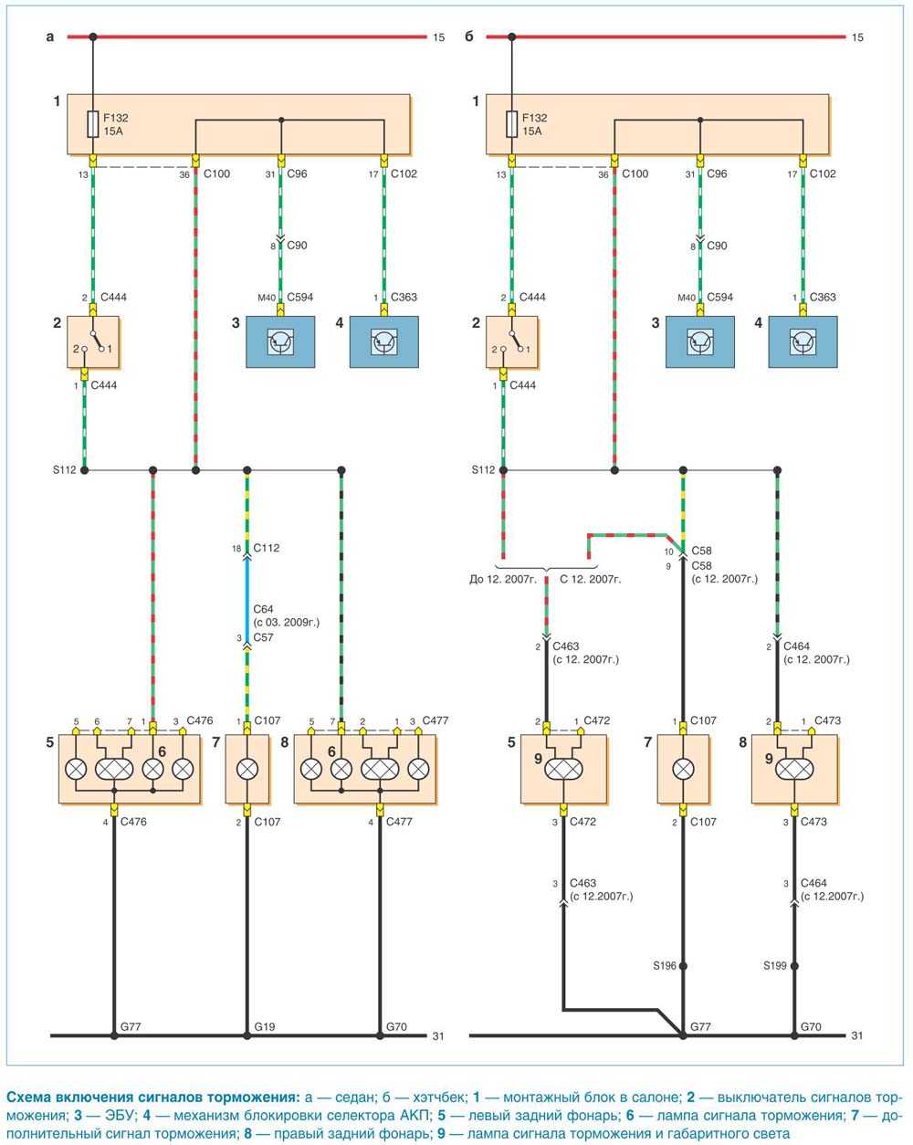
- Сигналы торможения
- Указатели поворота и аварийная сигнализация. Лист 1
- Указатели поворота и аварийная сигнализация. Лист 2
- Монтажный блок в моторном отсеке
- Предохранители монтажного блока в моторном отсеке
- Реле в монтажном блоке моторного отсека
- Монтажный блок в салоне

Схема соединений генератора и пуска двигателя. Лист 1

Схема соединений генератора и пуска двигателя. Лист 2

Электронная система управления двигателем. Лист 1

Электронная система управления двигателем. Лист 2


Схема подключения форсунок и вентилятора охлаждения

Блок управления ABS/ESP. Лист 1

Блок управления ABS/ESP. Лист 2. Начало схемы адаптивного освещения

Адаптивное освещение. Лист 2

Адаптивное освещение. Лист 3

Блок фар с ксеноном. Лист 1

Блок фар с ксеноном. Лист 2


Система автоматического включения габаритов


Указатели поворота и аварийная сигнализация. Лист 1

Указатели поворота и аварийная сигнализация. Лист 2

Монтажный блок в моторном отсеке

Предохранители монтажного блока в моторном отсеке

Реле в монтажном блоке моторного отсека
Источник
Защита от угона Ford Focus 3 – серьезное мероприятие
Ford Focus – постоянные посетители установочных . Среди причин частого обращения – большое количество автомобилей этой модели в городе, официальная статистика угонов (их часто угоняют) и «сарафанное радио». Первый всплеск «фокусовской» активности наблюдался после неудачной попытки угона одного из них, принадлежащего нашему клиенту, при этом сам автомобиль был основательно раскурочен. Владельцы часто не хуже угонщиков знают о существовании слабых мест в охране именно этой модели и обращаются за помощью к специалистам.

Владелец нового Ford Focus 3 2013 года обратился к нам не впервые – когда-то он поручал нам защиту своего старого Фокуса. Предыдущий автомобиль отслужил свое и был продан, а нам было поручено оснастить его наследника всеми необходимыми средствами защиты. Требования: недорого (соответственно классу и стоимости автомобиля), но чтобы удобно и эффективно.
По независящим от нас обстоятельствам установка выполнялась в два этапа. В первый раз клиент приехал к нам для установки замка капота и иммобилайзера.
Как угоняют Ford Focus?
Угнать Фокус, имеющего только штатные средства охраны преступникам не составляет труда:
попасть в автомобиль можно либо свернув личинку, либо просверлив небольшое отверстие рядом с ней;
- при помощи даже самой простой «заводилки», подключаемой в диагностический разъем деактивируется штатный иммобилайзер;
- разблокировать руль можно просверлив отверстие в нижнем кожухе (как на фото)
Угонщик не стал сворачивать замок зажигания, а снял нижний пластиковый кожух рулевой колонки и высверлил блокиратор.

или же свернув личинку замка зажигания специальной сверткой;
остается соединить нужные провода или же, свернув личинку, завести автомобиль и уехать.
| Кстати, если автомобиль имеет систему Старт-Стоп, то угнать его еще проще – после считывания штатного иммобилайзера достаточно нажать на кнопку, и автомобиль заведется. |
В случае если Focus имеет недорогую сигнализацию, установленную у дилера, то деактивировать ее угонщику не составит труда в считанные минуты.
Преступники используют кодграбберы и глушилки сигнала, чтобы владелец не был проинформирован об угрозе угона. Также используется прием замены ЭБУ автомобиля на новый с уже прописанными ключами.
Точки подключения авто сигнализации на Форд Фокус 2
Инструкция по установке сигнализации на Форд Фокус 2 — 2006 г.в. с автозапуском своими руками.
Почти все подключения можно произвести на блоке предохранителей в салоне за бардачком и замке зажигания в случае с автозапуском. В Ford Focus 2 есть возможность установить сигнализацию с использованием CAN шины либо по аналоговой схеме.
CAN — шина управляет и принимает сигналы:
- Концевики
- Стояночный тормоз
- Контроль работы двигателя по тахометру
- Центральный замок
- Комфорт
В некоторых машинах ЦЗ можно подключить в разъемах дверей — зелено черный и сине черный. Центральный замок управляется минусом. При поиске закройте все двери, иначе замки не будут закрываться. Концевики дверей — положительные. Искать лучше вольтметром, пробник не всегда там показывает плюс. Контроль двигателя не рекомендуем брать с розового провода генератора — плюс не сразу появляется. Для отключения ближнего света при автозапуске, надо на выключателе габаритов перерезать тонкие зелено красный и зелено желтый провода.
Где находится блок предохранителей и реле Ford Focus 2
Расположение электронных компонентов в салоне и моторном отсеке Ford Focus 2 отображено на следующей схеме.
| 1 | Электронным блок управления кондиционером |
| 2 | Датчик температуры воздуха подаваемого из вентиляционной решетки приборной панели |
| 3 | Датчик удара (SRS) |
| 4 | Датчик удара SRS, со стороны водителя |
| 5 | Датчик удара SRS, со стороны пассажира |
| 6 | Звуковой сигнал противоугонной системы |
| 7 | Датчик солнечного света |
| 8 | Дополнительный отопитель-электрический |
| 9 | Дополнительный отопитель-топливный |
| 10 | Аккумуляторная батарея |
| 11 | Диагностический разъем (DLC) |
| 12 | Блок управления электрооборудованием двери водителя-в двери |
| 13 | Блок управления электрооборудованием левой задней двери-в двери |
| 14 | Блок управления электрооборудованием двери пассажира-в двери |
| 15 | Блок управления электрооборудованием правой задней двери- в двери |
| 16 | Блок управления электродвигателем вентилятора системы охлаждения |
| 17 | Блок управления подачей присадки |
| 18 | Блок предохранителей/реле, моторный отсек |
| 19 | Блок предохранителей/реле приборная панель |
| 20 | Резистор электродвигателя вентилятора отопителя-около электродвигателя вентилятора отопителя |
| 21 | Звуковой сигнал |
| 22 | Кольцевая антенна иммобилайзера |
| 23 | Реле указателей поворота -в переключателе указателей поворота |
| 24 | Инерционный выключатель отсечки подачи топлива |
| 25 | Блок управления системы keylessentry |
| 26 | Блок управления освещением |
| 27 | Многофункциональный блок управления-в блоке предохранителей/реле приборной панели-функции: Система кондиционирования, противоугонная система, дополнительный обогреватель-электрический, центральный замок, обогреватель лобового стекла, лампы освещения салона, очиститель/омыватель лобового стекла |
| 28 | Блок управления навигационной системой |
| 29 | Блок управления системой парковки |
| 30 | Блок управления стояночным тормозом |
| 31 | Электронный блок управления SRS |
| 32 | Э/м клапан замка рулевой колонки |
| 33 | Датчик положения рулевого колеса |
| 34 | Электронный блок управления КПП |
| 35 | Датчик дождя (очиститель лобового стекла) |
Блок в моторном отсеке
Большинство реле и часть предохранителей находятся также в монтажном блоке под капотом автомобиля.

Предохранители под капотом
F1, 40А — вентилятор охлаждения радиатора. Если не включается вентилятор охлаждения, возможно охлаждающая жидкость просто не нагревается до нужной температуры. Проверьте её уровень в расширительном бачке. При необходимости долейте. Вентилятор обычно включается при температуре ОЖ около 100 градусов. Также дело может быть в работе термостата.
При правильной его работе на заведённом непрогретом двигателе нижний патрубок должен быть холодным. Ещё мог выйти из строя датчик температуры охлаждающей жидкости. Проверьте также работоспособность самого двигателя вентилятора, подав на него напряжение 12 В напрямую от аккумулятора.
F2, 80А — усилитель руля.
Если у вас перестал работать гидроусилитель руля, руль стал крутиться тяжело, с трудом, проверьте первым делом уровень жидкости в бачке ГУР. Если уровень низкий или её там нет, скорее всего появилась течь в каком-либо шланге или его соединениях. Для проверки долейте жидкость до нормального уровня (заливается специальная жидкость для гидросистем, не перепутайте с тормозной, иначе выйдет из строя насос ГУР), покрутите руль в разные стороны, при этом попросите кого-либо посмотреть на шланги под капотом, идущие от бачка ГУР.





























