Шкода Октавия A5. Электросхемы — часть 2
Схема электрооборудования Шкода Октавия Тур производится в однопроводной компоновке. Эта система была разработана для избавления от огромных жгутов проводки в кузове авто. Исключение составляют схемы систем силового агрегата — они выполняются в многопроводной компоновке. Соединение наиболее важных элементов электрооборудования автомобиля происходит посредством замка зажигания.
Такие шины представляют собой витые пар с довольно большой скоростью. Благодаря их использованию количество проводов внутри кузова сокращается еще больше. CAN-диагностика предназначается для подключения специального диагностического оборудования.
Диагностическая шина соединения с блоком памяти ЭБУ, в котором хранятся коды возникающих ошибок. Именно эта информация считывается при диагностике. Все шины Skoda Octavia A5 соединяются друг с другом через специальный межсетевой интерфейс.
Перечисленные выше неполадки характерны автомобилям Шкода Октавия Тур с пробегом. Они не серьезны и легко поддаются устранению при помощи простой припайки контактов или замены резисторов
При работе с электрическими сетями автомобиля Шкода Октавия Тур или ремонте необходимо соблюдать правила предосторожности:
Несоблюдение приведенных выше правил может привести к порче энергопотребляющих узлов Шкода Октавия А7, что повлечет необходимость дорогостоящей замены. В худшем случае халатность чревата возгоранием. Если возникает проблема на какой-то одной части электросхемы это как-то отображается индикаторами на приборной панели или наличие неисправности можно понять только по той или иной неработающей части электрической схемы?
Скажите, а какие именно проблемы, как правило, возникают с блоком EPS? Я имею в виду, какие из них наиболее распространённые и какие не совсем правильные действия водителя могут привести к подобным неполадкам? Просто вместо того, чтобы ремонтировать, хотелось бы знать, как таких неполадок в принципе, избежать. Точно за данную модель я не могу ручаться, но по-моему, на приборной панели просто индикатором отображается наличие неисправности.
Mail will not be published required. Как разобрать ключ Шкода Октавия и заменить батарейку. Насадка на глушитель автомобиля Октавия А5 и А7. Замена ремня генератора Шкода Октавия. Замена задних и передних сайлентблоков. Добавить комментарий Нажмите, чтобы отменить ответ.
Карта сайта О сайте. Перепечатка материалов возможно только с письменного разрешения владельцев сайта. Технические характеристики Skoda Octavia Tour. Сравнение Chevrolet Cruze и Skoda Octavia.
Схема предохранителей и реле на Skoda Octavia 2
На Skoda Octavia 2-й генерации используются флажковые низкопрофильные предохранители стандарта мини. Они состоят из 3 компонентов:
- пластикового полупрозрачного корпуса;
- плавкой спирали;
- 2 ножевых контактов.
Каждая вставка окрашена в свой цвет:
| Номинал, А | Окраска |
| 5 | светло-коричневая |
| 7,5 | коричневая |
| 10 | красная |
| 15 | синяя |
| 20 | желтая |
| 25 | белая |
| 30 | зеленая |
| 40 | оранжевая |
| 50 | красная |
Нумерацию предохранителей можно посмотреть на схеме, которая находится на нижней плоскости крышек монтажных блоков.
Авто 2005-2008 годов
На автомобилях 2005-2008 г. в. изображение на обороте защитных панелей выглядит так:
- торец приборной доски
- подкапотное пространство.

Схема Skoda Octavia – указатели поворота, аварийная сигнализация, выключатель стояночных фонарей
E2 – переключатель фонарей указателя поворота;E3 – выключатель для системыаварийной светорой сигналазации;E19 – включатель для стояночных фонарей;J2 – прерыватель для фонарей системы аварийной световой сигнализации;K6 – сигнализатор аварийной световой сигнализации;L35 – лампа накаливания для освещения выключателя системы аварийной световой сигналазации;M5 – лампа накаливания левого переднего фонаря указателя поворота;M7 – лампа накаливания правого переднего фонаря указателя поворота;M18 – лампа накаливания левого бокового повторителя указателя поворота;M19 – лампа накаливания правого бокового повторителя указателя поворота;T2j – двухконтактный штекерный разъем, на левом боковом повторителе указателя поворота;T2k – двухконтактный штекерный разъем, на правом боковом повторителе указателя поворота;T2l – двухконтактный штекерный разъем, на левом переднем фонаре указателя поворота;T2m – двухконтактный штекерный разъем, на правом переднем фонаре указателя поворота;T7a – семиконтактный штекерный разъем, на выключателе для системы аварийной световой сигнализации;T12a – двенадцатиконтактный штекерный разъем, на переключателе фонарей указателя поворота;80 – соединение на “массу” в жгуте проводов позади панели приборов;119 – соединение на “массу” в кабельном жгуте впереди слева;А5 – соединение с положительным полюсом (правый указатель поворота) в жгуте проводов позади панели щитка приборов слева;А6 – соединение с положительным полюсом (левый указатель поворота) в жгуте проводов позади панели щитка приборов слева;А43 – соединение (57L) в жгуте проводов позади панели приборов;А44 – соединение (57R) в жгуте проводов позади панели приборов.

F4 – выключаель для фар заднего хода;L46 – лампа накаливания левой задней противотуманной фары;L47 – лампа накаливания правой задней противотуманной фары;M2 – лампа накаливания правого заднего габаритного фонаря;M4 – лампа накаливания левого заднего габаритного фонаря;M6 – лампа накаливания левого заднего фонаря указателя поворота;M8 – лампа накаливания правого заднего фонаря указателя поворота;M9 – лампа накаливания левого фонаря сигнала торможения;M10 – лампа накаливания правого фонаря сигнала торможения;M16 – лампа накаливания левой фары заднего хода Skoda Octavia ;M17 – лампа накаливания правой фары заднего хода;T2e – двухконтактный штекерный разъем, на выключателе для фар заднего хода;T6a – шестиконтактный штекерный разъем, в водонепроницаемом кожухе (красный);T6b – шестиконтактный штекерный разъем, на левом заднем габаритном фонаре;T6c – шестиконтактный штекерный разъем, на правом заднем габаритном фонаре;T10a – десятиконтактный штекерный разъем, в водонепроницаемом кожухе (белый);59 – точка соединения на “массу” вблизи от левого заднего габаритного фонаря;86 – соединение на “массу” в заднем жгуте проводов;196 – соединение на “массу” в левом заднем группированном световом приборе;197 – соединение на “массу” в правом заднем группированном световом приборе;А5 – соединение с положительным полюсом (правый указатель поворота) в жгуте проводов позади панели приборов слева;А6 – соединение с положительным полюсом (левый указатель поворота) в жгуте проводов позади панели приборов слева;А18 – соединение (54) в жгуте проводов позади панели приборов слева;А47 – соединение (55) в жгуте проводов позади панели приборов;А84 – соединение (58L) в жгуте проводов позади панели приборов слева;А85 – соединение (58R) в жгуте проводов позади панели приборов слева.
E22 – выключатель стеклоочистителей ветрового стекла;J31 – выключатель двойного хода щеток стеклоочистителей;T2n – двухконтактный штекерный разъем, на насосе стеклоочистителей переднего стекла;T5e – пятиконтактный штекерный разъем, на электродвигателе стеклоочистителей;T8b – восьмиконтактный штекерный разъем, на выключателе стеклоочистителей;V – электродвигатель стеклоочистителей ветрового стекла;V5 – насос стеклоочистителей переднего стекла;80 – соединение на “массу” в жгуте проводов позади панели приборов;119 – соединение на “массу” в жгуте проводов впереди слева;A36 – соединение (53a) в жгуте проводов позади панели приборов слева;A102 – соединение (стеклоочиститель) в жгуте проводов позади панели приборов;D64 – соединение (53c) в жгуте проводов позади панели приборов.
Технические характеристики
Октавия первого поколения стала первой чешской моделью, построенной на платформе VW PQ34. Комплектация довольно типичная для гольф-класса:
- стабилизаторы на передней и задней оси;
- МакФерсоны спереди и торсионная балка сзади (в отдельных комплектациях на продольных рычагах);
- задние тормоза барабанные, на передней оси дисковые с вентиляцией;
- усилитель руля гидравлический;
- механический стояночный тормоз;
- привод изначально передний.
Коробки передач на выбор: 5-МКПП (6-МКПП после рестайлинга) и 4-АКПП. Полный привод на муфте Haldex шел в комплекте только с 1.8 л. TSI на 150 л.с., который устанавливался, и на лифтбек, и на универсал.
Фото красной Skoda Octavia 1.9 TDi Ambiente 2004
Моторная гамма Октавия 1 до рестайлинга:
| Тип топлива | Турбина | Объем, л | Мощность, л.с. | Hm | Архитектура | Расход (смешанный цикл) | Разгон до 100 км/ч, сек |
| Бензин | Нет | 1.6 | 75 | 135 | L4 | 7.1 | 14.8 |
| Бензин | Нет | 1.6 | 101 | 145 | L4 | 8.7 | 11.7 |
| Бензин | Нет | 1.8 | 125 | 170 | L4 | 9.2 | 10.6 |
| Бензин | Нет | 2.0 | 115 | 170 | L4 | 9.1 | 10.8 |
| Бензин | Есть | 1.8 | 150 | 210 | L4 | 7.9 | 8.9 |
| Дизель | Нет | 1.9 | 68 | 133 | L4 | 5.2 | 19.2 |
| Дизель | Есть | 1.9 | 90 | 210 | L4 | 5.1 | 13.5 |
| Дизель | Есть | 1.9 | 110 | 235 | L4 | 5.0 | 11.5 |
После рестайлинга 68-сильный дизель и 125-сильный атмосферник ушли в отставку, а бензиновый мотор на 75 л.с. умерил рабочий объем до 1.4 л. А с выходом RS-версии, в линейке появился 1.8 л. турбомотор на 180 л.с. при 235 Hm. Максимальная скорость выросла до 235 км/ч, а разгон до «сотни» составил 7.9 сек. (неплохо для 2001 года).

Škoda Octavia RS 1.8T первого поколения после рестайлинга
Порядок замены

В случае, когда прикуриватель не работает, потому что перегорела спираль патрона или сильно повреждено гнездо, то самым оптимальным действием является замена устройства новым или Б/У с другого автомобиля «Шкода» такой же модификации.
При выполнении этой операции лучше не отступать от правил, разработанных опытными механиками или бывалыми пользователями.
- От минусовой клеммы аккумулятора нужно отсоединить провод, ослабив болт его крепления.
- Извлеките патрон, а затем гнездо устройства. Для этого придётся разъёмы с подводящими проводами к нему и к лампе подсветки продеть через облицовочную перегородку туннеля в полу.
- Чтобы снять сам прикуриватель, нужно сжать экранирующий ободок лампы подсветки настолько, чтобы её лапки легко выскользнули из креплений светодиода.
- Защёлку самого разъёма нужно надавить отвёрткой для отсоединения светодиода. После этого само гнездо прикуривателя без труда можно будет протолкнуть наружу.
- После этого разъём с подводящими проводами легко извлекается из образовавшегося отверстия.
- Подключение и установку нового гнезда следует проводить в обратном порядке. Выступ на светодиоде обязан входить в специальную прорезь на корпусе облицовки.
После замены необходимо проверить, работает ли новый. Это легко можно сделать, подсчитав время срабатывания устройства – оно должно составлять 20 секунд. Лишь небольшое отклонение от этого параметра допускается в нормальной работе.
Распиновкка предохранителей
В салонном модуле находятся перемычки, подключенные к следующим электроприборам:
- вспомогательному отопителю;
- диагностическому разъему;
- подогреву форсунок стеклоомывателя;
- электрическому бензонасосу;
- буксировочному устройству;
- ABS;
- ESP;
- печке;
- заднему дворнику;
- подушкам безопасности;
- крыльчатке отопления и кондиционирования;
- фонарям заднего хода;
- очистителю и омывателю фар;
- кондиционеру;
- противоугонной сигнализации;
- сдвижному люку;
- парктронику;
- лампе в левом и правом поворотнике;
- стеклоподъемникам;
- прикуривателю;
- стоп-сигналам;
- вакуумному насосу;
- обогреву сидений и т.д.
В моторном отсеке стоят вставки, обеспечивающие защиту такому электрооборудованию:
- насосу антиблокировочной системы;
- вентилятору охлаждения;
- передним блок-фарам, включая габариты;
- усилителю магнитолы;
- катушке замка зажигания;
- катушке зажигания;
- датчику срабатывания топливной помпы;
- комбинации приборов;
- переключателям указателей поворота и стопов и т.д.
Посмотреть на распиновку, где указано назначение и номинал перемычек, можно в таблицах:
Предохранитель печки
Для отопителя на Skoda Octavia 2 установлено несколько плавких вставок в салонном модуле:
- № 5 на 5 А;
- № 40 для вентилятора на 40 А;
- № 47 для дополнительной печки на 5 А.
Предохранитель прикуривателя
Предохранитель прикуривателя чаще всего перегорает из-за подключения нестандартного оборудования, мощность которого превышает номинал перемычки. Среди прочих причин наиболее вероятными являются:
- короткое замыкание из-за оголенной изоляции или скопившегося в блоке конденсата;
- неплотное прилегание или окисление контактов;
- повышение напряжения;
- использование отремонтированных вставок или металлических предметов вместо них.
Перед заменой нужно устранить причины перегорания вставки и выполнить мероприятия, обеспечивающие безопасность водителю:
- Припарковать машину на ровной площадке.
- Поставить на ручник.
- Подложить под колеса противооткатные башмаки.
- Обесточить электрооборудование.
- Вынуть ключ из замка зажигания.
- Отсоединить провода от клемм аккумуляторной батареи.
Далее нужно найти и вскрыть нужный монтажный короб и приступить к замене:
- Найти гнездо № 24 на плате в салоне.
- Убедиться в том, что перемычка сгорела, визуально или прозвонить мультиметром.
- Вытащить дефектную деталь диэлектрическими щипцами.
- Подобрать новую номиналом 25 А.
- Установить ее.
- Завести двигатель.
- Проверить работоспособность разъема.
- Поставить на место крышку модуля.
Предохранитель бензонасоса
Плавкая вставка для защиты топливного насоса находится на торце приборной панели в гнезде № 1. Она рассчитана на ток 10 А.
Места установки БП и обеспечение доступа к ним
Шкода Октавия А5, как и большинство автомобилей, укомплектовано двумя предохранительными модулями: в салоне и моторном отсеке машины. Чтобы до них добраться, много времени не потребуется. При необходимости осмотреть предохранители в моторном отсеке, необходимо просто открыть капот автомобиля и зафиксировать его.
- Предохранительный блок располагается справа возле амортизационной стойки, если стоять перед авто и смотреть прямо на него.
- Доступ к предохранителям осуществляется следующим образом: нужно сдвинуть две защелки на пластиковой крышке и потянуть ее на себя.
- После чего открываются все защитные устройства и два реле, обеспечивающие контроль работы вентилятора охлаждения и управления автоматической коробкой передач Skoda Octavia A5.
БП, установленный в салоне автомобиля, находится возле водителя в торпеде. Стоит открыть водительскую дверь и в торце передней панели можно увидеть крышку, прикрывающую модуль с предохранителями. При помощи плоской отвертки крышка поддевается и снимается.
Установка вещевого ящика
- Завести вещевой ящик за крепления (А) (илл.214).
- Вставить вещевой ящик в противоположном стрелке (4) направлении.
- Вставить стопор и запереть его отверткой в противоположном стрелке (3) направлении.
- Вставить боковую крышку в противоположном стрелке (2) направлении.
- Прижать боковую крышку в противоположном стрелке направлении (1).
- Закройте вещевой ящик.
- https://zapchasti.expert/predoxraniteli/predoxraniteli-skoda-octavia-a5.html
- http://www.avtopol-msk.ru/sxema-raspolozheniya-predoxranitelej-na-skoda.html
- https://vsepredohraniteli.ru/skoda/a5-octavija.html
- https://zapchasti.expert/predoxraniteli/predoxraniteli-skoda-octavia-tour.html
- https://fuse-box.ru/predohraniteli-i-rele-skoda-octavia-mk1-1u-1996-2010/
- https://razborov.net/shkoda/blok-predohraniteley-i-rele-skoda-oktavia-tour.html
- https://razborov.net/shkoda/predohraniteli-i-rele-skoda-octavia-a5.html
- https://angelcharlie.ru/predohraniteli-na-shkode-oktaviya-a7/
Электрическая схема skoda octavia tour 2009


Skoda Octavia / Octavia Tour эксплуатация, обслуживание, ремонт. Подключение можно посмотреть в руководствах Электрические Схемы, Поиск Электрических Неисправностей, Подключение Оборудования.
Skoda Octavia Черный ТУР BFQ › Бортжурнал › Автоматическое закрывание/открывание стекол octavia TOUR. Delakruaa был 6 часов назад.
Документация и отчеты по ремонту электрооборудования Skoda Octavia / Шкода Октавия. Система «комфорт», Функции, Принцип действия системы, Центральный замок, Функциональная схема, Электрические стеклоподъемники, Освещение.

Крышка пробки горловины топливного бака. Неисправности выявляются с помощью автомобильного тестера V. Электрооборудование Skoda Octavia A Шкода Октавия принципиальные схемы электрооборудования. Please click here if you are not redirected within a few seconds.




Электросхемы для Октавия Шкода / Skoda Octavia
Сеть специализированных магазинов по продаже запчастей VAG. Электрооборудование Skoda Octavia A Skoda Octavia Система запуска и зарядки rus. Skoda Octavia: Руководство по ремонту — Обнаружение неисправностей rus. Skoda Octavia: Руководство по ремонту — Места сборки электрооборудования rus. Skoda Octavia: Руководство по ремонту — Стартер, генератор, аккумулятор rus. Skoda Octavia: Руководство по ремонту — Панели приборов, приборы rus.
Skoda Octavia: Руководство по ремонту — Радио, телефон, навигационная система rus. Skoda Octavia: Руководство по ремонту — Стеклоочистители и стеклоомыватели rus. Skoda Octavia: Руководство по ремонту — Фонари, лампы, выключатели — наружные rus. Skoda Octavia: Руководство по ремонту — Лампы, выключатели — внутренние, иммобилизатор rus.

Skoda Octavia: Руководство по ремонту — Провода, кабели, коробка предохранителей rus. Skoda Octavia: Руководство по ремонту — Релейная панель, коробка предохранителей rus.
Skoda Octavia: Принципиальная схема электрооборудования rus. Skoda Octavia: Электронная система комфорта rus. Пособие по программе самообразования. Система «комфорт», Функции, Принцип действия системы, Центральный замок, Функциональная схема, Электрические стеклоподъемники, Освещение салона, Дистанционное управление, Регулировка зеркал, обогреватель зеркал, Центральный блок управления, Самодиагностика, Специальные функции, Действия при ДТП, Аварийные режимы работы системы, Работа системы в «спящем» режиме, Текущие установки центрального замка, Мехатроника, Дверной замок, Микропереключатель в приводе дверного замка, Переключатель рычажного механизма, Шина CAN, Глоссарий Рассматриваются Skoda Octavia, Skoda Octavia II, Skoda Fabia, Skoda SuperB Автомобили Skoda: Панели приборов — сервис rus.
История панелей управления, их различие, функции диагностики, кодирование блоков, таблица неисправностей панели, и др Замена подшипников генератора BOSCH rus.
Как мне найти нужную информацию? Расшифровка заводской комплектации автомобиля англ. Расшифровка заводской комплектации VAG на русском! Диагностика Фольксваген, Ауди, Шкода, Сеат, коды ошибок..
Если вы не нашли информацию по своему автомобилю — посмотрите ее на автомобили построенные на платформе вашего авто. С большой долей вероятности информация по ремонту и обслуживанию подойдет и для Вашего авто.
Где расположены блоки предохранителей на Шкоде Октавия А5
Выпуск автомобиля C-класса Skoda Octavia A5 продолжался с 2004 по 2013 гг. с рестайлингом в 2008 г. У машины изменился экстерьер, ставший к концу 2010-х несовременным.
В 2006 г. во Франкфурте дебютировал полноприводный универсал Scout. С 2007 г. в Калуге началась крупноузловая сборка лифтбеков, а в 2009 г. открылось производство полного цикла.
Релейные переключатели и предохранители на Шкоде Октавия А5 скомпонованы в установочных боксах. Они находятся в 2 точках кузова.
Блоки в салоне
Добраться до вставок в салоне можно так:
- Открыть дверь со стороны водительского кресла.
- Осмотреть приборную панель перед рулевой колонкой.
- Найти технический люк на торце.
- Ослабить фиксаторы.
- Снять крышку модуля.
Блок под капотом
Поиск вставок под капотом состоит из нескольких шагов:
- Открыть и закрепить передний багажник.
- Осмотреть пространство между аккумулятором и левым бортом.
- Отжать замки на поверхности черной пластиковой коробки.
- Сдвинуть на себя крышку.
Блок реле
Он находится под самой панелью приборов, за облицовочной панелью.
Вариант 1

Схема

Обозначение
- B4 — реле напряжения питания (30)
- B5 — реле обогрева заднего стекла
- B6 — реле звукового сигнала
- B7 — реле -1- насоса омывателя стекла
- B8 — реле -2- насоса омывателя стекла
- B9 — кoммутaциoннoe рeлe для кoнтaктa X
Вариант 2

В данном исполнении, тут находится и центральный блок управления.
Блок реле под ЦБУ
Схема

Назначение
- рeлe нaпряжeния питaния (15) -J329-
- реле устройства для обогрева заднего стекла -J9-
- рeлe нaпряжeния питaния (50) -J682- / реле стартера 1 -J906-
- реле топливного насоса (создание давления в системе питания) -J643- (у буквенных обозначений двигателя BUD, CGGA, BSE, BSF, CMXA, CHGA) / реле топливного насоса -J17- (у дизельных двигателей)
- коммутационное реле для контакта Х -J59-
Дополнительный блок реле над ЦБУ

Расшифровка
- D1 — реле независимого отопителя -J485- (у автомобилей с независимым дополнительным отопителем) / реле для малой теплопроизводительности -J359- (у автомобилей с дополнительным резистивным отопителем (РТС))
- D2.1 — реле звукового сигнала -J4-
- D2.2 — реле топливного насоса (у буквенных обозначений двигателя BUD, CGGA, BSE, BSF, CMXA, CHGA) / — реле дополнительного топливного насоса -J832- (у буквенных обозначений двигателя CLCA, CLCB, CFHF, CFHC, CEGA)
- D3 — реле для большой теплопроизводительности -J360- (у автомобилей с дополнительным резистивным отопителем (РТС))
D3.1 — реле вентилятора для впуска свежего воздуха -J13- (у автомобилей с независимым дополнительным отопителем) - D3.2 — реле топливного насоса дополнительного отопителя -J749- (у автомобилей с независимым дополнительным отопителем)
- D4 — реле стартера 2 -J907-
- D5.1 — рeлe фaрooбмывaтeлeй -J39
- D5.2 — реле для нагревательного элемента -J925- (у буквенного обозначения двигателя CAYC)
Больше информации про расположение, доступ, а так же видео пример снятия блока комфорта можете найти в данном видео.
Не работает печка? В некоторых моделях предусмотрен термо-предохранитель печки, который располагается отдельно.

Видео пример его замены.
Описание предохранителей и реле в Шкода Октавия А7. Полная электросхема бесплатно для скачивания
Третье поколение, Skoda Octavia a7 выпускалось в 2013, 2014, 2015, 2021 и 2021 годах. После этого автомобиль прошел рестайлинг и с обновленным экстерьером производился в 2021, 2019, 2021, 2021 годах и по настоящее время. Как и в предыдущих поколениях модель доступна в двух вариантах кузова: лифтбек и универсал с бензиновыми и дизельными двигателями. В данной публикации мы покажем где находятся блоки с предохранителями и реле в автомобиле шкода октавия а7, их фотографии и схемы с описанием назначения элементов. Отдельно выделим предохранители прикуривателя и омывателя.
Назначение предохранителей и их количество может отличатся от представленного и зависит от комплектации и года выпуска автомобиля.
- 1 Блок в салоне
- 2 Блок под капотом
- 3 Электросхемы октавия а7
Блок в салоне
Он находится под панелью приборов за перчаточным ящиком. Для доступа слегка согните боковые стенки и потяните на себя.
Не получается снять крышку? Ознакомьтесь с видео примером.
Фотография блока в салоне шкоды октавия а7
Схема
Описание. Вариант 1.
| F1 | Не используется |
| F2 | Не используется |
| F3 | Не используется |
| F4 | Не используется |
| F5 | 5А диагностика интерфейса информационной шины |
| F6 | 5А датчик устройства наблюдения за внутренним пространством а/м-, датчик наклона а/м |
| F7 | 10А реле обогрева заднего стекла, блок управления отопителя, блок управления кондиционера-, блок управления системы климат-контроль, блок управления датчиков преселектора, реле обогрева переднего стекла, радиоприемник независимого отопителя |
| F8 | 10А штекерное соединение, 16-контактное на гнезде для диагностической установки, датчик влажности воздуха датчик распознавания влажности воздуха, дождя и света , выключатель света фар |
| F9 | 15А блок управления полного привода |
| F10 | 10А блок управления мультимедийной системы |
| F11 | 25А блок управления обогревом задних сидений |
| F12 | 20А блок управления информационной электроникой |
| F13 | 25А блок управления переключателя переднего левого ремня безопасности |
| F14 | 30А блок управления вентилятором для впуска свежего воздуха |
| F15 | 10А блок управления электронным замком рулевой колонки |
| F16 | 7,5А подготовка для мобильного телефона / 5А двухходовой усилитель сигнала мобильной радиостанции |
| F17 | 5А блок управления в комбинированных приборах |
| F18 | Резерв |
| F19 | 7,5А интерфейс доступа и системы запуска |
| F20 | 5А 7блок управления электроникой рулевой колонки |
| F21 | Резерв |
| F22 | 30А блок управления заднего капот |
| F23 | 40А блок управления электрической бортовой сетью а/м |
| F24 | 30А блок управления откидной крыши, блок управления шторки крыши |
| F25 | 30А блок управления дверью, сторона водителя, мотор электропривода заднего левого стеклоподъемника |
| F26 | 25А блок управления электрической бортовой сетью а/м (у а/м с системой подогрева сидений) |
| F27 | 30А блок управления цифровой аудиосистемой |
| F28 | 20А блок управления распознаванием прицепа |
| F29 | Резерв |
| F30 | Резерв |
| F31 | 40А блок управления электрической бортовой сетью а/м |
| F32 | 7,5А блок управления помощника паркования, блок управления парк-ассистента |
| F33 | 5А сигнализатор отключения системы Airbag на стороне переднего пассажира, блок управления системы Airbag |
| F34 | 7,5А выключатель фар -Е1-, выключатель фонарей заднего хода -F4-, датчик давления в контуре охлаждения, блок управления обогрева задних сидений, внутреннее зеркало заднего вида с автоматическим затемнением -, инвертор с розеткой, 12 В-230 В-, подготовка для установки мобильного телефона, реле нагрузки, блок управления звука в жестком материале |
| F35 | 35А штекерное соединение, 16-контактное, на гнезде диагностики орган управления угла наклона фар, левый сервомотор регулировки угла наклона фар, правый сервомотор регулировки угла наклона фар, блок управления фонаря освещения дороги при повороте и регулировка угла наклона фар, передняя камера вспомогательных систем водителя, блок управления регулировки расстояния |
| F36 | 10А Правая фара |
| F37 | 10А Левая фара |
| F38 | 20А блок управления распознаванием прицепа |
| F39 | 30А блок управления дверью, сторона переднего пассажира, мотор электропривода заднего правого стеклоподъемника |
| F40 | 20А Предохранитель прикуривателя октавия а7, розетка 12 В |
| F41 | Резерв |
| F42 | 40А блок управления электрической бортовой сетью а/м |
| F43 | 40А блок управления электрической бортовой сетью а/м |
| F44 | 30А блок управления распознаванием прицепа |
| F45 | 30А термопредохранитель регулятора сидения водителя |
| F46 | 30А инвертор с розеткой, 12 В-230 В |
| F47 | 15А электродвигатель стеклоочистителя заднего стекла |
| F48 | Резерв |
| F49 | 5А реле стартера 1, реле стартера 2, датчик положения педали сцепления |
| F50 | Резерв |
| F51 | 25А блок управления натяжителя переднего правого ремня безопасности |
| F52 | Резерв |
| F53 | 30А обогреваемое заднее стекло |
Оплаченные ссылки
Проще всего проверить исправность реле, заменив его на заведомо исправное. Так поступают в мастерских. Так как у любителей очень редко бывает в распоряжении исправное запасное реле, рекомендуется следующий шаг с так называемым коммутационным реле, которое кроме прочего используется для включения противотуманных и основных фар.
Включить зажигание и соответствующий выключатель.

Сначала с помощью индикатора напряжения определить, прикладывается ли напряжение к соответствующей плюсовой клемме гнезда реле
Для этого подключить индикатор к массе и другой контакт осторожно вставить в клемму
Замена
- Для начала необходимо отключить зажигание, а лучше всего снять клеммы с аккумуляторной батареи.
- Внимательно осматривают предохранительный блок на предмет перегоревших вставок.
- При помощи пинцета из гнезда вынимается старый (неисправный) предохранитель.
- Этим же инструментов ставят на место исправную деталь.
Важно! Нельзя устанавливать новые элементы защиты большего номинала вместо положенного. В этом случае существует опасность возникновения возгорания
Водители с опытом, которые проехали не одну десятку тысяч километров, всегда в багажнике держат запасные защитные устройства на все случаи жизни.
В целом процесс замены вставок предохранительного блока Шкода Октавия А5 несложен и выполнить его может любой водитель самостоятельно. Главное, все делать вовремя. Если определить и устранить неисправность не удалось, то следует обратиться на СТО.
Схема пошаговой замены предохранителей Шкода Октавия Тур А4
1. Блок предохранителей находиться под этой крышкой.
2. Чтобы снять крышку нужно подцепить ее плоской отверткой в отмеченном на фотографии месте. Так же вы увидите стрелочку на крышке где нужно подцеплять.
3. Вид предохранителей под крышкой.
4. Схема предохранителей.
5. Предохранители меняются очень просто, нет смысла описывать работу. Под крышкой предохранителей должен быть съемник, но предохранитель можно извлечь и рукой.
Я советую вам возить с собой новые предохранители по несколько штук разного сопротивления.
6. Список сопротивлений предохранителей которые используются на Шкода Октавия.
Интересующие вопросы задаем в .
Устройство и принцип работы прикуривателя

Прибор сделан следующим образом. Устройство прикуривателя аналогично для всех моделей Skoda, включая Фабия, Рапид или Octavia. Внутри передней панели расположен металлический патрон, к которому подведены три провода.
- Основной плюс (красный). Приходит к аккумуляторной батарее через защитный элемент (предохранитель). Отвечает за нагрев внутренней спирали.
- Постоянный плюс (желтый). Подключен к светофильтру. Отвечает за корректную работу лампочки подсветки.
- Постоянный минус (черный). Масса, одним концом приходящая на корпус прибора, а вторым – к кузову автомобиля.
В разъем вставляется сам прикуриватель Октавия А7, внутри которого расположена металлическая спираль. При нажатии на кнопку контакты замыкаются, а спираль подвергается термическому воздействию. Как только она нагревается до температуры, достаточной для прикуривания, специальное термореле отщелкивает прибор в начальную позицию.
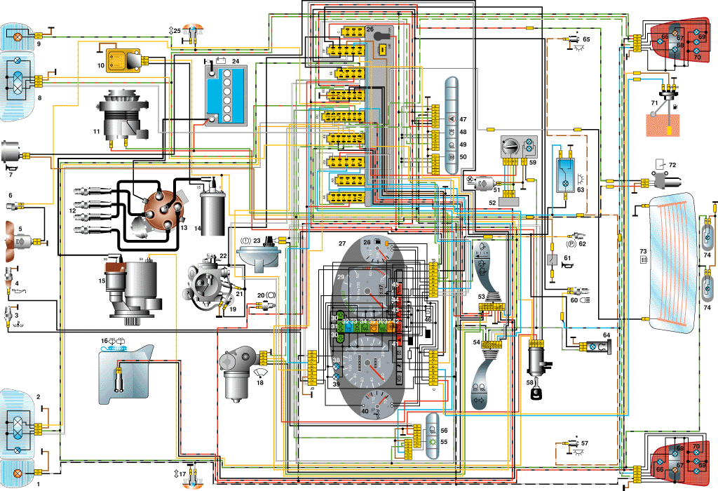
Электросхемы Skoda Octavia 1996-2002
12.1. Структура принципиальных схем электрооборудования
12.2. Символы, встречающиеся в схемах соединений
12.3. Пояснения к символам
12.4. Основная схема –»OCTAVIA», начиная с августа 1996 г.
12.4.1. Замок зажигания, реле для контакта X, коробка предохранителей
12.4.2. Указатели поворота, аварийная сигнализация, выключатель стояночных фонарей
12.4.3. Заднее стекло, выключатель сигнала торможения, освещение багажника
12.4.4. Розетка, коробка предохранителей, сигнал торможения
12.4.5. Панель приборов, ее процессор, сигнализаторы, коробка предохранителей
12.4.6. Панель приборов, процессор, сигнализаторы, сигнал уровня тормозной жидкости
12.4.7. Иммобилизатор, панель приборов, процессор, сигнализаторы, спидометр
12.5. 1,6 л – «1AV»/ 55 кВт, тип двигателя «AEE», начиная с августа 1996 г
12.5.1. Стартер, генератор, вентилятор охлаждения, коробка предохранителей
12.5.2. Блок управления «1AV», лямбда-зонд, датчик температуры, давления воздуха
12.5.3. Блок управления «1AV», клапанные форсунки, управление дроссельной заслонкой
12.5.4. Блок управления «1AV», датчик оборотов, система зажигания, датчик спидометра
12.5.5. Реле топливного насоса, коробка предохранителей
12.5.6. Панель приборов, процессор, сигнализаторы, топливный насос
12.6. 1,8 л — «Motronic»/ 92 кВт, тип двигателя «AGN», начиная с августа 1996 г.
12.6.1. Стартер, генератор, вентилятор охлаждения, коробка предохранителей
12.6.2. Блок управления «Motronic», форсунки, датчик частоты вращения вала двигателя
12.6.3. Блок управления «Motronic», лямбда-зонд, расходометр воздуха
12.6.4. Блок управления «Motronic», датчик числа оборотов и детонационного сгорания I и II
12.6.5. Блок управления «Motronic», дроссельная заслонка, датчик спидометра, зажигание
12.6.6. Реле топливного насоса, коробка предохранителей
12.6.7. Панель приборов, процессор, сигнализаторы, топливный насос
12.7. 1,8 л –»TDI»/ 66 кВт, тип двигателя «AGR», начиная с августа 1996 г.
12.7.1. Стартер, генератор, вентилятор охлаждения, коробка предохранителей
12.7.2. Блок управления двигателем 1,9 «TDI», рециркуляция ОГ и ограничение наддува
12.7.3. Блок управления двигателем 1,9 «TDI», датчик частоты вращения вала двигателя
12.7.4. Блок управления двигателем 1,9 «TDI», датчик положения регулирующей заслонки
12.7.5. Блок управления двигателем 1,9 «TDI», выключатели педалей управления
12.7.6. Коробка предохранителей, датчик спидометра




























