Коды Ошибок Рено Магнум 440 Евро 3
Код Defect-200 на грузовике Рено
Надежная машина – самый близкий друг дальнобойщика. Но, так же как и в каком угодно механизме, грузовики, даже самые современные и надежные имеют свои слабенькие стороны. Панель на Рено Магнум
иначе говоря Премиум может отражать на экране надпись Defect код 200 (Theft defect). Что это значит и как вместе с ним биться? Принципиально держать в голове, что некоторые вещи есть вариант убрать.
Устранение дефект-200
Если вы выполнили что остается сделать нашему клиенту обозначенные нами рекамендации и даже не смогли убрать данную ошибку и ее проявления. Спецы нашей фирмы имет большой опыт диагностики и ремонта ошибки 200. Мы всегда готовы помощь.
Причина недостаточной мощности Renault Premium 370 11.1dCi
Веб-сайт 100 Ковш: Не просто инфы по данной теме здесь.
Беря во внимание тот факт, что данная ошибка возникает только при запуске мотора, иной раз, после «хлопотного» пуска, целенаправлено не глушить мотор по каждому поводу. При снятом vecu на cаn 1587 с иммобилайзера будет сигнал? Имея рабочий блок легко на обозначенных пинах замерить сопротивление, Помогите пожалуйста, машина стоит уже 4 месяца
ошибки удаляются но как нажимаешь стартер то снова выскакивают. снимая антенну с иммобилайзера, возникает ошибка иммобилайзера
При снятом vecu на cаn 1587 с иммобилайзера будет сигнал? Имея рабочий блок легко на обозначенных пинах замерить сопротивление, Помогите пожалуйста, машина стоит уже 4 месяца. ошибки удаляются но как нажимаешь стартер то снова выскакивают. снимая антенну с иммобилайзера, возникает ошибка иммобилайзера.
Здрасти. Виртуально мы Для вас, нередко, посодействовать не сможем. Насчёт блока vecu, его конечно проверить на «столе», подключив к нему соответственный диагностический сканер.
Здрасти пылает ошибка theft defect на табло пылает ключ замка зажигания что это значит? Реномагнум
Здрасти. Это ошибка возникает, когда встречаются неисправности в автомобиле. Необходимо делать диагностику в Этом варианте, чтоб найти, почему пылает предупреждение о неисправности.
Здрасти. Необходимо проводить диагностику неисправности, для устранения
Здрасти у меня Рено магнум мотор mak при езде указывает defect 200 на 2-3 секунды не действует педаль акселератора. сможете посодействовать? Спасибо!
Здрасти. Нужно проводить диагностику. Звоните
Хороший денек неувязка пришла в свое время движения резко не стал тянуть остановив машину при пробы заглушить движок выключив зажигание она пару месяцев продолжала работать после остановки мотора вышибло ошибку defect 200
Здрасти. Обстоятельств обозначенной ошибки вам больше понравятся много, как механических, связанных с топливной и электронных. Для обнаружения нужно проводить диагностику
Здрасти. Может быть неувязка с боди либо цепями, глядя какой год машины. Нужно проводить диагностику и отталкиваясь от предпосылки — устранять
Здрасти. Это вопрос к мотористам, мы заняты диагностикой и ремонтом электрики и электроники. Узнаю, напишу вам в личный кабинет
Схема реле Рено Премиум DXI 380
Реле является важной составляющей электрической системы автомобиля Рено Премиум DXI 380. Оно ответственно за переключение и управление электрическими цепями и устройствами автомобиля
Схема реле представляет собой графическое изображение расположения и соединений реле на печатной плате.
Схема реле Рено Премиум DXI 380 включает в себя различные элементы и компоненты, такие как контакты, катушки, резисторы и конденсаторы. Они составляют электрическую схему, обеспечивающую правильное функционирование систем автомобиля.
Принцип работы схемы реле Рено Премиум DXI 380 основан на применении электромагнитных полей и переключении контактов при подаче напряжения на катушку реле. Когда на катушку подается электрический ток, создается магнитное поле, которое действует на контакты реле и заставляет их переключаться между двумя состояниями – открытым и закрытым.
Схема реле Рено Премиум DXI 380 также включает в себя защитные механизмы, предназначенные для предотвращения перегрева и повреждения реле. Они выполняются в виде термостатов и предохранителей, которые включаются при достижении определенных температурных или токовых значений.
Общая схема реле Рено Премиум DXI 380 позволяет контролировать множество систем автомобиля, включая электрическую цепь стартера, систему зажигания, систему подачи топлива и другие устройства. Каждая система имеет свое реле, которое отвечает за ее функционирование.
Выводы на схеме реле Рено Премиум DXI 380 обозначены специальными символами и буквами, чтобы облегчить понимание соединений и функций каждого элемента. Это позволяет быстро определить, какие контакты и катушки реле отвечают за определенную функцию или систему автомобиля.
Изучение схемы реле Рено Премиум DXI 380 является важным шагом при диагностике и ремонте электрических систем автомобиля. Это позволяет определить места возможных неисправностей и правильно провести ремонтные работы.
Renault Premium DXI450 fuse box layout
Система охлаждения Радиоприемник см. Аудиосистема Развал см. Углы установки колес Расширительный бачок см. Система охлаждения Регулировка замков дверей Регулировка положения сиденья и рулевого колеса Рено премиум электросхема света фар Регулировка углов установки колес см. Углы установки колес Регулятор напряжения см. Генератор Редуктор заднего моста см.
Задний редуктор Рейлинги см. Аксессуары Реле Ремень привода вспомогательных агрегатов Ремни рено премиум электросхема см. Безопасность Ремонт лакокрасочного покрытия Ремонт шин см.

Колеса Ржавчина см. Коррозия Ресивер впускного трубопровода Ролик натяжной см. Ремень привода вспомогательных агрегатов Рулевая тяга см.

Рулевое управление Рулевое колесо см. Рулевое управление Рулевое управление Рычаг передней подвески Рычаг переключения передач Рычаг стояночного тормоза см.
Стояночная тормозная система С Сальники Рено премиум электросхема зажигания Сезонное обслуживание Селектор режимов работы автоматической коробки передач Сигнал звуковой см.
Звуковой сигнал Сиденья Система впуска воздуха см. Система управления двигателем Система выпуска отработавших газов Система зажигания см. Система управления двигателем Система кондиционирования см. Климатическая установка Система курсовой устойчивости Система ограничения вредных выбросов см.
Система управления двигателем Система отопления см. Климатическая установка Система охлаждения Система подачи топлива см. Система управления двигателем Система управления двигателем Скрип см. Диагностика неисправностей Смазка замков и петель кузова Смазка уплотнителей кузова см. Обработка дверных уплотнителей Смотровая канава см.
рено премиум электросхема

Подготовка автомобиля к техническому обслуживанию и ремонту Справочные данные Спустило колесо см. Замена колеса Стабилизатор поперечной устойчивости Стартер Стекла Стеклоомыватель Стеклоомывающая жидкость Стеклоочиститель Стеклоподъемники Рено премиум электросхема передней подвески Стояночная тормозная система Страхование Стук см. Диагностика неисправностей Ступица заднего колеса Ступица переднего колеса Суппорт заднего тормозного механизма Суппорт переднего тормозного механизма Схемы электрооборудования см.

Электросхемы Схождение см. Углы установки колес Сцепление Съемник см. Инструменты Т Термостат Техника безопасности см.

Меры безопасности при обслуживании и ремонте автомобиля Техническое обслуживание Тонировка Топливная система см. Система управления двигателем Топливный бак см. Система управления двигателем Топливный модуль Топливо см. Заправка автомобиля топливом Тормозная жидкость Тормозная система Тормозной рено премиум электросхема Тормозные колодки Тормозные шланги Тосол см. Охлаждающая жидкость Рено премиум электросхема масло Трансмиссия Трубопровод впускной см.
Впускной трубопровод Трубопровод топливный см. Система управления двигателем Трубопровод тормозной рено премиум электросхема. Тормозная система Тюнинг Тягово- сцепное устройство у Увод в сторону см. Диагностика неисправностей Углы установки колес Угон Удаление воздуха из гидроусилителя рулевого управления см.
Прокачка гидроусилителя рулевого управления Удаление воздуха из тормозной системы см. Прокачка гидропривода тормозов Указатели поворота см.
Приборы наружного освещения и световой сигнализации Указатель уровня масла см. Моторное масло Усилитель рулевого управления см. Рулевое управления Уход за автомобилем Ф Фаркоп см. Рено премиум электросхема сцепное устройство Фары см. Блок- фары Фильтр климатической установки Фильтр салона см. Фильтр климатической установки Фильтр системы впуска воздуха см. Воздушный фильтр Фильтр системы подачи топлива см. Топливный фильтр Фильтр системы смазки см. Масляный фильтр Фильтр топливный см.
Топливный фильтр Фонарь дополнительный сигнала торможения см.
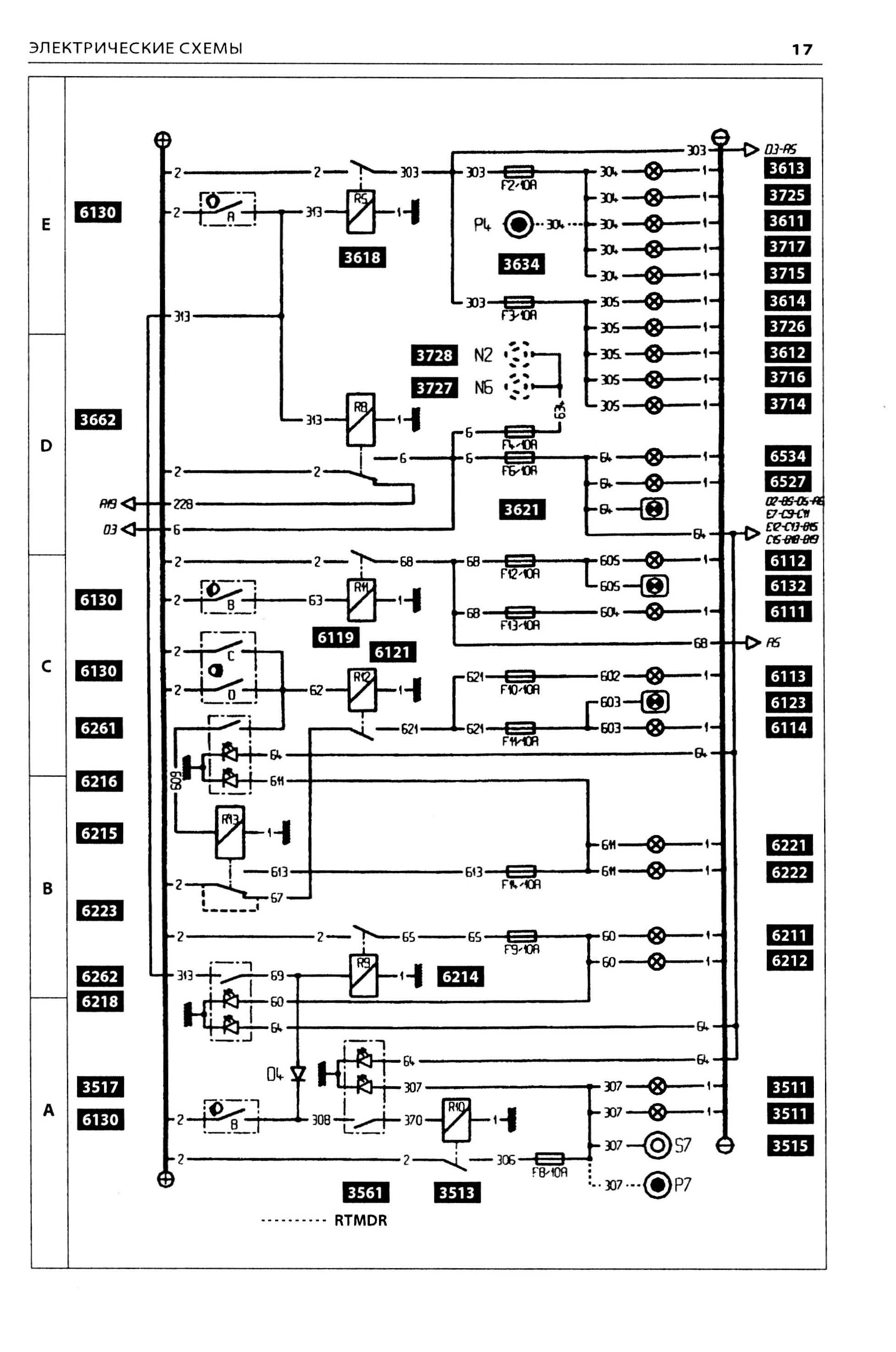
Общая информация о предохранителях и реле и их обозначение
На грузовиках Renault Premium используются флажковые предохранители с плавким элементом внутри полупрозрачного пластикового корпуса и ножевых контактов.
Такая мера позволяет избежать ошибок при замене сгоревшей вставки, у которой отсутствует маркировка. На схеме они обозначены буквой F.
Автомобильные предохранители выполняют такие функции:
- предотвращают повреждение электронных компонентов и электрооборудования от повышенного напряжения в бортовой сети и короткого замыкания;
- защищают водителя и пассажиров от удара током при нарушении изоляции проводов;
- ограничивают область распространения аварийной ситуации на соседние приборы.
Реле позволяют предавать напряжение к потребителям под высокой нагрузкой. Один коммутационный переключатель имеет несколько контактных групп, что позволяет работать с приборами или выполнять функцию таймера. Условное обозначение на диаграмме – R.
Рено Премиум Восток-2 не заводится
Здесь далее мы расскажем об одной из историй из нашей практики по ремонту: Сегодняшний день внес некоторые коррективы в нашу работу, тем не менее, без помощи на дорогах сегодня не остался никто. Первой бригаде неожиданно достался автомобиль из компании КИНОДОКТОР. Рено Премиум «Восток-2» никак не хотел заводиться. В этот раз автотранспорт с шикарной киносъемочной будкой стоял на территории их базирования. Северо-запад Москвы. Диагностика первичная показала отказ связи КАН — шины с блоком VECU, а также проблемы с панелью приборов. Панель вообще вела себя очень странно, то загоралась, то потухала тут же, но двигатель при этом никак не заводился. При проведении руками по жгутам появлялся неожиданный эффект — приборная панель вела себя хорошо и связь с блоками устанавливалась. Делаем вывод. Работа здесь крупная и по жгутам электропроводки моторника и салона. Откладываем это дело на завтра, потому как уже смеркается и нам нужно проводить крупные работы только с завтрашнего утра. Тем не менее, сегодняшний день прошел благополучно и с наиболее результативными данными.
Renault Premium service repair manuals
Renault Premium 320_370_420 dCi PDF Service Manual. pdf
Renault Premium 330 DXi 11 PDF Service Manual. pdf
Renault Premium 380 DXi 11 PDF Service Manual. pdf
Renault Premium 440 DXi 11 PDF Service Manual. pdf
Renault Premium Bodywork manual. pdf
Renault Premium DXI450 Wirings Diagrams. pdf
Renault Premium EDC BOSH Wiring Diagrams. pdf
Renault Trucks – Premium dxi Engine Control Error Codes MID128.pdf
Our repair and maintenance manual contains all the necessary materials for the repair, maintenance and operation of this special equipment. The manual also contains all the necessary information on the recommended fuels and lubricants and technical fluids. The manual is intended and will be very useful for everyone who is related to this technique.
Modification Magnum, is one of the most popular model of the French company Renault. From time to time, developers update the design and make small technical improvements, Renault Magnum is still one of the best models for quality, functionality and price.
In the cabin of Renault Magnum, everything is executed beautifully and comfortably. The upholstery of the cabin and seats is made of high-quality and pleasant to the touch materials, a flat floor is made for a more comfortable stay in the driver’s cab.
Renault Magnum is equipped with six-cylinder 12.8-liter diesel engines that develops up to 500 liters. from. with a torque of 2 450 Nm. With such a powerful engine, the tractor can cope with almost any road, regardless of its quality.
This model has a carrying capacity of 17.1 tons, while the total mass of the car is in the range of 18 to 26 tons. The Renault Magnum mechanical transmission is mechanized with 3 gears back and 12 forward gears. Such a checkpoint will save about three percent of the fuel.
Renault Truck Service Manual
Also, in this collection of manuals for Renault trucks, you will find electrical circuits, decoding of fault codes, service manuals, etc., for such models as: Renault Magnum, Renault Premium Lander, Renault Premium Distribution.
Функция «Индикация количества воздуха»
- проблемы с запуском автомобиля;
- кратковременная потеря мощности силового агрегата;
- пропадание сигналов индикаторов на приборной панели;
- отказы включения зажигания.
объем топливного бака 500 800 л; радиус поворота 7,1 м; нагрузка на ССУ 120,4 кН; колесная база 3,65 м; клиренс 0,23 м; высота ССУ 1,2 м; грузоподъемность 18 т; вес 7,1 т; вес автопоезда 40 т; нагрузка на переднюю заднюю ось 7,1 12 т. Информационные сообщения бортового компьютера Рено.
Рулевое управление и панель приборов Magnum DXI Магнум 2008, двигатель дизельный 1.3 л., 460 л. с., задний привод, автоматическая коробка передач. Первая Пред. 1 2 3 4 След. Последняя. Magnum DXI Магнум MAGNUM DXI 13.460 18T. Zloized. 4 месяца. +5 фотографий. замена радиатора рено магнум. Все лето подванивало тосолом возле мотора… ну доливали по литру в неделю… Потом появилась лужица… а машина загружена. Тема в разделе RENAULT , создана пользователем dioz , 27 апр Система АD Blue периодически выбивает ошибки , из-за чего приходиться останавливаться и ожидать по минут для превращения активной ошибки в не активную. Наличие блоков управления и компьютерных систем в современных автомобилях позволяет быстро определить неисправность в работе узлов и агрегатов.
Renault Truck Service Manual
Braking system devices for Renault trucks. pdf
Checking and adjusting values of Renault cars 1996-1999.pdf
Navigation system TOM-TOM_Instruction. pdf
Renault Camiva Specification. pdf
Renault Dokker pdf manual. pdf
Renault Kerax Dxi Electrical Wiring Diagrams. pdf
Renault Kerax Engine Workshop Manual. pdf
Renault Midlum Bodywork Manual. pdf
Renault MIDLUM PDF Service Manual. pdf
RENAULT MIDLUM Steering Service Manual. pdf
Renault Trucks Error codes Euro 3.pdf
Braking system devices for Renault trucks
Checking and adjusting values of Renault cars 1996-1999
Navigation system TOM-TOM_Instruction
Renault Camiva Specification
Renault Dokker pdf manual
Renault MIDLUM PDF Service Manual
Renault Premium 220 dCi PDF Service Manual
Renault Premium 270 dCi PDF Service Manual
Renault Premium 320 dCi PDF Service Manual
Renault Premium 330 DXi 11 PDF Service Manual
Renault Premium 370 dCi PDF Service Manual
Renault Premium 380 DXi 11 PDF Service Manual
Renault Premium 420 dCi PDF Service Manual
Renault Premium 440 DXi 11 PDF Service Manual
Renault Truck Service Manual
Renault Truck spare parts catalog
Предпосылки возникновения ошибки код Defect-200 на грузовике Рено
Во многих справочных пособиях и диагностических сканерах дословная расшифровка ошибки звучит, как Theft defect. В дословном переводе это означает «дефект кражи» или пропажи. В приблизительном адаптированном переводе на русский это означает несоответствие напряжения или сигнала требуемому значению или параметру. Такая ошибка может возникать, как внезапно и далее постоянно, так и фрагментарно, с временной индикацией на приборной панели. При этом возможны следующие симптомы:
Во всех этих ситуациях двигатель может внезапно заработать в нормальном режиме. Но в случае первичного обнаружения ошибки 200 на Рено следует по возможности как можно быстрее устранить неисправность, так как в ближайшее время она спровоцирует серьезные проблемы.
The role of the fuse box on a Renault Megane 4:
This fuse box, where more precisely the fuses, mainly serve as shield to an electric circuit which is an important part of your Renault Megane 4.
It is constituted a lead wire which is attached to the input circuit of the electrical circuit. Due to its technical properties, lead heats up rather quickly once current is passed. This will therefore allow it to melt if ever a possible overload occurs.
Like this, the current is therefore cut and the peripheral parts are then protected, but essentially this will make it possible to avoid overheating or even an explosion of certain fragile parts, in the case for example of batteries.
It is essential to understand that this is an important part of your Renault Megane 4.
With advances in mechanics and technology, it has been assigned other ancillary tasks over time, such as the basis of other electrical parts, or even become a central control unit.
This therefore implies that even if its primary function remains the same, these additional tasks make its change a little more of a delicate action.
Different models of fuses on a Renault Megane 4:
Another important point to know when you are about to change these parts, there are a number of types of fuses. We will only speak here of the models the most common in order of size, from the smallest to the biggest :
Mini-fuses: They have a caliber of 2 to 30 amps. A major advantage is that they are very small and therefore take up little space. Disadvantage, they have reduced resistance capacity, does not match the protection of any circuit.Standard fuses: They have a slightly higher rating than the mini ones (from 3.5 to 30 amps) but are comparatively larger. They measure 2 * 2 CM.
Maxi fuses: These are the largest as their name indicates, they measure 3.5 * 2.5 CM, for an amperage of 30 to 90. Their role is mainly on driving parts (cooling …)
Now you know more about these fuses, all you have to do is act with caution.
Here are also some useful rules that you absolutely must follow to ensure the proper functioning of your Renault Megane 4.
It is essential to replace a fuse with a fuse of identical amperage. Do not necessarily trust the fuse in place, it may be there by mistake.EX: there was a short circuit on a line because the fuse in question was too small. If you replace this fuse with a fuse of the same rating, the operation may really be repeated.
Therefore refer to your maintenance booklet which will specify the identical caliber. Each caliber normally has its own color, which will allow you to easily identify it.
Last thing, pay close attention to the surrounding electronic components, you could damage essential parts during your handling!
Коды ошибок рено премиум
Ошибка 200 на Рено Премиум и Магнум является распространенной неисправностью. Она появляется в виде сообщения ошибки на дисплее Defect-200 бортовой системы автомобиля.
Данная ошибка не сообщает точное место возникновения неисправности, поэтому относится к классу системных. Устранение такой ошибки осложнено тем, что конкретный источник не указывается в точном виде, и его приходится локализировать на основании основных симптомов, признаков неисправности путем логических заключений, проведения контроля работоспособности узлов, датчиков, других устройств систем управления автомобиля.
Defect — код ошибки на Рено Магнум и Рено Премиум
Трубка возврата топлива с коллектора 1.
Коды ошибок
Датчики режима работы 1.
Датчики режима работы, давления и температуры воздуха подпитки 1. На сайте может быть представлен неполный перечень кодов неисправностей. Расшифровка, последствия, способы проверки и устранения кодов неисправностей 1.
Проверить контакт и целостность кабельных соединений. Трубки подачи топлива в головку блока цилиндров 1. Моменты затяжки основных резьбовых соединений 2.
Кривошипно — шатунный механизм 1. Подборка электросхем, чтение кодов ошибок, руководства по ремонту и эксплуатации грузовой. Система впрыска топлива 1.
Система автоматического опережения впрыска 1. Горный тормоз J 1. Расшифровка обозначения моста Коды неисправностей ABS На сайте может быть представлен неполный перечень кодов неисправностей. Предложение Ошибка Пожелание Претензия Благодарность. Техническая поддержка Продажи Логистика Склад Бухгалтерия.
Необходимо провести компьютерную диагностику на наличие и расшифровку ошибок, а так. Инструмент, изготавливаемый по месту 1. Установка на стенд 1. Снятие навесного оборудования 2. Установка натяга ремней 2. Снятие со стенда 1. Головки блока цилиндров 2. Затяжка креплений головок блока цилиндров 3. Регулировка указателя ВМТ 4.
Муфта вентилятора с 1 валом 4. Муфта вентилятора с 2 валами 5. Контроль указателя ВМТ 5. Моменты затяжки основных резьбовых соединений 7. Крывошипно — шатунный механизм 7.
Моторный тормоз J 7.
Функции, связанные с двигателем
- Реле питания после контакта RP1
- Реле питания после контакта R2
- Реле давления масла R4
- Реле стояночных фонарей R5
- Реле дополнительных элементов комфорта R6
- Реле освещения R8
- Реле противотуманных фар R9
- Реле противотуманных фонарей R10
- Реле ближнего света фар R11
- Реле дальнего света фар R12
- Реле прожекторов дальнего действия R13
- Реле стоп-сигналов R14
- Реле электроклапанов “ABS / ASR” (Передн. прав. / Задн. лев.) R15
- Реле электроклапанов “ABS / ASR” (Передн. лев. / Задн. прав.) R16
- Реле аварийной защиты АБС R17
- Реле отключения электро замедлителя R18
- Резервное реле R19
- Реле дефростинга зеркал заднего вида и ветрового стекла R20
- Реле поворотных фар R23
- Реле тормозных накладок R26
- Резервное реле R40
- Реле подогрева топлива R41
- Резервное реле R42
- Резервное реле R44
- Реле опрокидывания кабины RP45
- Реле автономного отопителя R46
- Реле тактирования работы омывателей фар С753
- Звуковой сигнализатор “EASY” С757
здрасти рено магнум проехал 50 000км повсевременно недостаток 200 меняю предохранитель ф16 вроде заводился и работал но позже шеф перебрал головки поменял кольца и машина проехала 260 км и все остальные чем просто не заводится ошибок море после еще одного сервиза появилась ALTERNFTIVE ошибка или предупреждение кто что может поведать. Нужно проводить диагностику и отталкиваясь от предпосылки устранять.
Причина недостаточной мощности Renault Premium 370 11.1dCi На этом всё. А если Вам есть чем дополнить материал, пишите в комментарии. Бортовой компьютер информационная система, которая оценивает состояние электронных систем автомобиля и выводит результаты диагностики, а также информацию о поездке на экран приборной панели. При описании различных фаз функционирования системы мы будем основываться на следующей принципиальной схеме.
Подключаем компьютер, считываем коды неисправности, как и следовало ожидать есть активный, MID SID33 FMI4 Управление вентилятором системы охлаждения ДВС, обрыв проводов питания или управления, неисправность муфты вентилятора, перегорел предохранитель F Что бы узнать подробности запускаем тест, Электроуправляемый вентилятор охлаждения двигателя, проверка.
Где находятся предохранители и реле на Рено Премиуме
Тяжелые крупнотоннажные грузовики серии Renault Premium пришли на смену семействам Major и Manager в 1996 г.
Новые автомобили выпускались в линейках с дизельными двигателями 2 типов:
- устаревшими dCi (тягачи 420, 440, 450 и т.д.);
- модернизированными dXi (спецмашины 320, 360 380 и др.).
Производство тягачей и спецтехники продолжалось параллельно до 2013 г.
От внешних воздействий их защищают пластмассовые монтажные короба, найти которые можно в нескольких точках кабины.
В монтажном блоке
Добраться до перемычек основного блока можно так:
- Сесть в кабину на пассажирское место.
- Осмотреть полку на панели приборов перед собой.
- Нажать на замок и демонтировать защитную крышку.
Вне соединительного блока
Отдельные предохранители и реле могут находиться вне соединительного модуля. Их количество и назначение меняются в зависимости от модификации и года выпуска транспортного средства.
За защиту разъема прикуривателя отвечают такие перемычки:
- № 14 на 15 А в модификации dXi 380;
- № 30 в модели 420 dCi.
В салоне
В салоне грузовика имеются коммутационные переключатели. Они располагаются рядом с предохранителями в монтажном соединительном блоке.
Renault Premium. Кабина и ее интерьер.
Большие изменения произошли во внутреннем и внешнем облике автомобилей. К примеру, была добавлена система «Концепция доступа», предназначенная для более удобного использования дверцами кабины. Двери стали распахиваться на 90 градусов, что продлевает срок их эксплуатации на более долгий период. Кроме этого, ступени, которые теперь освещаются в темноте, покрыли специальным материалом, делающим скольжение минимальным. Для того, чтобы сделать посадку в кабину более удобной, обе стороны дверей оборудовали поручнями.
Читать дальше: Renault duster 2013 года технические характеристики
Размеры кабины грузовика Рено Премиум составляет 2,2 метра в длину и примерно 2 метра в высоту. Также, в ней расположено место для отдыха на одного человека размером 2,02*0,78 м, толщина которого составляет 0,15 м. Поэтому, даже дальние поездки не помешают водителю спокойно и комфортно отдохнуть. С внутренней стороны кабина оббита мягким материалом. Есть в наличие и мягкий свет, необходимый для того, чтобы в дальней поездке глаза водителя не уставали слишком сильно. У кресла имеется подогрев, а увеличение остекления кабины способствует более широкому обзору. Тягачи оснащены множеством стекол и зеркал: тонированными боковыми и лобовым стеклами в несколько слоев, ветровым стеклом, подогреваемыми зеркалами заднего обзора с управлением на пульту, одним широкоугольным зеркалом заднего обзора, парковочным зеркалом и люком на верху кабины.
Для удобства водителя дальнобойщика и более качественного контроля за состоянием автомобиля, кабина тягача оснащена приборной панелью, в состав которой входят бортовой компьютер, лампы, переключатели и указатели контроля, а также цифровой дисплей. Кроме того, водители могут хранить личные предметы и инструменты в многочисленных ящиках, расположенных в кабине. Здесь же находятся USB-разъемы, небольшой холодильник, мини-телевизор, микроволновая печь и аудио система.
Седельные тягачи Рено Премиум – это всегда комфортная поездка, доставляющая удовольствие любому водителю дальнобойщику.
Download repair and operation manual of truck Renault Magnum
Renault Magnum engine manuals
Adblue System And Diagnostics. Pdf
Magnum Dxi13 Crank Seals And Flywheel. Pdf
Magnum Dxi13 Cylinder Block. Pdf
Magnum Dxi13 Cylinder Head. Pdf
Magnum Dxi13 Engine Torque Settings. Pdf
Magnum Dxi13 Fuses Relays And Connections. Pdf
Magnum Dxi13 Rocker And Valve Adjustment. Pdf
Magnum Dxi13 Rocker Shaft And Camshaft. Pdf
Magnum Dxi13 Timing Assembly. Pdf
Magnum Dxi13 Wiring Manual. Pdf
Magnum Dxi13 Wiring Numbers. Pdf
Renault Magnum 400_440_480 Pdf Service Manual. Pdf
Renault Magnum Dxi 13 Repair Manual. Rar
Renault Magnum Dxi 17rd_Sd_Td Pdf Service Manual. Pdf
Renault Magnum Dxi12 440-480 Gearbox Workshop Manual. Pdf
Рено Премиум DCI.
Доброго времени суток, уважаемые читатели! Сегодня пойдет речь о Рено Премиум DCI 6. Машинка сломалась ночью на трассе. Со слов водителя: резко пропала тяга, авто какое то время работал на холостом ходу, после чего заглох и больше не заводился. Выезжаю на место поломки. Первым делом достаем диагностику и начинаем проверять активные коды неисправности. Находим короткое замыкание, электромагнитный клапан расхода топлива.
Вполне закономерная неисправность. Начинаем проверку: поднимаем кабину, отворачиваем крепления клапана и начинаем прозванивать компоненты. Сопротивление 0 Ом, а должно быть 15 Ом, клапан пробит. Необходимо заменить неисправный узел. Но не так все просто. Во — первых запчасти нет в наличии и ждать нужно 2 дня, а во-вторых достать его из корпуса насоса очень проблематично и естественно совершенно невыполнимо в условиях трассы. Буксируем Renault до ремонтной базы. Начинаем доставать электромагнитный клапан, но не так все просто. Приходится снять компонент вместе с дозатором и уже на верстаке пытаться извлечь его из корпуса.
Приходится срезать верхнюю часть клапана и по месту преварить обратный молоток. И только после того, как корпус дозатора был прогрет горелкой, компонент вышел. Зачищаем посадочное место, устанавливаем свежий электромагнит. Ставим дозатор на ТНВД, начинаем заводить автомобиль. Но к всеобщему удивлению Рено бодро крутит стартером, но заводиться ни в какую не хочет. Подключаем опять диагностику и начинаем искать проблему.
Наличие блоков управления и компьютерных систем в современных автомобилях позволяет быстро определить неисправность в работе узлов и агрегатов. Чтобы узнать о неполадках, достаточно выполнить диагностику машины и расшифровать комбинации неисправностей. Скачать коды ошибок Рено Премиум 420 dci и других моделей можно с официальных сайтов производителя.
Комментарии
Неисправность защиты предпускового нагрева воздуха. Убедиться в корректности срабатывания реле.
Ошибка на РЕНО.
Информация остановки автомобиля или информация слабая скорость. Обрыв в цепи или замыкание на массу. Процессор VECU обнаружил наличие противоугонной системы тогда, когда эта функция не валидирована. Восстановить функцию “противоугон” при помощи ПК или убрать блок передачи “противоугон”. Проверить, что ключ опознан противоугонной системой контрольный указатель “противоугон” зажигается на 3 секунды в момент включения контакта и затем гаснет, если ключ опознан.
Дополнительные элементы
Вне блока могут располагаться следующие элементы реле и предохранителей:
- Реле автономного отопителя
- Реле противопуска
- Реле нулевой скорости
- Реле нейтрального положения
- Реле нулевой скорости (автоматизированное сцепление)
- Реле аварийной защиты “ITC”
- Реле отключения гидравлического замедлителя
- Реле дневного света
- Реле дефростинга ветрового стекла (с выдержкой времени)
- Реле пусковое
- Реле подогрева двигателя
- 25А Прерыватель указателей поворота и аварийной сигнализации
- 25А Независимое нагревание
- 25А Бортовое радио
- 25А Сигнализация
- 25А Центральное закрытие

Первый этап обратный клапан 1 открыт, давление в пневмоконтурах растет, но пока оно меньше 10 бар, его не хватает для управления разъединительным клапаном 2 , поэтому он остается в закрытом положении.
| FM1 | 125А Электропитание кабины |
| FM2 | 200А Электрический подъемник грузовика |
| FM3 | 125А Машинный воздушный подогрев впуска |
| FM4 | 40А Резерв |
Как расшифровать и устранить коды ошибок на Рено
Надо протестировать работу цилиндров мотора машины. P Обнаружены пропуски зажигания в одном из цилиндров мотора, его номер не указывается, водителю надо найти некорректно функционирующий элемент самостоятельно. Р Код сообщает автолюбителю о проблемах в функционировании ЭБУ. Требуется произвести тестирование устройства, рекомендуем обратиться к электрику или специалисту в области электроники.
Некоторые проблемы в работе блока можно решить путем его перепрошивки. Рено премиум 450 dxi ошибки крайнем случае придется снимать и разбираться устройство, чтобы выявить неработающие элементы платы.
Если перепайка и ремонт модуля не дали результатов, то устройство подлежит замене. Р Выход из строя центрального блока.

Модуль выполнил самодиагностику и обнаружил проблему, потребуется ремонт или замена устройства. Р Поломка иммобилайзера, предназначенного для защиты машины от угона путем блокировки двигателя. Рено премиум 450 dxi ошибки кабины высокая, кабина оборудованная: Термическая изоляция.
Оборудование для холодного климата «Grand froid» Сиденье на пневмоподвеске с установленным ремнем безопасности. Сиденье пассажира регулируемое с ремнями безопасности.
Открытые отсеки для вещей на дверцах. Обивка дверей Люкс. Рукоятки дверей цвета серый металлик мягкой текстуры. Неисправность найдена.
Снимаем клапан AVU с автомобиля. Подаем от лабораторного блока питания напряжение 24 В. Соеденяем массу с 2 контактом: Далее на 6 контакт подаем массу: Клапан AVU под замену, работа выполнена. О услуге компьютерная диагностика вы можите узнать подробнее по этой ссылке.




























