Возможные симптомы
Симптомы кода неисправности P0443 могут быть просто включением контрольной лампы неисправности (MIL). Проблем с управляемостью может и не быть. Но также возможна обедненная смесь или грубая работа двигателя, если продувочный клапан застрял в открытом положении. Однако обычно эти симптомы сопровождаются другими кодами EVAP. Еще одним признаком может быть повышенное давление в бензобаке в виде «свистящего» звука при снятии крышки, что указывает на то, что продувочный клапан не работает или застрял в закрытом состоянии.
- Загорится индикатор Check Engine, и код будет сохранен в памяти ECM.
- Вы можете заметить небольшое снижение расхода топлива, если система отвода паров не работает.
Р0443 ошибка пежо партнер:
Ошибка Р0443 в автомобиле Peugeot Partner указывает на неисправность системы контроля испарений (EVAP). Эта система предназначена для улавливания и утилизации паров топлива, которые образуются в бензобаке и топливном баке. Если в системе EVAP возникают проблемы, появляется ошибка Р0443.
Основные причины возникновения ошибки Р0443 в Peugeot Partner могут быть следующими:
- Неисправный клапан соленоида EVAP. Этот клапан контролирует поток паров топлива в системе EVAP и может не функционировать правильно из-за износа или коррозии.
- Проблемы с проводкой или электрическими соединениями. Если провода или разъемы, связанные с системой EVAP, находятся в плохом состоянии или имеют неисправности, это может привести к ошибке Р0443.
- Неисправность контрольного модуля двигателя (ECM). Если ECM не работает должным образом, он может неправильно интерпретировать сигналы от системы EVAP и вызывать ошибку Р0443.
Для устранения ошибки Р0443 в Peugeot Partner можно предпринять следующие шаги:
- Проверить клапан соленоида EVAP. Сначала следует проверить состояние и функциональность клапана соленоида. Если клапан неисправен, он должен быть заменен.
- Проверить провода и электрические соединения. Произведите визуальный осмотр всех проводов и разъемов, связанных с системой EVAP. Если есть видимые повреждения или коррозия, провода или разъемы должны быть отремонтированы или заменены.
- Проверить контрольный модуль двигателя (ECM). Если все вышеперечисленные меры не помогли решить проблему, возможно, причина ошибки Р0443 кроется в неисправности контрольного модуля двигателя. В этом случае рекомендуется обратиться к специалистам для диагностики и ремонта ECM.
Важно отметить, что перед выполнением каких-либо действий по устранению ошибки Р0443 в Peugeot Partner рекомендуется обращаться к руководству по эксплуатации для получения дополнительной информации и проведения диагностики с использованием специализированного оборудования
Причины ошибки P0443
- Модуль ECM дал команду клапану управления продувкой открыться и обнаружил либо неполный обрыв цепи, либо короткое замыкание в цепи.
- Причиной кода P0443 может быть внутренний обрыв цепи клапана управления продувкой или коррозия разъема, что приводит к потере контакта с клапаном.
- Код также может быть установлен, если проводка к клапану повреждена между контроллером ЭСУД и продувочным клапаном, вызывая обрыв цепи, если провод обрезан, или короткое замыкание, если провод замкнут на массу или источник питания.
Чтобы вызвать ошибку P0443, должна быть проблема с управлением продувкой. ЦЕПЬ, не обязательно клапан. Обычно они представляют собой блок, в котором клапан и соленоид находятся в сборе. Или он может состоять из отдельного соленоида с вакуумными линиями к продувочному клапану. Тем не менее, это может быть любое из следующего:
- Неисправный соленоид продувки (внутреннее короткое замыкание или обрыв)
- Трение жгута проводов или трение другого компонента, вызывающее короткое замыкание или разрыв в цепи управления
- Разъем изношен, сломан или закорочен из-за проникновения воды
- Схема драйвера внутри модуля управления трансмиссией (PCM) неисправна
ПОСЛЕДОВАТЕЛЬНОСТЬ ПРОВЕРКИ
- УКАЗАНИЕ:
- С помощью портативного диагностического прибора считайте данные фиксированного набора параметров. Одновременно с записью в память кода DTC ECM сохраняет параметры состояния автомобиля и условий движения в виде данных фиксированного набора параметров. При поиске неисправностей фиксированные параметры позволяют определить, двигался ли автомобиль в момент возникновения неисправности или нет, был ли прогрет двигатель, каким было соотношение воздух-топливо (обедненным или обогащенным) и пр.
| 1.ВЫПОЛНИТЕ ДИАГНОСТИКУ В РЕЖИМЕ ACTIVE TEST С ПОМОЩЬЮ ПОРТАТИВНОГО ДИАГНОСТИЧЕСКОГО ПРИБОРА (АКТИВАЦИЯ УПРАВЛЕНИЯ ЭЛЕКТРОВАКУУМНЫМ КЛАПАНОМ ПРОДУВКИ) |
![]() |
Подсоедините портативный диагностический прибор к DLC3.
-
Отсоедините вакуумный шланг электровакуумного клапана продувки от угольного адсорбера.
-
Запустите двигатель и включите портативный диагностический прибор.
-
Выберите следующие элементы меню: Powertrain / Engine and ECT / Active Test / Activate the VSV for Evap Control.
-
Если для управления электровакуумным клапаном продувки используется портативный диагностический прибор, проверьте пальцем всасывание в отсоединенном шланге.
- OK:
-
Режим работы прибора Режим Заданные условия VSV – ВКЛ Холостой ход двигателя Присасывание пальца к отсоединенному шлангу VSV – ВЫКЛ Холостой ход двигателя Отсутствие всасывающего действия на палец в отсоединенном шланге
|
|
||||
| OK | |
|
| 2.ПРОВЕРЬТЕ ЭЛЕКТРОВАКУУМНЫЙ КЛАПАН ПРОДУВКИ |
![]() |
Отсоедините разъем электровакуумного клапана продувки (VSV).
-
Измерьте сопротивление между контактами электровакуумного клапана продувки.
- Номинальное сопротивление:
-
Контакты для подключения диагностического прибора Режим Заданные условия 1 — 2 20°C (68°F) 23-26 Ом
-
Подсоедините разъем электровакуумного клапана продувки.
|
|
||||
| OK | |
| 3.ПРОВЕРЬТЕ ЭЛЕКТРОВАКУУМНЫЙ КЛАПАН ПРОДУВКИ (НАПРЯЖЕНИЕ ПИТАНИЯ) |
![]() |
Отсоедините разъем электровакуумного клапана продувки (VSV).
-
Поверните замок зажигания в положение ON (ВКЛ).
-
Измерьте напряжение в соответствии со значениями, приведенными в таблице.
- Номинальное напряжение:
-
Контакты для подключения диагностического прибора Положение замка зажигания Заданные условия B19-2 — масса Замок зажигания в положении ON (ВКЛ) 9-14 В
-
Подсоедините разъем электровакуумного клапана продувки.
|
|
||||
| OK | |
| 4.ПРОВЕРЬТЕ ЖГУТ ПРОВОДОВ И РАЗЪЕМ (ЭЛЕКТРОВАКУУМНЫЙ КЛАПАН ПРОДУВКИ — ECM) |
![]() |
Отсоедините разъем электровакуумного клапана продувки (VSV).
-
Отсоедините разъем ЭБУ.
-
Измерьте сопротивление в соответствии со значениями, приведенными в таблице ниже.
- Номинальное сопротивление (при проверке на обрыв):
-
Контакты для подключения диагностического прибора Режим Заданные условия B19-1 (электровакуумный клапан продувки) — B36-22 (EVP1) Всегда Менее 1 Ом
- Номинальное сопротивление (при проверке на короткое замыкание):
-
Контакты для подключения диагностического прибора Режим Заданные условия B19-1 (электровакуумный клапан продувки) или B36-22 (EVP1) — масса Всегда 10 кОм или более
-
Подсоедините разъем электровакуумного клапана продувки.
-
Подсоедините разъем ECM.
|
|
||||
| OK | |
|
| 5.ПРОВЕРЬТЕ ПРЕДОХРАНИТЕЛЬ (EFI № 2) |
![]() |
Извлеките предохранитель EFI № 2 из блока реле моторного отсека.
-
Измерьте сопротивление в соответствии со значениями, приведенными в таблице ниже.
- Номинальное сопротивление:
-
Контакты для подключения диагностического прибора Режим Заданные условия Предохранитель EFI № 2 Всегда Менее 1 Ом
-
Установите на место предохранитель EFI № 2.
|
|
||||
| OK | |
|
TOYOTA-COROLLA.RU, 2009-2023
Связанные обсуждения DTC
- 2001 Dodge Ram 1500 4 × 4 P / U 5.9 код P0443Цепь регулирующего клапана продувки системы контроля за отводом паров топлива. Я заменил клапан, но все равно не повезло. Код появляется снова почти сразу после двух циклов зажигания. Читал на других сайтах, что они считают это «жестким кодом», не уверен, что это значит. Да, я осмотрел почти все…
- 2002 GMC Sierra 4.3L P0446 P0443У меня GMC Sierra 2002 года с 4.3-литровым мотором Vortec и пробегом 32 км. Он устанавливает код P0446 примерно каждые 3 месяца, почти как часы. У меня есть руководство Хейнса, купленное в Auto Zone. Я только что купил Actron CP9180 в Auto Zone, потому что начал думать, что им было больно стирать …
- p0443 код 2004 караван2004 Караван имеет код PO443. Я также видел, как время от времени появлялись 441 и 446. У него нет 12 В ни на одном из проводов соленоида продувки при включенном или работающем ключе. Оба провода проверяются как заземленные. Диагностические таблицы показывают, что при включенном ключе должно быть 12 В. Есть ли у меня проблема с PCM? или проблема с проводкой? А…
- Джип Либерти 2002 года не проверяет свет двигателя, но имеет 3 кода P0158 P0340 P0443Проблема с моим Jeep Liberty Limited Edition 2002L 3.7 × 4 4 года заключается в том, что двигатель не горит, и автомобиль работает без проблем, но когда я подключаю сканер OBD11, он показывает 3 неисправности PO158 (02 Sensor Circuit High) PO340 ( Цепь датчика положения распределительного вала) и PO443 (электромагнитный клапан продувки испарителя C…
- 2006 Opel Astra H 1.6 XEP (LPG) проблема P0141, P0400, P0443, P0130, P0300, P0301, P0302, P0303, P0304, P0314P0141 — Датчик O2, ряд 1, датчик 2 P0400 — Поток рециркуляции выхлопных газов, EGR P0443 — Контур клапана продувки системы контроля выбросов испарителя.Также у меня был датчик p0130 o2, банк 1, датчик 1, который я заменил, я надеялся, что очистит некоторые из этих кодов, но не не работает, у меня все еще есть коды, указанные выше… ..
- Jeep Grand Cherokee 2002 года, код P0443Я механик-хобби, пытаюсь вернуть свои джипы в дорогу. Grand Cherokee 2002 не пропускает выбросы, поэтому появился код P0443. Поэтому я заменил клапан продувки адсорбера и перезагрузил компьютер (отсоединил аккумулятор, затем снова подключил его), и индикатор проверки двигателя погас примерно на 10 миль в…
- 2005 Jeep Wrangler p0480 p0443 p0499У меня Jeep Wrangler 2.4л 6спд. горит индикатор проверки двигателя, и я сканирую его, он имеет код p0480, p0443, p0499, пожалуйста, скажите мне, в чем может быть причина, я пытаюсь стереть его, и он возвращается, пожалуйста, дайте мне знать….
- Код OBD P0443 Suzuki Alto 2013 996ccЗдравствуйте, у меня Сузуки Альто, Хэтчбек. 2013. 996cc Бензин Контрольная лампа двигателя загорелась и горит постоянно. Код OBD — P0443. Автомобиль проехал чуть более 60,000 XNUMX км. Машина едет совершенно нормально, разницы в характеристиках не замечаю. Я заменил соленоид продувочного клапана как…
- 2005 Dodge Caravan P0443 Соленоид продувкиУ меня есть кое-что, что происходит с моим 05 Caravan, я мог бы использовать некоторый опыт, если бы кто-то мог предложить некоторую помощь, это будет очень признательно. Я также обязательно сообщу форуму, когда и как проблема будет решена, нет ничего более отягчающего, чем предложить помощь и никогда не k…
- Код маф Юкона 2004 года очищен, теперь p0443Мой Yukon 2004 5.3 года показывал код maf, поэтому я заменил датчик maf и воздушный фильтр. Теперь я получаю код p0443 для системы catylst. Куда мне идти дальше, или это действительно серьезно? Спасибо…
What are the symptoms of code P0443 ?
In many cases, there may be no symptoms present other than a stored trouble code and an illuminated warning light. However, typical symptoms vary between applications; below are some typical symptoms that may, or may not be present-
- In the absence of an illuminated warning light, code P0443 may be displayed as a pending code.
- A strong odor of fuel may be present.
- If the purge valve is stuck open for whatever reason, the idle quality may deteriorate, the engine may run rough at some throttle settings, or the engine may even stall unpredictably.
- On some applications fuel consumption may increase.
Диагностика ошибки
Ошибка P0443 указывает, что электрические показания, т.е. падение напряжения и т.д. клапана очистки, находятся вне пределов заданных технических характеристик. Кроме того, функция продувки системы EVAP не создает заданный уровень вакуума, при проверке на герметичность. разряжение в системе (вакуум) измеряется и контролируется датчиком давления топливного бака. Вакуум может быть слишком высоким и слишком длительным (застрявший открытый клапан очистки) или слишком маленьким или отсутствовать (застрявший закрытый клапан очистки, утечка в системе или неисправный датчик давления в топливном баке).
Штатный тест на герметичность системы EVAP ECM:
- 1. При проведении теста на герметичность системы EVAP автомобиль должен быть неподвижным не менее четырех-восьми часов, чтобы температура двигателя и наружного воздуха были одинаковыми. В баке также должно быть от 15 до 85%.
- 2. Когда начинается тест выпускной клапан угольной канистры закрывается, чтобы предотвратить попадание свежего воздуха в систему EVAP. Клапан продувки также герметично закрыт.
- 3. Насос обнаружения утечек создает вакуума во всей испарительной системе. По истечении определенного промежутка времени — обычно около десяти секунд — клапан очистки закрывается, и уровень вакуума в системе измеряется датчиком давления топливного бака.
- 4. После этого, инициируется обратный отсчет, во время которого измеряется скорость падения вакуума в системе. Если скорость падения вакуума меньше, чем указано в двух последовательных тестах, блок управления двигателем зафиксирует выход из строя системы EVAP и запишет ошибку P0443. Большинство современных систем EVAP не пройдут тест на герметичность если в любом месте системы EVAP будет отверстие размером 0,5 мм.
P0443, коды ошибок OBD 2 на русском языке
Неисправность: диагностический код неисправности DTC, ошибка P0443 Mazda
Порядок выполнения диагностических операций при возникновении ошибки DTC P0443 регламентирован руководством по ремонту и техническому обслуживанию автомобиля Мазда . Указанные ниже причины ошибки P0443 соответствуют этим технологическим документам, и алгоритмы поиска, предписанные в них, реализуются специалистами Ниппон Сервис при диагностике и ремонте двигателей ваших автомобилей Мазда.
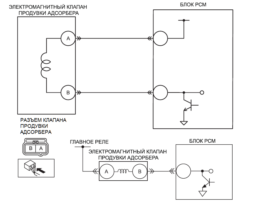
Ошибка DTC P0443 связана с неисправностью системы улавливания паров топлива Evaporative Emission Control System (EVAP) • Система улавливания паров топлива (EVAP) снижает выбросы углеводородов в атмосферу из топливного бака • При заглушенном двигателе пары бензина поступают в корпус адсорбера, где поглощаются слоем угольного адсорбента. При работающем двигателе в соответствии с условиями его работы пары бензина, поглощенные угольным адсорбером, проходят через электромагнитный клапан продувки вместе с воздухом, поступающим через воздушный фильтр адсорбера, и подаются во впускной коллектор двигателя, сгорая затем в камере сгорания.

Описание неисправности: • Неисправность в цепи электромагнитного клапана продувки адсорбера • Блок РСМ ведёт наблюдение за сигналом управления клапаном продувки. Если напряжение остаётся ниже или выше допустимого, то блок РСМ определяет, что в цепи управления клапаном продувки адсорбера имеется неисправность
Возможные причины:• Неисправность электромагнитного клапана продувки адсорбера • Неисправность разъёма или плохой контакт • Обрыв в проводе между контактом А клапана продувки и контактом блока PCM • Обрыв в проводе между контактом А и главным реле • Короткое замыкание на «массу» в проводе между контактом А клапана продувки и контактом блока PCM • Обрыв в проводе между контактом В клапана продувки и контактом блока PCM • Короткое замыкание на цепь питания в проводе между контактом В клапана продувки и контактом блока PCM • Короткое замыкание на «массу» в проводе между контактом В клапана продувки и контактом блока PCM• Неисправность блока РСМ

Процедура диагностики:1. Снимите электромагнитный клапан продувки адсорбера.2. Проверьте прохождение воздушного потока между портами клапана А и В при указанных ниже условиях.
• Если результат проверки не соответствует техническим условиям, замените электромагнитный клапан продувки адсорбера• Если результаты проверки соответствуют техническим условиям, выполните процедуру “Проверка цепи на обрыв или короткое замыкание”.
Проверка обрыва / короткого замыкания цепи электромагнитного клапан продувки адсорбера 1. Убедитесь в целостности и отсутствия короткого замыкания на массу или батарею электрической цепи между контактами клапана и контактами блока РСМ. Отремонтируйте или замените жгут проводов.
Цены на компьютерную диагностику, работы по замене и цену электромагнитного клапана управления EVAP, а также замену блока РСМ (при необходимости) в Ниппон Сервис вы можете уточнить у наших специалистов по телефону: +7(495) 001-05-21.
На каких автомобилях чаще встречается данная проблема
Проблема с кодом P0461 может встречаться на различных машинах, но всегда есть статистика, на каких марках эта ошибка присутствует чаще. Вот список некоторых из них:
- BMW
- Chevrolet (Шевроле Сильверадо)
- Chrysler (Крайслер Аспен)
- Citroen
- Daewoo (Дэу Джентра, Нексия)
- Ford (Форд Краун Виктория)
- Infiniti
- Jeep (Джип Гранд Чероки)
- Kia
- Lincoln
- Mazda
- Mercedes (Мерседес s550)
- Mitsubishi
- Nissan
- Peugeot (Пежо 308)
- Subaru
- Toyota
С кодом неисправности Р0461 иногда можно встретить и другие ошибки. Наиболее часто встречаются следующие: P0460, P0462, P0463, P0464.
Код ошибки P0443 формируется, когда ключ зажигания повернут в замке в положение ON, то есть, зажигание включено, однако непосредственно двигатель не запущен, и при этом ЭБУ диагностирует обрыв или короткое замыкание электрической обмотки клапана системы улавливания паров топлива. При этом активируется и сигнальная лампочка “чек”.
Также у некоторых автомобилей существуют дополнительные требования для формирования кода ошибки p0443. Например, для популярного автомобиля Chevrolet Captiva этими условиями является включенное зажигание, а также значение напряжение на аккумуляторной батарее и в целом в электросистеме автомобиля в пределах от 11 до 18 Вольт постоянного тока. Кроме этого ЭБУ диагностирует ошибку после 6 секунд соблюдения упомянутых условий. У других машин значения могут отличаться, но логика остается той же.
Возможные причины появления ошибки
Существует ряд типовых причин, из-за которых возникает так называемая ошибка абсорбера, как иногда именуют ошибку р0443. Среди них:
Обрыв цепи клапана
Однако чаще всего ошибки, связанные с некорректной работой системы улавливания топливных испарений (в том числе и 0443) возникают по причине засорения фильтра и трубок или других элементов, входящих в состав указанной системы. Например, частой причиной является то, что в адсорбере со временем гниет и рассыпается имеющийся в нем поролон, из-за чего уголь уходит в систему, забивая ее. В том числе забивается и клапан, вследствие чего он перестает корректно работать, вызывая соответствующие ошибки. Гниение происходит по банальным причинам — старости, постоянного намокания от конденсата, перепадов температур и так далее. Зачастую при забитом клапане системы EVAP при открытых передних окнах можно ощущать явный запах бензина в салоне. Особенно это актуально для теплого времени года.
Известны случаи, когда причиной формирования ошибки P0443 является отсутствие предохранителя в цепи управления клапаном системы улавливания паров топлива. Другой вариант — использование предохранителя с меньшим, чем нужно, номинальным значением тока срабатывания. Например, на популярном автомобиле Chevrolet Aveo наблюдалась при установке соответствующего предохранителя на 10 Ампер вместо положенных 15 Ампер. Его замена решила проблему.
Также причиной возникновения кода ошибки р0443 может быть разгерметизация крышки (или системы шлангов) топливного бака. Например, уплотнительная резинка на его крышке со временем износилась и не держит вакуум. Чтобы это проверить, достаточно прислушаться, раздается ли шипение во время того, как автовладелец откручивает крышку бензобака. Если звук есть — значит, скорее всего, система герметична. Если же такого звука нет — существует риск, что она подпускает воздух, а это может быть прямой причиной формирования в ЭБУ кода ошибки p0443.
На каких автомобилях чаще встречается данная проблема
Проблема с кодом P0443 может встречаться на различных машинах, но всегда есть статистика, на каких марках эта ошибка присутствует чаще. Вот список некоторых из них:
- Alfa Romeo
- BMW (БМВ Х5, E39, E46)
- Chery (Чери Амулет)
- Chevrolet (Шевроле Авео, Каптива, Круз, Ланос, Эквинокс)
- Chrysler (Крайслер Вояджер)
- Citroen (Ситроен С4)
- Daewoo (Дэу Ланос, Нексия)
- Dodge (Додж Караван, Рам)
- Fiat (Фиат Добло)
- Ford (Форд Мондео, Мустанг, Фокус, Эскейп)
- GMC Sierra, Yukon
- Honda (Хонда Аккорд)
- Hover
- Hyundai
- Jeep (Джип Вранглер, Гранд Чероки, Либерти)
- Kia (Киа Соренто, Спектра)
- Lexus
- Mazda (Мазда 3, Мазда 323, Мазда 6, Премаси, MPV)
- Mercedes
- Mitsubishi (Митсубиси Аиртрек, Аутлендер, Лансер, Монтеро, Паджеро, Цедия)
- Nissan (Ниссан Альмера)
- Opel (Опель Астра, Вектра, Зафира, Мерива)
- Peugeot (Пежо 206, 307, 308, Партнер)
- Renault (Рено Лагуна, Логан, Меган, Симбол)
- Skoda
- Suzuki (Сузуки Альто)
- Toyota (Тойота Авенсис, Камри, Королла, Ярис)
- Volkswagen (Фольксваген Гольф)
- Volvo
- ВАЗ 2110, 2111, 2112, 2114
- Волга
- Газель
- Заз Сенс, Шанс
- Лада Гранта, Калина, Ларгус, Приора
- Уаз
С кодом неисправности Р0443 иногда можно встретить и другие ошибки. Наиболее часто встречаются следующие: P0158, P0340, P0403, P0440, P0441, P0442, P0444, P0445, P0446, P0447, P0448, P0449, P0452, P0453, P0455, P0456, P0480, P0499, P1426, P1709.
Источник
Долгосрочные последствия неправильного решения проблемы
Ошибка Р0443 на шевроле авео т300, связанная с электромагнитным клапаном системы контроля паров топлива, может иметь серьезные долгосрочные последствия, если она не будет исправлена правильно и своевременно.
Во-первых, неправильное решение проблемы может привести к повышенному расходу топлива. Электромагнитный клапан, отвечающий за контроль паров топлива, играет важную роль в эффективной работе двигателя. Если клапан не функционирует должным образом, может происходить неправильное смешивание топлива и воздуха, что приведет к увеличению расхода топлива. Долгосрочное использование автомобиля с этой проблемой может значительно увеличить затраты на топливо.
Во-вторых, неправильное решение проблемы может повлиять на экологическую безопасность автомобиля. Воздушные выбросы из выхлопной системы автомобиля могут содержать вредные и токсичные вещества. Система контроля паров топлива помогает улавливать эти пары и перенаправлять их обратно в систему сгорания двигателя. Если эта система не функционирует должным образом, то токсичные вещества могут попадать в атмосферу, вредя окружающей среде и возможно, нарушая эпидемиологические нормы.
Наконец, некорректное решение проблемы может привести к дополнительным повреждениям внутренней системы автомобиля. Электромагнитный клапан является основным компонентом системы контроля паров топлива, и его неправильное функционирование может негативно сказаться на других частях системы. Неправильное смешивание топлива, неэффективная работа двигателя и повышенная нагрузка на другие компоненты могут привести к дополнительному износу и поломкам, требующим дорогостоящего ремонта.
В целом, ошибки Р0443 на шевроле авео т300 и других подобных производителей автомобилей требуют своевременного и профессионального решения. Неизвестность долгосрочных последствий неправильного ремонта или игнорирования проблемы должна служить мотивацией для правильного подхода к устранению ошибки и восстановлению нормальной работы системы контроля паров топлива.
Способы устранения Р0443 ошибки на пежо партнере
Ошибка Р0443 на пежо партнере может возникать по разным причинам, связанным с работой системы вентиляции топливного бака. В данной статье рассмотрим несколько способов устранения этой ошибки.
- Проверка и замена клапана системы вентиляции топливного бака. При возникновении ошибки Р0443 рекомендуется проверить и, при необходимости, заменить клапан системы вентиляции топливного бака. Для этого нужно отыскать клапан и проверить его на наличие повреждений или блокировки. Если клапан неисправен, рекомендуется заменить его на новый.
- Проверка электрических соединений. Другой возможной причиной ошибки Р0443 может быть неисправность электрических соединений, которые связаны с системой вентиляции топливного бака. В этом случае рекомендуется проверить все соединения и проводку на наличие повреждений или окисления. Если обнаружено повреждение или окисление, рекомендуется восстановить соединения или заменить проводку, при необходимости.
- Проверка и замена датчика давления в системе вентиляции топливного бака. Ошибка Р0443 может также возникать из-за неисправности датчика давления в системе вентиляции топливного бака. Рекомендуется проверить работу этого датчика и, при необходимости, заменить его на новый.
- Проверка и очистка фильтра системы вентиляции топливного бака. Засорение фильтра системы вентиляции топливного бака может также привести к ошибке Р0443. Рекомендуется проверить фильтр на наличие загрязнений и, при необходимости, очистить его или заменить на новый.
- Проверка и замена клапана рециркуляции отработанных газов. Неисправность клапана рециркуляции отработанных газов может также вызвать ошибку Р0443. Рекомендуется проверить его работу и, при необходимости, заменить на новый.
В случае, если самостоятельное устранение ошибки Р0443 не привело к положительному результату, рекомендуется обратиться к квалифицированному специалисту для диагностики и ремонта автомобиля.
Коды неисправностей шевроле авео: расшифровка
К автомобилю указанной модели применимо два способа считывания и диагностики поломок.
Первый вариант подразумевает использование встроенных бортовых систем. Здесь не потребуется использовать сторонние агрегаты или прозвонки. Штатный БК может самостоятельно установить цепь, где имеется поломка. Минусом процедуры является отсутствие деталей неисправности. Найти конкретную деталь нужно водителю самостоятельно.
Во втором варианте потребуется раздобыть специальный диагностический сканер и овладеть им хотя бы на минимальном уровне. Несмотря на сложность подготовки и самой диагностики, процедура позволяет определить конкретный узел, и даже место, где случилась поломка.
Далее приведена информация по расшифровке основных, распространенных проблем.



































