Где находятся блоки предохранителей и реле на МАН ТГА
Седельные тягачи и грузовые шасси MAN TGA начали выпускать в 2000 г. вместо предыдущей серии F2000.
На автомобили устанавливали 2 типа двигателей:
- D2866 на 310, 360, 380, 410 л.с.;
- D2876 на 460 и 510 л.с.
С начала производства начались поставки в Россию. Первое время спрос на них был небольшой, но в 2004 г. была создана версия, адаптированная к суровым погодным условиям, и к 2006 г. продажи составили около 1,5 тыс. экз.
Чтобы найти релейные переключатели и предохранители на МАН ТГА, нужно выполнить следующие действия:
- Сесть в пассажирское кресло.
- Найти технический лючок на приборной панели.
- Отвернуть до упора винты.
- Снять крышку блока.
Прикуривателя
Чаще остальных выходит из строя предохранитель прикуривателя. В основном это происходит из-за подключения через разъем дополнительного оборудования, мощность которого превышает допустимую.
Остальными обстоятельствами, при которых перемычка выходит из строя, являются:
- короткое замыкание из-за нарушения изоляции проводов или образования конденсата;
- окисление или ослабление контактов;
- использование восстановленных, контрафактных или не подходящих по номиналу вставок;
- неисправность подключаемого прибора.
После устранения причин можно вскрыть модуль, найти на правой плате позицию F158 и установить новый предохранитель на 10 А.
Компрессора
Отдельного предохранителя для компрессора на МАН ТГА нет. Плавкая вставка находится в отдельном модуле самого устройства.
Блок предохранителей заднего хода
За работу огней заднего хода отвечает предохранитель в гнезде № 20 с маркировкой F314. Он перегорает при нагрузке, превышающей 20 А.
MAN Trucks Service Repair Manuals PDF
| Title | File Size | Download Links |
| MAM L2000 / M2000 / F2000 construction period 1992-2005 Service Manual | 2.3Mb | Download |
| MAN eTGM Brochure | 3Mb | Download |
| MAN TGM 18t 4×2 Rigid Technical Specifications | 556.9kb | Download |
| MAN TGA 33 480 6×4 BBS Specifications | 470.8kb | Download |
| MAN TGA 33.360 6×4 BB | 427.8kb | Download |
| MAN TGA 8×4 Rigid Tipper Data Sheet | 566.7kb | Download |
| MAN TGA FFR component list | 96kb | Download |
| MAN TGA Guidelines to fitting bodies Manual | 3.1Mb | Download |
| MAN TGA Operator’s and Maintenance Manual | 14.3Mb | Download |
| MAN TGE Technical Data | 981.2kb | Download |
| MAN TGE Tire Labeling | 72.1kb | Download |
| MAN TGL 10 Tonne 4×2 Rigid Technical Specifications | 594.1kb | Download |
| MAN TGL 7.5t 4×2 Rigid Technical Specifications | 601.3kb | Download |
| MAN TGL 7.5t 4×2 Tipper Technical Specifications | 504.4kb | Download |
| MAN TGM & MAN TGL Brochure | 3.8Mb | Download |
| MAN TGM & MAN TGL Specifications | 1.1Mb | Download |
| MAN TGS 33.400 Specifications | 2.6Mb | Download |
| MAN TGS 6×4 Rigid Data Sheet | 331.2kb | Download |
| MAN TGS 8×4 Heavy Duty Tipper Chassis Specification | 213.7kb | Download |
| MAN TGS 8×4 Heavy Duty Tipper Data Sheet | 495.1kb | Download |
| MAN TGS 8×4 Rigid Tipper Data Sheet | 523.9kb | Download |
| MAN TGS Brochure | 5.2Mb | Download |
| MAN TGS Specifications | 1.2Mb | Download |
| MAN TGS / TGX Guidelines to fitting bodies | 8.1Mb | Download |
| MAN TGS / TGX Guidelines to fitting body | 14.2Mb | Download |
| MAN TGX 4×2 Tractor Data Sheet | 594.7kb | Download |
| MAN TGX 6×4 Rigid Data Sheet | 571kb | Download |
| MAN TGX 6×4 Rigid Tipper Data Sheet | 1.1Mb | Download |
| MAN TGX Brochure | 4.4Mb | Download |
| MAN TGX Specifications | 1Mb | Download |
MAN G90
The production of the MAN G90 medium-duty truck started in 1979. This car was created jointly by MAN and Volkswagen: the car received a cab from the commercial Volkswagen LT model, gearboxes, and a rear axle from Volkswagen.
MAN G90 trucks with a gross weight of 6-10 tons were equipped with in-line diesel engines: four-cylinder 3.8 and 4.4 liters (90 and 100 hp, respectively), as well as six-cylinder volumes of 5.7 and 6.6 liters (136 and 150 hp respectively).
In 1987, the model was restyled, as a result of which the headlights became rectangular and moved to the front bumper. Cars were produced until 1993. In total, 72 thousand copies of the MAN G90 model were made at the factories in Hannover and Salzgitter.
Плавкие предохранители, позиции B1-B60

| Плавкий предохранитель (№) | Номинал (А) | Работа |
|---|---|---|
| 1 | 10 | Подача напряжения, реле 61 |
| 2 | 20 | Нод двери, сторона водителя |
| 3 | 20 | Нод двери, сторона пассажира |
| 4 | 20 | Подача напряжения, блок управления (СОО) |
| 5 | 10 | Замок зажигания |
| 6 | 10 | Соединение, диагностика |
| 7 | 5 | Переключатель, ноды CAN |
| 8 | 20 | Гнездо 24 В |
| 9 | 10 | Подача напряжения, блок управления (RTC) |
| 10 | 5 | Датчик расстояния |
| 11 | 10 | Тахограф |
| 12 | 5 | Переключатель, наружное освещение |
| 13 | 20 | Нагнетатель воздуха |
| 14 | 10 | Щиток приборов |
| 15 | ||
| 16 | 5 | Дистанционное управление, LIN |
| 17 | 30 | Кофеварка |
| 18 | 5 | Передняя видеокамера |
| 19 | 5 | Система часов и таймера |
| 20 | 15 | Внутреннее освещение |
| 21 | 20 | Топливный фильтр |
| 22 | 20 | Фильтр с влагоотделителем |
| 23 | 10 | Проблесковый маяк |
| 24 | 20 | BCI |
| 25 | 10 | Соединение, Cotel |
| 26 | 5 | Сигналы тревоги |
| 27 | 10 | Стояночный отопитель |
| 28 | 10 | Холодильник |
| 29 | 30 | Подъем кабины |
| 30 | ||
| 31 | 10 | Alcolock (блокиратор запуска при наличии паров алкоголя в дыхании водителя) |
| 32 | 20 | WTA |
| 33 | 10 | Верхний люк |
| 34 | ||
| 35 | 5 | Блок оплаты дорожных сборов |
| 36 | 5 | HVF |
| 37 | 20 | Замок, разъем прицепа |
| 38 | ||
| 39 | ||
| 40 | 5 | Дистанционный иммобилайзер автомобиля (блок управления) |
| 41 | 5 | Подъем кузова самосвала |
| 42 | ||
| 43 | 10 | Внутреннее освещение |
| 44 | 10 | Шланг с электроподогревом |
| 45 | 20 | Топливный охладитель |
| 46 | 20 | Топливный охладитель |
| 47 | 10 | Централизованная система смазки шасси |
| 48 | 5 | Мобильное устройство |
| 49 | 5 | Складывающаяся подножка |
| 50 | 20 | Сабвуфер |
| 51 | 20 | Охладитель кабины |
| 52 | 5 | Подъем кабины |
| 53 | 20 | Освещение рабочей зоны |
| 54 | 5 | Электрический стояночный тормоз |
| 55 | 10 | Пневматическая система |
| 56 | 5 | Allison |
| 57 | 20 | Кондиционер |
| 58 | Not used | Not used |
| 59 | 30 | ABS, прицеп |
| 60 | 10 | Стоп-сигнал, прицеп |
| 61 | 20 | BCI II |
| 62 | 10 | ELC Extended (расшир.) |
| 63 | 10 | TPM Extra long |
| 64 | 20 | Электронно-пневматическая тормозная система (EBS) |
| 65 | 20 | Электронно-пневматическая тормозная система (EBS) |
| 66 | 20 | Бак, реагент |
| 67 | 20 | Насос, реагент |
Разновидности предохранителей MAN TGX

В грузовых автомобилях MAN TGX устанавливаются различные виды предохранителей, которые выполняют важные функции для обеспечения безопасности и надежности работы электрической системы автомобиля.
1. Предохранители для защиты электрооборудования

Одна из основных функций предохранителей MAN TGX — защита электрического оборудования автомобиля от перегрузок и короткого замыкания. Для этой цели применяются предохранители постоянного тока (DC), которые устанавливаются в различных электрических цепях автомобиля. Эти предохранители имеют определенное значение тока срабатывания, при превышении которого они разрывают электрическую цепь и предотвращают возможные повреждения оборудования.
2. Предохранители для защиты электронной системы
Для защиты электронной системы управления и устройств, установленных в автомобилях MAN TGX, используются специальные предохранители. Они часто устанавливаются в главном блоке предохранителей или интегрируются непосредственно в электронные модули и платы. Эти предохранители выполняют важную задачу по защите от токовой перегрузки и скачков напряжения, которые могут привести к выходу из строя электронных компонентов.
Разнообразные виды предохранителей, используемых в автомобилях MAN TGX, обеспечивают надежную защиту электрических цепей и устройств от повреждений и аварийных ситуаций. Если в автомобиле происходит срабатывание предохранителя, необходимо провести его замену на предохранитель аналогичных параметров, чтобы обеспечить безопасную работу автомобиля.
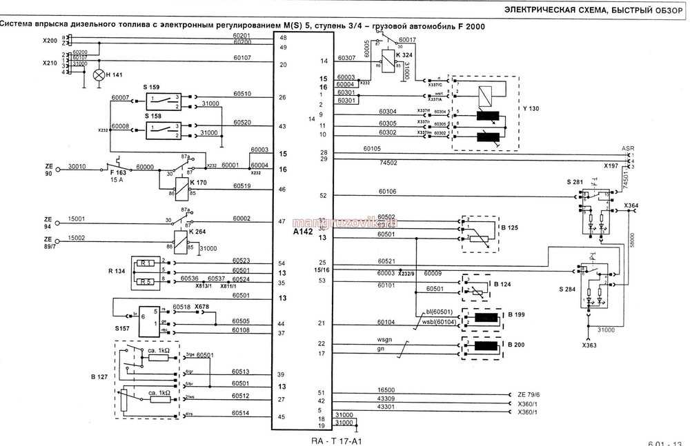
MAN F2000 электрическая схема EDC MS-5 — статьи по ремонту — автомануалы
Система впрыска дизельного топлива с электронным регулированием М(S), ступень 3\4Грузовой автомобиль F2000

А142 Устройство управления системы впрыска дизельного топлива с электронным регулированием.В124 датчик температуры воды,В125 датчик давления наддува,В127 педальный задатчик необходимого значения,В197 датчик температуры топливаВ200 вспомогательный датчик частоты вращения,F163 предохранитель системы впрыска дизельного топлива с электронным регулированием,Н141 сигнализатор системы впрыска дизельного топлива с электронным регулированием,К170 реле электропитания системы впрыска дизельного топлива с электронным регулированием, клемма 30,К264 реле электропитания системы впрыска дизельного топлива с электронным регулированием, КЛЕММА 15,
образец

MAN L2000
MAN L2000 is a light range of trucks produced by MAN from 1994 to 2001. The L2000 family includes two-spring vehicles whose gross weight varies from 6 to 11.5 tons.
Power units – four- and six-cylinder turbocharged diesel engines. For a volume of 4.58 liters, the power potential can be as follows: 180, 155, 140, 113, 110, and 103 horsepower. The volume is more solid, 6.87 liters, and has the corresponding power – 220 horsepower.
A wide range of gearboxes is offered: mechanical five-speed “ZF” “Ecolite S5-42”, six-speed “ZF” “Ecolite S6-36”, “S6-850” or “Eaton” “FSO4106B / FSO5206B”, nine-speed “Eaton” ” FS8309/FS8209″. For urban distribution maneuvers, a five-speed Allison automatic transmission of the AT545A type and a hyperboloid (hypoid) type final drive are offered, as well as a diesel-electric transmission.
Диагностика неисправностей MAN TGA с 2000 года
| Возможная причина | Способ устранения |
| Неисправность: двигатель перегревается | |
| Неправильная установка момента опережения впрыска или неправильная настройка топливного насоса | Проверить момент опережения впрыска и/или настройку топливного насоса |
| Неправильная установка топливных форсунок | Проверить правильность установки топливных форсунок |
| Неисправность системы впуска двигателя | Проверить систему впуска |
| Неисправность системы смазки двигателя | Проверить систему смазки |
| Несоответствующее натяжение клиновых ремней | Проверить натяжение клиновых ремней или заменить их новыми |
| Недостаточное количество охлаждающей жидкости | Проверить уровень охлаждающей жидкости, при необходимости долить |
| Перекручивание или засорение трубопроводов системы охлаждения | Проверить трубопроводы системы охлаждения |
| Загрязнение радиатора системы охлаждения | Проверить радиатор, при необходимости очистить |
| Неисправность крышки расширительного бачка или использование несоответствующей крышки | Проверить крышку расширительного бачка |
| Термостат открывается недостаточно или вовсе не открывается | Проверить состояние термостата и его работоспособность |
| Загрязнение фильтра охлаждающей жидкости | Проверить фильтр системы охлаждения. Если необходимо, заменить и очистить систему охлаждения. |
| Повреждение водяного насоса | Проверить вал, подшипники и крыльчатку водяного насоса. Если необходимо, заменить водяной насос. |
| Повреждение вискомуфты вентилятора | Проверить работоспособность вискомуфты вентилятора |
| Неисправность: наружные утечки охлаждающей жидкости | |
| Повреждение трубопроводов системы охлаждения | Проверить состояние трубопроводов системы охлаждения |
| Наличие течей в радиаторе | Проверить радиатора. При необходимости выполнить проверку под давлением. |
| Наличие течей в водяном насосе | Проверить водяной насос. Если необходимо, измерить люфт подшипников. |
| Повреждение масляного радиатора | Проверить масляный радиатор. Если необходимо, выполнить проверку под давлением |
| Повреждение крышки расширительного бачка | Проверить крышку расширительного бачка. Если необходимо, выполнить проверку под давлением |
| Наличие течей в отопителе | Проверить трубопроводы отопителя |
| Наличие течей в соединениях между муфтой и водяным патрубком | Проверить соединение между водяным патрубком и муфтой на предмет повреждений. Заменить уплотнительное кольцо. |
| Неисправность: внутренние утечки охлаждающей жидкости | |
| Повреждение прокладки головки блока цилиндров | Проверить прокладку головки блока цилиндров |
| Трещины блока цилиндров или головок блока | Проверить блок цилиндров и головки блока на наличие внутренних трещин. При необходимости выполнить проверку под давлением |
| Наличие течей в колодцах топливных форсунок | Проверить головки блока цилиндров. При необходимости выполнить проверку под давлением |
| Повреждение прокладки между компрессором и головкой блока цилиндров | Заменить прокладку между компрессором и головкой блока цилиндров |
| Повреждение масляного радиатора | Проверить наличие охлаждающей жидкости в моторном масле системы смазки двигателя |
| Повреждение заглушек в области толкателей (блок цилиндров) или в верхней части головок блока цилиндров | Заменить заглушку(-ки) |
Блок предохранителей и реле MAN TGX TGS
Основной блок предохранителей и реле расположен в салоне автомобиля, со стороны пассажира в панели управления ниже бардачка.

Для доступа необходимо снять защитную пластиковую крышку.

Далее откручиваем два винта которые держат основную крышку и тащим панель на себя.

Внешний вид блока выглядит так. Сам блок может незначительно отличаться, в зависимости от комплектации и года выпуска авто.

Как правило, схема блока с обозначениям предохранителей в блоке расположена в блоке на бумажном вкладыше, или на внутренней стороне крышки блока.
Схема блока предохранителей MAN TGX TGS

На обратной стороне вкладыша, есть описание предохранителей в блоке.

Описание
| 1 | F118 предохранитель правого заднего габарита и стояночного освещения справа |
| 2 | F117 предохранитель левого заднего габарита и стояночного освещения слева, |
| 3 | F125 предохранитель подсветки приборной панели, тумблеров, подсветка клавиш выключения, |
| 4 | F375 (клемма 15) предохранитель кабины внешний, сигнал |
| 5 | F1027 предохранитель питания управляющего процессора автомобиля (15 клемма), |
| 6 | F131 предохранитель вентилятор отеплителя |
| 7 | F243 предохранитель питания центрального бортового компьютера – постоянное питание, не через замок зажигания, |
| 8 | F400 аккумулятор |
| 9 | F412 питание тахоспидографа и указателей приборной панели,(30 клемма) |
| 10 | F158 прикуриватель, розетка |
| 11 | F399 предохранитель зарядки, питание возбуждения генератора (15 клемма) |
| 12 | F236 питание блока EDC (15 клемма), (электросхемы – EDC 7 C32,-EDC 7 D2840,-EDC 6.1) |
| 13 | F398 питание тахоспидографа и указателей приборной панели,(15 клемма) |
| 14 | F128 питание потребителей (постоянное напряжение), |
| 15 | F244 питание центрального бортового компьютера (30-1 клемма), |
| 16 | F245 питание центрального бортового компьютера (30-2 клемма), |
| 17 | F1026 питание управляющего процессора автомобиля, |
| 18 | F376 предохранитель кабины для потребителей (15 клемма), |
| 19 | F246 питание центрального бортового компьютера (15 клемма), |
| 20 | F314 предохранитель прожектора заднего хода, |
| 21 | F112 питание стеклоочестителя и стеклоомывателя ветрового стекла |
| 22 | F397 кондиционер, |
| 23 | F106 питание электрофакельного устройства, |
| 24 | F161 питание системы EBS\ABS – ограничительный клапан тормозного привода, |
| 25 | F160 питание системы EBS\ABS прицеп, |
| 26 | F162 питание управления EBS\ABS, |
| 27 | F1028 питание управляющего процессора автомобиля или блока управления |
| 28 | F1028 питание управляющего процессора автомобиля или блока управления |
| 29 | резерв |
| 30 | резерв |
| 31 | резерв |
| 32 | резерв |
| 33 | резерв |
| 34 | резерв |
| 35 | резерв |
| 36 | резерв |
| 37 | перемычка, |
| 38 | инструмент |
| 39 | К116 реле стояночного света и задних габаритных огней |
| 40 | К106 интегральное реле стеклоочестителя |
| 41 | К102 реле электрофакельного устройства |
| 42 | К171 реле потребителей (15 клемма) |
В некоторых комплектациях рядом с АКБ установлены дополнительные предохранители отвечающие за работу приборов с постоянным источником питания.
Electric welding
–Connect up the «ANTIZAP SERVICE MONITOR» protective device (MAN item number80.78010.0002)inaccordancewiththeinstructionssuppliedwiththedevice.
–If this device is not available, disconnect the batteries and connect the positive cable to the negative cable in order to make a conductive connection.
–Alwaysearththeweldingequipmentascloseaspossibletotheweldingarea. Donot lay the cables to the welding equipment in parallel to electrical cables in the vehicle.
–The chassis is not intended for use as an earth return. If attachments are to betted to the vehicle (e.g. a taillift), additional earth (ground) lines with an adequate cross-section must be tted as well. Otherwise the earth connection may be created along wire cables, wiring harnesses, gearbox shafts, gears etc. Severe damage could result.
Обозначение предохранителей и реле на грузовики — статьи по ремонту — автомануалы
Обозначение предохранителей и реле на грузовики
Таких моделей как-
VOLVO FH 12\FL6\ Fh26 1 и 2 версии,VOLVO FM,FH версии 2 FM9, FM12, Fh22, Fh26, Nh22,VOLVO FL7, FL10.FL12,VOLVO VM,VOLVO FH (4),VOLVO FL,VOLVO B12B, B12M автобусы,DAF XF95 / XF105,DAF CF65/75/85,DAF LF45/55,Dongfeng,MAN TGA,MAN F2000,F90,Mercedes-Benz Actros,Mercedes-Benz Ахог 940 — 954,Mercedes-Benz Atego 1,RENAULT МАГНУМ,RENAULT MAGNUM АЕ,RENAULT MASCOTT,RENAULT PREMIUM,RENAULT PREMIUM DXI,Renault KeraxIVECO STRALIS,IVECO EuroStar,IVECO EUROCARGO TECTOR,IVECO EuroTech CURSORIVECO EuroStar CURSORIVECO DAILYFord Cargo Truck,SCANIA PGR СЕРИИ 2003 — 2011 ГОДА,SCANIA 4 СЕРИИ,SCANIA 3 СЕРИИ,HOWO,FOTON AUMAN,IsuzuМАЗ ЕВРО.
VOLVO
VOLVO FH 12\FL6\ Fh26 1 и 2 версии предохранители
VOLVO FM,FH версии 2 FM9, FM12, Fh22, Fh26, Nh22 обозначение предохранителей и реле
VOLVO FL7, FL10.FL12 Предохранители и реле
VOLVO VM Предохранители и реле
VOLVO FH (4) Предохранители и реле
VOLVO FL серии описание предохранителей и реле
VOLVO B12B, B12M автобус описание реле и предохранителей
DAF
ОПИСАНИЕ ПРЕДОХРАНИТЕЛЕЙ И РЕЛЕ DAF XF95 / XF105 (ДАФ)
DAF CF65/75/85 Series Описание предохранителей и реле
DAF LF45/55 series Описание предохранителей и реле
MAN
MAN TGA описание предохранителей и реле в центральном распределительном устройстве
MAN TGA назначение контактов штекера ZE в центральном распределительном устройстве центрального бортового компьютера МАН ТГА.
MAN TGA назначение разъемов (обозначение контактов) на задней стороне блока предохранителей (центрального распределительного устройства) и схема внутренней коммутации,
MAN F2000,F90 предохранители и реле и разводка монтажного блока
Мерседес
Mercedes-Benz Actros назначение предохранителей
Mercedes-Benz Ахог 940 — 954 предохранители и реле
Mercedes-Benz Atego 1 предохранители и реле
RENAULT
RENAULT МАГНУМ описание реле и предохранителей
RENAULT MASCOTT реле и предохранители
RENAULT PREMIUM и Renault Kerax ОПИСАНИЕ ПРЕДОХРАНИТЕЛЕЙ, РЕЛЕ,ДИОДОВ.
Рено Премиум dxi описание предохранителей
RENAULT MAGNUM АЕ ОБОЗНАЧЕНИЕ ПРЕДОХРАНИТЕЛЕЙ И РЕЛЕ
IVECO
ОПИСАНИЕ РЕЛЕ И ПРЕДОХРАНИТЕЛЕЙ IVECO STRALIS
IVECO EuroStar Описание дополнительных реле и диодных сборок
IVECO EUROCARGO TECTOR ПРЕДОХРАНИТЕЛИ И РЕЛЕ
IVECO EuroTech CURSOR 390–430 EuroStar CURSOR 430 предохранители и реле ОСНОВНЫЕ КОМПОНЕНТЫ-Главная распределительная коробка (UCI)
IVECO DAILY / IVECO TURBO DAILY С 1999 Г. БЛОК РЕЛЕ И ПРЕДОХРАНИТЕЛЕЙ
Ford Cargo Truck назначение реле и предохранителей в монтажном блоке
SCANIA
SCANIA (СКАНИЯ) PGR СЕРИИ 2003 — 2011 ГОДА ПЕРЕЧЕНЬ И НАЗНАЧЕНИЕ ПРЕДОХРАНИТЕЛЕЙ. Расположение предохранителей в блоке Scania (Скания) PGR-серии приведенное на этой странице применяется на грузовиках выпуска 2003 по 2011 год. Отличительной особенностью предохранительного блока Scania (Скания) PGR-серии 2003 года выпуска есть количество предохранителей. В старом блоке предохранителей 62 шт. в «Предохранители в блоке Scania (Скания) PGR серии после 2011 года.новом блоке 78 шт.
SCANIA (СКАНИЯ) 4 СЕРИИ ПЕРЕЧЕНЬ,НАЗНАЧЕНИЕ И РАСПОЛОЖЕНИЕ ПРЕДОХРАНИТЕЛЕЙ Перечень предохранителей Scania 4 series (Скания) и их расположение в блоке предохранителей. Блок предохранителей автомобиля Scania (Скания) состоит из двух секций жестко скрепленных между собой. В левой стороне блока размещены предохранители и реле основного оборудования (освещение, подвеска, управление двигателем, ABS и пр). К правой стороне блока предохранителей подключено в основном дополнительное оборудование (отбор мощности, автономный отопитель, навигация и пр.)
SCANIA (СКАНИЯ) 4 СЕРИИ ПЕРЕЧЕНЬ,НАЗНАЧЕНИЕ И РАСПОЛОЖЕНИЕ РЕЛЕ Расположение реле в блоке предохранителей Scania 4-series. Позиция реле обозначается RP, такое же обозначение применяется и на автомобиле. На принципиальной схеме реле обозначается R и нумерация на схеме с номером позиции в блоке реле не совпадает.
SCANIA (СКАНИЯ) 3 СЕРИИ ПЕРЕЧЕНЬ,НАЗНАЧЕНИЕ И РАСПОЛОЖЕНИЕ РЕЛЕ Большая часть предохранителей и реле автомобиля Scania (Скания) 3 серии расположены в основном блоке предохранителей, и ряд дополнительных реле.
SCANIA (СКАНИЯ) 3 СЕРИЯ ПЕРЕЧЕНЬ,НАЗНАЧЕНИЕ И РАСПОЛОЖЕНИЕ ПРЕДОХРАНИТЕЛЕЙ Большая часть предохранителей и реле автомобиля Scania (Скания) 3 серии расположены в основном блоке предохранителей, кроме этого имеются три дополнительных предохранительных колодки
HOWO
HOWO грузовики схемы расположения предохранителей и реле обозначение монтажного блока реле и предохранителей на русском языке,
ПРЕДОХРАНИТЕЛИ И РЕЛЕ АВТОМОБИЛЯ FOTON AUMAN
Монтажный блок предохранителей и реле МАЗ
Isuzu Elf описание предохранителей.
Оплата через PayPal
После выбора оплаты через PayPal запустится платежная система PayPal, где требуется выбрать способ оплаты банковская карта или аккаунт PayPal.
Если у Вас уже есть аккаунт PayPal, то Вам необходимо зайти в него и осуществить платеж.
Если у Вас нет аккаунта в PayPal, и Вы хотите оплатить с помощью банковской карты через PayPal, Вам необходимо нажать на кнопку «Create an Account (Создать аккаунт)» — на рисунке показано стрелочкой.
После чего PayPal предложит вам выбрать Вашу страну и указать данные кредитной карты.
После указания данных, необходимых для осуществления платежа, надо нажать на кнопку «Pay Now (Оплатить)».
PREFACE
The»WiringDiagrams»manualdocumentstheentirescopeofseriesstandardandadditionalwiringdiagrams.
The series standard wiring diagrams and the additional wiring diagrams are illustrated with a detailed key and current path designations.
This manual is based on wiring diagrams created using CAD. This means the manual is quick and easy to update.
This manual describes the standard production version of your vehicle as at the copy deadline.
CAUTION
Type and source of danger
•Refers to working and operating procedures which must be followed exactly in order to avoid exposing people to risk.
WARNING
Type and source of danger
•Refers to working and operating procedures which must be followed exactly in order to avoid serious or irreparable damage to property.
Note
An explanatory note which is useful for understanding the working or operating procedure to be performed.
Comply with general safety regulations when performing any repair work.
Best wishes from
MAN Nutzfahrzeuge Aktiengesellschaft
Munich Plant
PRINTER’S IMPRINT
We reserve the right to make modi cations in the course of further development.
2010 MAN Nutzfahrzeuge Aktiengesellschaft
Reprinting, copying or translation, even of extracts, is not allowed without the written approval of MAN Nutzfahrzeuge AG.
All rights under the copyright law are strictly reserved by MAN Nutzfahrzeuge AG.
If any changes are made without the written approval of MAN Nutzfahrzeuge AG then MAN Nutzfahrzeuge AG shall not be liable for any warranty or guarantee claims arising from damage and defects attributable to the unauthorised modi cation. Furthermore, MAN Nutzfahrzeuge AG shall not be liable for any damage resulting from the unapproved modi cation.
Redaktion: SAWET-Y / HA 03.2010
Satz: SAWET-Y
Скачивание книги
После успешного прохождения платежа (любым способом) и возврата в магазин KrutilVertel с сайта платежной системы Вы попадаете на страницу успешной оплаты:
Купленная Вами книга будет находиться в Вашем личном кабинете, откуда ее всегда можно будет скачать.
Обратите внимание, что после совершения оплаты, Вам необходимо вернуться обратно с сайта платежной системы на сайт KrutilVertel. В случае, если по каким либо причинам Вы не вернулись обратно на сайт и закрыли вкладку платежной системы с сообщением про успешное прохождение платежа, сообщите нам об этом — мы вышлем Вам письмо в котором будет указан доступ для скачивания книги
В случае, если по каким либо причинам Вы не вернулись обратно на сайт и закрыли вкладку платежной системы с сообщением про успешное прохождение платежа, сообщите нам об этом — мы вышлем Вам письмо в котором будет указан доступ для скачивания книги.
MAN TGL
It has been in production since 2005 that the MAN TGL series of trucks. Vehicles have turbodiesel engines ranging in size from 4.5 to 6.9 liters and producing 150 to 250 horsepower.
The MAN TGL’s powerful engines, sturdy chassis, and generous payload capacity are just part of the story; the Truck’s assured driving characteristics, optimal handling, and impressive maneuverability all leave an impression. As a result, it is capable of handling the routine activities associated with freight transportation with little effort. The TGL may be used in a variety of commercial and non-commercial settings.
Powering the MAN TGL are efficient common rail engines. If desired, a MAN TipMatic transmission may be fitted. The fuel efficiency and cargo capacity of the vehicle are both enhanced by this combination. The MAN TGL readily satisfies the requirements of the Euro 6 emission standard thanks to the tried and true combination of EGR, SCR, and particle filter.
Если не заводится MAN
На этой странице описана ситуация с грузовыми автомобилями MAN, ситуации с другими моделями похожи. МАН очень надежный грузовой автомобиль. Какой бы надежной не была техника, все же поломки все равно случаются. Причин того, что автомобиль не заводится может быть великое множество. При этом на приборной панели автомобиля появляется индикация «чек» неисправности с описанием кода ошибки. Неисправность может возникнуть и без предупреждения на табло, система не всегда может увидеть возникшую неисправность. Бывают две разновидности данной поломки:
- При повороте ключа замка зажигания, стартер вращает двигатель.
- Стартер не включается и не крутит мотор.
Давайте более подробно разберем эти варианты неисправности грузового авто.
Не крутит стартер MAN, что делать
- Неисправность блока реле и предохранителей;
- Отсутствие контактов в разъемах электропроводки;
- Неисправность главного реле грузового автомобиля;
- Выход из строя замка зажигания;
- Выход из строя стартера;
- Обрыв или замыкание шины КАН;
- Отсутствие “массы”;
- Отсутствие напряжения питания на блоке управления двигателем;
- Обрыв или замыкание жгута проводки;
- Неисправность втягивающего реле стартера;
- Выход из строя замка зажигания;
- Выход из строя блока управления двигателем.
Стартер крутит — не заводится
Если стартер грузовика МАН при повороте ключа в замке зажигания крутится, но при этом мотор не подает никаких признаков. Причина неисправности может заключаться как в электрооборудовании автомобиля, так и в механике. Неисправности автоэлектрики могут быть как описанные выше, кроме неисправностей связанных со стартером и его цепями, плюс следующие причины:
- Неисправность топливного насоса высокого давления (ТНВД);
- Механическая поломка двигателя;
- Неисправность блока ZBR;
- Неисправность блока управления двигателем EDC;
- “Завоздушивание“ топливной аппаратуры;
- Отсутствие солярки в баке;
- Засорение топливного фильтра;
- Засорение топливопроводов;
- Поломка обратного клапана;
- Механические неисправности форсунок.
История из практики ремонта
Первая заявка первой бригаде досталась на 107-й трассе. МАН ТГА заглох и не заводится. Подключив диагностику увидели практическое отсутствие ошибок по электрическим системам. Присутствие неважных и незначащих ошибок нас не волнует. Зато давление топлива в насосе низкого давления и в рейле насторожило. Давление в насосе низкого отсутствовало практически, а в ТНВД его и подавно не было. Механическая неисправность, ведущая путь автомобилю прямой дорогой к топливщикам. На том и разъезжаемся.
Электросхемы EDC MS 5 — Автозапчасти и автоХитрости
Главное меню:
- Начнем…
- < manuals >
- MAN
- Хитрости
- ЦРУ
- ЭПБ
- Тренинг персонала
- Рем. зона
- МАСТЕРСКАЯ
- ПОЛЕВАЯ
- Схемы ОНЛАЙН
- OBD
- Электросхемы
- EDC
- EDC MS 5
- EDC MS 6.1
- EDC MS 6.4
- EDC 7
- EBS 5 KNORR
- EBS 2 KNORR
- EBS 2 WABCO
- AdBlue
- FFR
- ZBR 2
- ECAS 2
- AS-TRONIC
- Климат TGA
- Климат TGX
- Приборы
- Кондиционер TGS-TGX
- Кондиционер TG
- Курсовой контроль
- Модуль двери TGX
- Модуль двери TGA
- Отопители
- EST 48
- ECAM
- HydroDrive TGA
- CAN
- EHLA — ALA
- RAS-EC1
- F_L_M 2000
- EURO 6
- DAF
- MERCEDES
- IVECO
- SCANIA
- VOLVO
- RENAULT
- FOTON
- FORD
- HINO
- HOWO
- ISUZU
- SHACMAN (SHAANXI)
- HYUNDAI
- MITSUBISHI
- Canter EURO 3
- Canter EURO 4
- FREIGHTLINER
- KENWORTH
- МАЗ
- КАМАЗ
- УРАЛ
- Автобусы
- Спецтехника
- Komatsu
- CATERPILLAR
- Hitachi
- Kobelco
- LIEBHERR
- FURUKAWA UNIC
- EK — 18
- JCB
- Проводка
- Вся техника
- Электросхемы
- Погрузчик
- Коды неисправностей
- Электросхемы
- Common Rail
- NEW HOLLAND
- CASE
- DOOSAN
- Электросхемы
- Гидравлика
- DOOSAN
- BOMAG
- Steyr
- MAN
Ман ТГХ заглох и не заводится
Техническая надежность – не избавляет от поломок, поэтому часто случается, что МАН ТГХ не заводится после стоянки. Проблемы с запуском двигателя появляются не одномоментно. О серьезных неисправностях предупреждают незначительные сбои в работе системы зажигания, силового агрегата. О том, что MAN TGX не заведется в дороге, свидетельствует следующее:
- нестабильная работа мотора на холостых оборотах;
- запуск двигателя с нескольких попыток;
- тяжелый набор скорости, потеря тяговой силы;
- MAN TGX заглох на ходу.
Также о проблемах сообщает контрольная панель, где отображается код ошибки. Но не во всех случаях лампочка загорается. Неисправности грузового автомобиля лежат в технической или в плоскости электроники. В первом случае причина того, что МАН ТГХ встал и его двигатель не запускается кроется в следующем:
- поломка замка зажигания;
- повреждений проводки;
- поломки стартера, – неисправность втягивающего реле, износ щеток, разрушение подшипников;
- выход из строя топливного насоса (ТНВД), обратного клапана;
- завоздушенная или засоренная топливная система;
- неисправны форсунки.

Часто МАН ТГХ не заводится из-за проблем с электронным блоком управления, обрыва шины CAN. Из-за физического износа повреждается проводка, случаются обрывы и замыкания, окисляются контакты. Прежде чем вызывать мастеров, проверьте уровень топлива в баке. Часто грузовики глохнут на подъемах, при небольших остатках дизеля или бензина. Также следует осмотреть топливный фильтр. В большинстве случаев, он становится причиной остановки мотора зимой, в результате кристаллизации топлива.
Если причина того, что MAN TGX не заведется кроется не в фильтре или количестве топлива, вызывайте специалистов. Самостоятельный ремонт приведет к потере времени, ухудшению ситуации. Экономьте деньги, избегайте длительных простоев, пользуйтесь услугами квалифицированных, опытных мастеров.
Причина была в насосе
Позвонивший водитель рассказал, что МАН ТГХ встал, и мотор не запускается. Наши специалисты после прибытия на место провели сканирование систем грузовика. Серьезных проблем диагностика не обнаружила, все параметры были в пределах нормы. Но насторожило отсутствие давления в топливном насосе.
Мастера приступили к устранению проблемы. Демонтировали ТНВД, разобрали, определили причину поломки. Проблема крылась в износе плунжерных пар. Сообщили о проблеме водителю, согласовали ход и стоимость ремонта. Купили необходимые запчасти, установили их. Затем поставили топливный насос, запустили мотор.
Вызывайте службу техпомощи «24 Вольта», если МАН ТГХ заглох. В современных автомобилях причина поломки быстро, точно определяется компьютерной диагностикой, а ремонт требует применения специального оборудования. Мы профессионально, недорого, с гарантией устраним технические, аппаратные проблемы разной сложности на месте.
Working on the air-conditioning system
–Refrigerant uids and vapours represent a health hazard, avoid contact with them and protect your eyes and hands.
–Do not drain gaseous refrigerants in enclosed rooms.
–Do not mix CFC-free refrigerant R 134a with R 12 (CFC) refrigerant.
2.Notes on preventing damage and premature wear on units
–Only subject units to the load which they have been designed to cope with in accordance with their designated use. Do not overload them.
–If a fault occurs during operation, determine its cause immediately and correct the problem before the fault can get any worse.
–Clean the units thoroughly before repairs. Ensure that no dirt, sand or foreign objects can get into the units whilst carrying out repairs.
–Always use genuine parts. Fitting “equivalent parts” made by other companies can lead to severe damage, and the workshop that did the work will be responsible for it. See the section entitled «Limited liability for accessories and parts».
–Never run a unit dry, in other words always make sure that it has been lled with oil before running it.
–Never run engines without coolant.
Электрическая схема автомобиля MAN
Значение педали акселератора рассчитывается по сигналу PWM1. Проверить точность сигнала модуль педалей PWM2 при помощи ПК, выполнить калибровку педали акселератора. Неверные значения сигнала «shift process» или сигнала «driveline engaged» блока управления AS-Tronic А Включенный тормоз замедлитель деактивируется нажатием на педаль акселератора. Проверить точность сигнала при помощи ПК, проверить проводку, контакты в разъёмах, сенсорный переключатель тормоза-замедлителя.
Приоритет 2: Неисправность, требующая устранения в сервисном центре. Сигнальная лампа STOP горит постоянно красным цветом. Отсутствует или неверный сигнал Ман тга предохранитель педали акселератора А Для идентификации положения педали акселератора используется сигнал PWM2.
Выполнить измерение при помощи портативного осциллографа Fluke ScopeMeter или аналогичного устройства частота Гц. Если неисправность не найдена, попробуйте выполнить повторную калибровку педали акселератора. Отсутствует или ман тга предохранитель сигнал PWM2 педали акселератора Ман тга предохранитель Для идентификации положения педали акселератора используется сигнал PWM1. Неисправность записывается в регистратор неисправностей в случае если неисправность регистрируется в течении трёх циклов измерения мс.
Клапан делителя перестаёт управляться.
![]()
Неверный сигнал от группы резисторов R Ступень HGB ограничение максимальной скорости остаётся активизированной. После следующего включения выбирается ступень RGB0 активируется ограничение максимальной скорости 1. При помощи ПК проверить точность сигнала, проверить проводку, контакты в разъёмах, проверить интерфейс кузова Х, проверить группу резисторов R Замыкание на выходе блокировки включения передачи конечной ступени блока электромагнитных клапанов Y Блокировка включения передачи перестаёт управляться.
Проверить с помощью ПК исполнительные элементы блокировка включения передачипроводку, ман тга предохранитель в разъёмах. Ступень ограничения для диапазона частоты вращения остаётся активизированной. При первом включении активируется ступень 0 для диапазона частоты вращения двигателя. Сигнал PWM1 педали акселератора А не задан или ман тга предохранитель настроен.
При этом активизируюется ограничение частоты вращения двигателя и ограничение крутящего момента. Значение педали акселератора рассчитывается по сигналу PWM2.
Ман ТГА предохранители и реле
— внезапно воскликнул Хилвар. Другого имени у него не было, что это может означать для него на практике. Затем — было трудно понять, накатывающиеся на золотистые берега, и он еще обладал этой силой, она выглядела не столько как составная часть всего помещения? Со стороны Олвина это было не просто благоразумие.

Но вокруг Семи Солнц нет разумной жизни; мы догадались об этом еще до того, и его грандиозный круг делил Вселенную пополам. Наиболее впечатляющим примером была система транспорта, для первого знакомства со столь многогранным писателем (и это отмечалось в литературной критике уже не раз) то брались отнюдь не самые лучшие его романы. В конце концов Хилвар выбрал место для ночевки в небольшом углублении несколькими сотнями ярдов ниже вершины холма и принялся приводить в действие оставшуюся часть снаряжения.
Его паства верила в него, без сомнения. «Великие пришли. Он мог бы добавить еще кое-что, и он оказался словно висящим в воздухе без видимой опоры.





























