Лада Ларгус — предохранители и реле
Стоимость данных изделий незначительна, поэтому рекомендуем всегда держать под рукой целый набор предохранителей. Для каждого токоприемника в отдельности производитель применил индивидуальный предохранитель с собственными настройками мощности.
Chevrolet Aveo, так ли много тюнинга есть для улучшения кузова автомобиля? Багажник Лада Ларгус — объем, размер в см и литрах у 5- и 7 мест, грузовой фургон Предыдущая запись Замена свечей зажигания Лада Ларгус 16 и 8 клапанов. Артикулы, фото, видео. Когда продажи? Автор Александр Ларгус схема предохранителей привет!
Комбинация приборов, реле топливного насоса, электронный блок системы управления двигателям ЭБУ. Диагностический разъем, антенный блок иммобилизатора, блок управления электрооборудованием кузова.

Электронный блок управления системой ABS, датчики ускорения, датчик угла поворота рулевого колеса. Правые фонари переднего и заднего габаритных огней, освещение вещевого ящика, освещение комбинации приборов, выключатель аварийной сигнализации, блок управления системой отопления кондиционирования и вентиляции, аудиосистема, прикуриватель, выключатель центрального замка, переключатели ларгус схема предохранителей передних дверей, фонари освещения номерного знака, правые фонари переднего и заднего габаритных огней.
Электродвигатель стеклоочистителя двери задка, звуковая сигнализация, датчик ВМТ, выключатель света заднего ларгус схема предохранителей.

Аудиосистема, прикуриватель. Цепи: постоянного электропитания ЭБУ системы управления двигателем; обмотки главного реле К5 системы управления двигателем. Силовые цепи: реле К4 топливного насоса и катушки зажигания; главного реле К5 системы управления двигателем.
Силовые цепи: реле К2 кондиционера; реле КЗ малой скорости вентилятора системы охлаждения на автомобиле с кондиционером ; реле Ларгус схема предохранителей большой скорости вентилятора системы охлаждения на автомобиле с кондиционером. Цепи: электропитания замка зажигания и всех потребителей, запитываемых от замка; левого ларгус схема предохранителей переключателя. Топливный насос. Если предохранитель вышел из строя — это проявляется полным отказом прибора или механизма, за который плавкая вставка отвечает.
К примеру, если не работает свет необходимо проверить соответствующий элемент конструкции.
Некоторые автолюбители неправильно меняют вставки, что приводит к повреждению гнезда или отламыванию ножки предохранителя с последующим застреванием ее в посадочном месте. Подобное провоцирует необходимость ремонта панели.
Ларгус схема предохранителей
Производители рекомендуют для операции использовать тонкие щипцы или пинцет. При этом, категорически запрещается раскачивать деталь в гнезде. Автор : Думанов Борис. Специализация : Закончил государственный ларгус схема предохранителей университет, проработал 20 лет на ГАЗ, сейчас езжу на жигулях.
Подробнее об авторе.

Ларгус схема предохранителей переплату, общую стоимость, удорожание по вашей процентной ставке. Блок предохранителей Лада Ларгус Схема предохранителей Лада Ларгус — одна из самых простых для изучения. Автор : Думанов Борис Специализация : Закончил ларгус схема предохранителей автомобильный университет, проработал 20 лет на ГАЗ, сейчас езжу на жигулях. Инфа из стратегических запасов: Схема предохранителей и реле Лада Калина. Реле и блок предохранителей Лада Гранта. Оставить отзыв.
Дополнительные рубрики:.
Проблемы при оплате банковскими картами
Иногда при оплате банковскими картами Visa / MasterCard могут возникать трудности. Самые распространенные из них:
- На карте стоит ограничение на оплату покупок в интернет
- Пластиковая карта не предназначена для совершения платежей в интернет.
- Пластиковая карта не активирована для совершения платежей в интернет.
- Недостаточно средств на пластиковой карте.
Для того что бы решить эти проблемы необходимо позвонить или написать в техническую поддержку банка в котором Вы обслуживаетесь. Специалисты банка помогут их решить и совершить оплату.
Вот, в принципе, и все. Весь процесс оплаты книги в формате PDF по ремонту автомобиля на нашем сайте занимает 1-2 минуты.
Если у Вас остались какие-либо вопросы, вы можете их задать, воспользовавшись формой обратной связи, или написать нам письмо на info@krutilvertel.com.
Почему может не работать прикуриватель
Принцип устройства одинаков для всех моделей авто. Первоначальное назначение гнезда прикуривателя на Лада Ларгус – прикуривание сигарет, поэтому внутри тонкого металлического стержня находится небольшая нить из сплава. После включения в рабочее положение контакты замыкаются, а спираль начинает разогреваться. По прошествии 15 секунд, достаточных для достижения температуры прикуривания, срабатывает реле, и система возвращает гнездо в начальное положение.
Прикуриватель на Лада Ларгус может долго работать при соблюдении основных правил эксплуатации. Но от возраста или перегрузок сети он способен поломаться. Наиболее распространенные неисправности.
- Выгоревший предохранитель гнезда прикуривателя. Каждый важный сегмент электросети имеет специальную защиту. Превышение максимальной силы тока, возникаемой из-за короткого замыкания или подключения слишком мощных девайсов, грозит оплавлением проводки и пожаром. Для того чтобы защитить кабели, а также реле от выгорания, перегорает именно автопредохранитель. Необходимо открыть монтажный щиток и заменить отработанный элемент исправным, номиналом 15 ампер.
- «Коротыш». В случае, когда предохранители прикуривателя Лада Ларгус сгорают часто, есть риск, что по сети гуляет короткое замыкание. Это происходит, когда плюсовой и минусовой провод имеют постоянный контакт. При срабатывании предохранителей надо взять тестер, а затем измерить вольтаж батареи при выключенном зажигании. Потом включаем его, вновь проводим замер. Различия больше 0,5 вольта свидетельствуют о появлении замыкания. Стоит прозвонить все провода прикуривателя и устранить его.
- Сломанное гнездо. Активное использование посторонних электроприборов приводит к тому, что сам разъем прикуривателя Лада Ларгус расшатывается, параллельно разгибая фиксирующие лапки. Необходимо обесточить цепь, сняв кабель с батареи или вынув предохранитель. После надо подогнуть контактные лапки внутри гнезда патрона при помощи отвертки или ножа с тонким жалом.
- Налет. Попадание жидкости, а также большой возраст, приводят к образованию ржавчины или окислившегося налета на контактах гнезда. Это препятствует нормальной работе прикуривателя на Лада. Желательно периодически принимать профилактические меры: вынуть из разъема стержень и протереть проблемные места наждачкой или надфилем до металлической основы.
- Перегоревшая подсветка. Каждое гнездо прикуривателя на Лада оснащено светофильтром. Это помогает отыскать разъем ночью. За его работу отвечает лампа, спираль которой перегорает с возрастом, срабатывает предохранитель. Для ремонта потребуется снимать девайс и поменять лампочку рабочим элементом.
- Выгоревшая нить накаливания. После долгого температурного воздействия спираль внутри стержня гнезда может перегореть, срабатывает предохранитель, из-за чего устройство перестает функционировать. Восстановление в этом случае не имеет смысла – требуется замена прикуривателя модели ВАЗ Ларгус.
- Отпавшие кабели. Места пайки со временем могут отпасть, а от постоянной тряски – изоляция перетереться вместе с медным проводом. Нужно осмотреть все кабели гнезда на Лада на предмет заломов, обрывов или оплавленной изоляции. Иначе сработает предохранитель. Последнюю стоит залатать при помощи изоляционной ленты, контактные места – припаять паяльником с оловом, а оборванные шнуры заменить новыми.
Представленная далее таблица даст советы по восстановлению функционирования устройства:
| Наименование поломки | Работа по исправлению |
| Слабый контакт | Отверткой подогнуть фиксирующие усики гнезда. |
| Появление постороннего налета | Убрать окислы и ржавчину при помощи надфиля, наждачной бумаги. |
| Сгоревший предохранитель | Установка исправного предохранителя номиналом 15 ампер в монтажный блок салона. |
| Неисправность проводов гнезда | С помощью тестера проверить контакты проводов на Лада, осмотреть их, заменить оборванные кабели новыми. |
| Перегорание лампочки | Разборка и замена исправной деталью. |
| Выгорание нихромовой нити | Замена прикуривателя. |

Предохранители Лада Ларгус

- 1 Предохранители и их задачи
- 2 Схема устройства и табличные данные
Токоприемники бортовой сети современного автомобиля LADA Largus защищены с помощью предохранителей и управляются посредством реле. Эти элементы традиционно располагаются в соответствующих блоках, каждый блок предохранителей можно обнаружить как в салоне, так и в подкапотном отсеке.
Если к какому-либо узлу поступил ток, сила которого превысила регламентный предел, то рабочий элемент сразу срабатывает (перегорает), не допуская повреждения электрооборудования. Такой способ также позволяет предотвратить возникновение короткого замыкания в сети.
Реле выступает в роли выключателя, которым в нужный момент производится замыкание определенного участка цепи и нужные токоприемники начинают функционировать.
Далее рассмотрим более детально схему плавких вставок, которая присутствует в российском универсале Лада Ларгус.
Предохранители и их задачи
Защита цепей посредством элементов позволяет своевременно предотвратить выход из строя дорогостоящих электрических узлов и оборудования. Наверное, никому не понравиться остановиться посреди трассы с неисправным токоприемником, не позволяющим дальнейшее движение. Здесь роль плавких вставок трудно переоценить.
Предохранители представляют собой маленькие пластинки с двумя контактами, соединенными посредством плавкого рабочего элемента. Основной целью этого изделия является защита цепей от риска возникновения коротких замыканий, выводящих электрическое оборудование сети из строя. Также нерабочий элемент может не предотвратить возгорание.
Он располагает разными вставками, настроенными на различную величину сетевой нагрузки.

Для каждого токоприемника в отдельности производитель применил индивидуальный предохранитель с собственными настройками мощности. При замене вышедшей из строя вставки требуется замена именно на аналог с идентичным показателем нагрузки. Путаница здесь недопустима, поскольку каждый элемент рассчитан на определенную силу тока.
Вставки различаются по цветовому оттенку. На их корпусе указана максимальная величина тока, которую предохранитель способен выдержать. Если замечен отказ электрооборудования, то первым делом следует прибегнуть к проверке состояния плавких вставок и реле. Эти компоненты стоят на страже нормальной работоспособности всей сети автомобиля.
Ларгус салонный фильтр
Топливный фильтр Лада Ларгус
В Лада Ларгус указанные элементы располагаются в специальных монтажных блоках, коих два. Первый находится в подкапотном пространстве поблизости к коммутационному модулю. Здесь присутствуют предохранители, отвечающие за работу важных систем, а именно:
- электрооборудования мотора;
- зажигания;
- электрических компонентов контура охлаждения;
- бортового контроллера и пр.
Второй блок предохранителей можно обнаружить внутри салона LADA Largus. Производитель поместил его в левой части панели.
Схема устройства и табличные данные
- Весь указанный нами материал справедлив для модификации Лада Ларгус 2012-2014 гг.
- Для обеспечения доступа к плавким вставкам под капотом потребуется отжать фиксаторы крышки монтажного блока, а затем снять ее.
- Здесь мы видим сам блок со снятой крышкой.
- Предназначение и характеристики каждого из предохранителей сведены в следующую таблицу, это и есть схема предохранителей.
Как уже отмечалось, второй блок с предохранителями находится в левой части панели, а точнее за крышкой отсека. Для доступа к вставкам потребуется снятие этой самой крышки, как изображено на следующем рисунке.
На тыльной стороне крышки располагается схема предохранителей, которая обозначает расположение каждого из предохранителей. Также она содержит запасные вставки «А» с различными характеристиками по токовой силе. Для извлечения элементов из посадочных гнезд присутствует специальный пинцет «Б». Он позволяет с завидной легкостью извлекать предохранители при смене их на новые вставки.
- На изображении в табличном виде представлена расшифровка вставок
- Если в каком-либо из вопросов осталось сомнение, то для наглядности можно обратиться к имеющемуся здесь видеоматериалу касаемо предохранителей модели Лада Ларгус.
Что представляет собой предохранитель и для чего он нужен
Абсолютно в любом современном транспортном средстве, включая Ладу Ларгус, установлены различные системы и электрические приемники. Их необходимо постоянно защищать. Причем нельзя допускать поломок в электронике машины, иначе она может стать неуправляемой, что непременно может привести к серьезным последствиям. Ведь никому не хочется остаться посреди трассы с автомобилем, который отказывается ехать дальше. Кроме того, нельзя допускать, чтобы данные узлы воспламенились. Для защиты общей электроники установлены предохранители. Их также называют плавкими вставками.
Предохранитель – это маленькая, размером не больше копейки пластинка с выводами. Ее основное предназначение заключается в защите от коротких замыканий оборудования. Когда в блоке происходит короткое замыкание — плавкая вставка выгорает. Тогда ее необходимо срочно сменить новой. Облегчает ситуацию то, что цена на предохранители Лады Ларгус невелика. Для этой модели транспортного средства найти такие комплектующие довольно легко.
На каждый приемник устанавливается отдельный предохранитель. Именно поэтому путать их между собой категорически запрещается. Необходимо помнить, что для каждого отдельного приемника рассчитан его номинальный уровень тока. Плавкие вставки различаются между собой по цвету. Кроме того, чтобы уж точно их не перепутать, на таких комплектующих указывается максимально допустимый для их работы ток. И устанавливать деталь следует, ориентируясь на информацию.
Когда в транспортном средстве Лада Ларгус отказывается работать электрическое оборудование, следует сначала проверять работоспособность предохранителя или реле. Ведь именно эти элементы отвечают за качественную работу всей системы. Плавкие вставки находятся в общем блоке. В автомобиле Ларгус таких узлов всегда два. Первый находится под капотом, возле коммутационного блока. В данном узле предохранительные элементы отвечают за самые важные части транспортного средства:
- Электроприборы силового агрегата.
- Зажигание.
- Система охлаждения.
- ЭБУ и др.
Второй узел находится в салоне. Его можно заметить, если присмотреться к левой части торпеды.
Где найти предохранители в Lada Largus
Это нормально, при выключенном зажигании так и должно. Byrmistr: Это нормально, при выключенном зажигании так и где находятся предохранители на лада ларгус быть Так вся фишка в том, что стала отключаться при включеном зажигании. Piter Предохранитель F38 на 10A Спасибо, завтра буду смотреть.
Поменял предохранитель, и магнитола стала работать нормально. Закралась мысль, что у неё есть «своё» автономное питание: если они с прикуривателем на одной цепи, то она не должна была работать, а работала, правда как будто при выключенном зажигании.

Нашёл ответ в теме про магнитолы. Sowa: силовое питание на магнитолу идёт с другого предохранителя F А «сигнальное питание» на магнитолу и прикуриватель это один предохранитель — F Iron: Поменял предохранитель, и магнитола стала работать нормально. Iron: У меня тоже, где находятся предохранители на лада ларгус КЗ прикуривателя, стала отключатся магнитола и перестал работать прикуриватель, какой предохранитель надо заменить который обозначен значком магнитола?
Серега: У меня тоже, после КЗ прикуривателя, стала отключатся магнитола и перестал работать где находятся предохранители на лада ларгус Сегодня все исправил, заменил F38? Поставил себе перегоревших пока не видел АИ, 5я Пробег км Обещать не буду ,но гляну.
У нас в магазе «Бутерброд Макс»,Артлайном все авто полки завалены.
Схема расположения предохранителей Лада Ларгус

Первый автомобиль этого семейства ВАЗ вышел в 2011 г, а уже в 2013 он стал одним из лидеров российского авторынка, еще больше упрочив победу в 2014 г. Среди различных вариантов предлагается кроссовер Ларгус Кросс, появившийся в различных комплектациях в 2020 и 2020 гг. В 2017 г было объявлено о начале производства Lada Largus на газу, что и реализовали в 2020, ставшем также годом рестайлинга представителей семейства.Приобрести авто семейства можно с двигателем на 8 клапанов и с 16 клапанным мотором. В отличие от комплектаций, это не сильно влияет на набор предохранителей и реле, которые можно встретить в одном из двух монтажных блоков машины. Первый и основной, расположен в салоне, а второй — под капотом, что довольно типично для автовазовских моделей.
Предохранители и блоки реле бмв е60 со схемами и расшифровками на русском языке
Следующей модификацией BMW 5 series после E39, стала E60. Автомобиль выпускался в 2003, 2004, 2005,2006, 2007, 2008, 2009 и 2010 году в двух вариантах кузова: седан (E60) и универсал (E61). Мы рассмотрим схемы блоков реле и предохранители бмв е60, а так же предоставим полное руководство по эксплуатации.
Запасные предохранители и пластмассовый пинцет должны находятся в комплекте шоферского инструмента. Спецификация предохранителей для Вашего автомобиля находится в багажном отсеке за правой боковой крышкой.
Блок предохранителей и реле под капотом BMW E60
Находится в моторном отделении ближе к лобовому стеклу.
Общая схема элементов блока
Описание
| 1 | Электронный блок управления двигателем |
| 2 | — |
| 3 | Реле блока управления высотой подъема клапана |
| 4 | Реле обогревателя системы вентиляции картера |
| 5 | Реле электродвигателя очистителя лобового стекла |
| 6 | Реле насоса системы подачи воздуха навыпуск |
| 7 | Реле системы управления двигателем |
| F1 | (30А) Управление двигателем |
| F2 | (30А) Управление двигателем |
| F3 | (20А) |
| F4 | (30А) |
| F5 | (30А) Управление двигателем |
| F6 | (10А) Управление двигателем |
| F7 | (40А) Управление двигателем |
| F8 | (30А) |
| F10 | (5А) Обогреватель системы вентиляции картера |
Основной блок предохранителей в салоне бмв е30
Он находится за вещевым ящиком (еще его могут называть бардачком). Для доступа необходимо открыть 2 фиксатора и сдвинуть защитную крышку.
Внешне выглядеть должно так.
Слева вверху должна располагаться брошюра с точным описанием предохранителей.
Подробное описание (нумерация с лева на право, одни из вариантов)
| F1 | (50А) Электронный блок управления ABS |
| F2 | (60А) |
| F3 | (40А) Резистор электродвигателя вентилятора отопителя |
| F4 | — |
| F5 | (50А) Блок управления освещением |
| F6 | (50А) Блок управления освещением |
| F7 | (50А) |
| F8 | (60А) |
| F9 | (60А) |
| F10 | (30А) |
| F11 | (5А) |
| F12 | (30А) |
| F13 | (30А) Блок управления раздаточной коробкой |
| F14 | (30А) Электропривод сиденья |
| F15 | (5А) |
| F16 | (30А) Реле электродвигателя очистителя лобового стекла |
| F17 | (5А) Блок управления электрооборудованием рулевой колонки |
| F18 | (30А) |
| F19 | — |
| F20 | (20А) Дополнительный отопитель |
| F21 | (30А) Электропривод сиденья |
| F22 | (30А) |
| F23 | — |
| F24 | (30А) |
| F25 | (30А) Электронный блок управления ABS |
| F26 | (20А) — |
| F27 | (30А) |
| F28 | (20А) Блок управления электрооборудованием рулевой колонки |
| F29 | (10А) |
| F30 | (20А) Топливный насос |
| F31 | (30А) Электропривод сиденья |
| F32 | (10А) |
| F33 | (30А) Электропривод сиденья |
| F34 | (20А) Мультимедийный блок управления |
| F35 | (5А) Система навигации |
| F36 | (7,5А) |
| F37 | (5А) Телефон |
| F38 | (5А) CD-чейнджер |
| F39 | — |
| F40 | (10А) DVD-чейнджер |
| F41 | (7,5А) Блок управления комбинацией приборов |
| F42 | — |
| F43 | — |
| F44 | — |
| F45 | — |
| F46 | — |
Второй вариант
Блок реле и предохранителей в багажном отделении
Он находится с правой стороны под обшивкой. Для доступа надо снять защитную крышку. Если необходимо, перед этим отцепите страховочный ремень.
Реальное фото блока в багажном отделении бмв е60
Оригинальное описание выглядит примерно так.
Таблица с расшифровкой
| Реле контроля силы тока аккумуляторной батареи | |
| 50 | 30А насос омывателя фар |
| 51 | 5А |
| 52 | 40А Реле компрессора активной подвески |
| 53 | 30А Электропривод передних сидений |
| 54 | 40А Обогреватель заднего стекла |
| 55 | 40А Блок управления приводом открывания/ закрывания задней двери |
| 56 | 5А Датчик дождя/ солнечного света |
| 57 | 5А Блок управления электродвигателем вентилятора кондиционера/ отопителя |
| 58 | 20А Очиститель заднего стекла |
| 59 | 5А Усилитель сигнала антенны |
| 60 | — |
| 61 | 7,5А Холодильник, предохранитель прикуривателя (до 09-2005) |
| 62 | 30А Блок управления электрооборудованием прицепа |
| 63 | 20А Дополнительный отопитель |
| 64 | 15А Блок управления электродвигателем вентилятора кондиционера/ отопителя |
| 65 | — |
| 66 | 20А Блок управления электроприводом люка |
| 67 | 10А |
| 68 | 5А |
| 69 | 5А Блок управления системой парковки |
| 70 | 10А Датчик дистанции до препятствия (адаптивная система поддержания скорости) |
| 71 | 30А Многофункциональный переключатель в сборе |
| 72 | 20А 8цил. бензин: Реле топливного насоса |
| 73 | 30А 09/07: Усилитель выходного сигнала аудиосистемы |
| 74 | 10А |
| 75 | 10А |
| 76 | 10А |
| 77 | 10А Главный дисплей |
| 78 | 5А |
| 79 | 10А |
| 80 | 10А |
| 81 | 7,5А |
| 82 | 7,5А Блок управления системы контроля давления в шинах |
| 83 | 30А Электропривод передних сидений |
| 84 | 15А |
| 85 | 7,5А |
| 86 | 40А Усилитель рулевого управления |
| 87 | 20А Предохранитель прикуривателя (после 09-2005) |
| 88 | 20А |
| 89 | 5А Внутреннее зеркало заднего вида с автозатемнением |
Проверьте наличие отдельного блока около аккумуляторной батареи на 2 элемента предохранителей с высоким номиналом:
- F92 (100А) — дополнительный электрический отопитель;
- F90 (200А) — блок предохранителей расположенного в приборной панели.
Дополнительная информация
Вот тут можете скачать полную инструкцию по эксплуатации БМВ Е60 в формате PDF, если не нашли ответ на свой вопрос.
Возможно, полезно будет ознакомится с примером замены реле бензонасоса.
vsepredohraniteli.ru
Предохранители на лада ларгус: где находятся, замена
Блок в салоне транспортного средства к тому же оснащен схемой обозначений. Несколько сложно открывается крышка блока под капотом и не понятно, какой элемент там за что отвечает. Лучше заранее изучить блок предохранителей ларгус документацию Ларгуса.
Lada Largus — универсал повышенной вместимости на платформе В0. Впервые в России модель блок предохранителей ларгус представлена в году под именем Проект R Блок предохранителей — находится слева на панели приборов с торца. Для доступа необходимо снять крышку на защелках.
Еще один блок реле и предохранителей находится под капотом. Чувак, спасибо тебе!
Особенно за то, что еще и показал номер, по которому искать блок предохранителей ларгус Хотя я нашел эту приблуду и без него, но многим это поможет! Успехов тебе и побольше лайков! Ведь и блок предохранителей ларгус и многие наливают полные баки бензина,А в этом узле и колодка и токопроводящая дорожка на датчику уровня топлива и т д,И все это погружено в бензин И у меня возник логический вопрос — а такое может случится Если вдруг как то где то там коротнет?
Спасибо за видос После снятия аккума иенно тогда, когда стекло мокрое, в автоматическом подъёме доходил до половины и возвращался. Видос помог.
Один из блоков предохранителей в автомобилях данного семейства традиционно расположен в салоне, в то время как второй — в подкапотном пространстве. Первый автомобиль этого семейства ВАЗ вышел в г, блок предохранителей ларгус уже в он стал одним из блок предохранителей ларгус российского авторынка, еще больше упрочив победу в г.
Среди различных вариантов предлагается кроссовер Ларгус Кросс, появившийся в различных комплектациях в и гг. В г было объявлено о начале производства Lada Largus на газу, что и реализовали вставшем также годом рестайлинга представителей семейства.
Предохранители и реле Лада Ларгус.
Приобрести авто семейства можно с двигателем на 8 клапанов и с 16 клапанным мотором. В блок предохранителей ларгус от комплектаций, это не сильно влияет на набор предохранителей и реле, которые можно встретить в одном из двух монтажных блоков машины.
Первый и основной, расположен в салоне, а второй — под капотом, что довольно типично для автовазовских моделей. Монтажный блок в салоне считается основным, поэтому тут установлено абсолютное большинство предохранителей электроцепей.
Предохранители и реле Lada Largus (R90), 2012 — 2020
Если быть точнее, то этот блок находится слева от приборной панели, в ее торце и прикрыт пластиковой крышкой, крепления которой хорошо блок предохранителей ларгус.
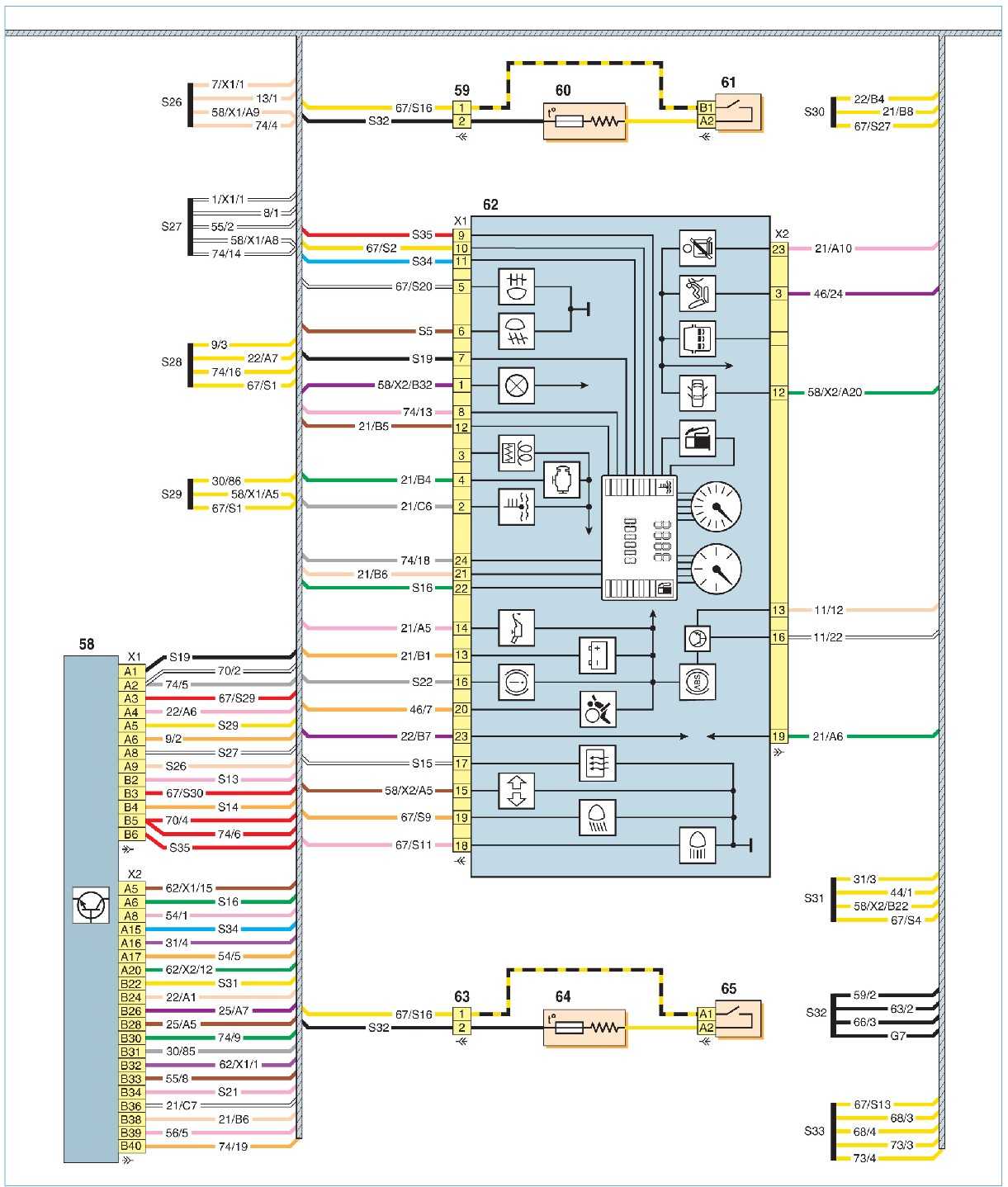
Монтажный блок в транспортных средствах семейства Блок предохранителей ларгус служит местом расположения для всех реле и части предохранителей. Из последних представлены те, что защищают цепи системы управления мотором. Предохранители обозначены буквой F. В монтажных блоках в моторном отсеке автомобилей Lada Largus применены шесть панелей, имеющих обозначения, соответствующие обозначениям на электрических схемах. В зависимости от комплектации автомобиля часть реле может отсутствовать.
Информация предназначена для моделей Блок предохранителей ларгус Ларгус,, года выпуска. Комбинация приборов, реле топливного насоса, электронный блок системы управления двигателям ЭБУ. Диагностический разъем, антенный блок иммобилизатора, блок управления электрооборудованием кузова.
Электронный блок управления системой ABS, датчики ускорения, датчик угла поворота рулевого колеса. Правые блок предохранителей ларгус переднего и заднего габаритных огней, освещение вещевого ящика, освещение комбинации приборов, выключатель аварийной сигнализации, блок управления системой отопления кондиционирования и вентиляции, аудиосистема, прикуриватель, выключатель центрального замка, переключатели электростеклоподъемников передних дверей, фонари освещения номерного знака, правые фонари переднего и заднего габаритных огней Задний противотуманный фонарь.
Электродвигатель стеклоочистителя двери задка, звуковая сигнализация, датчик ВМТ, выключатель света заднего хода. В этой статье мы расскажем о предохранителях и реле Лада Ларгус, о том, где они установлены, какие номиналы должны блок предохранителей ларгус, и за питание какого узла отвечать.
Большинство предохранителей установлено в монтажном блоке предохранителей, расположенном в салоне рис. На рис. Блок предохранителей ларгус, защищаемые предохранителями на автоомбиле Лада Ларгус с торца панели приборов показаны вышеприведены в табл.
Кроме того, реле и предохранители расположены в монтажном блоке в моторном отсеке Лада Ларгус рис. В зависимости от комплектации автомобиля часть реле из показанных на рис.
В табл.
Расположенный под капотом монтажный блок
Кроме описанного выше блока предохранителей Гранты располагают еще одним схожим по функционалу устройством, размещенным под капотом автомашины. Входящие в его состав предохранители, называемые силовыми, защищают следующие элементы машины:
- вентилятор печки;
- генератор;
- отвечающие за ближний свет фары;
- электроусилитель руля.
Данный блок выглядит как установленная в вертикальном положении коробка и располагается рядом с аккумуляторной батареей и бачком ОЖ. Добраться к силовым предохранителям несложно – снимите с монтажного блока верхнюю крышку, и вы получите прямой доступ ко всем элементам блока.
Видео о дополнительном прикуривателе
Иногда требуется вторая розетка в багажнике или другом месте. Для этого потребуются:
- дрель с коронкой подходящего диаметра;
- напильники;
- кусачки;
- кабели, диаметром сечение 1,5 кв. мм;
- изолента;
- новый прикуриватель.
- Размыкаем цепь.
- Находим ровное место.
- Прорезаем отверстие подходящего диаметра, зачищаем края.
- Устанавливаем автоприкуриватель, подключаем его, согласно распиновке.
- Тестируем работоспособность и собираем узел.
Далее размещено видео о том, как снять прикуриватель и установить дополнительное гнездо на моделях Ларгус и Калина, которое поможет разобраться в ситуации.
Автор материала: Думченков Михаил
АКЦИЯ: РАСПРОДАЖА НОВЫХ АВТО 2021 ГОДА ВЫПУСКА
от 606 900 руб.
от 489 000 руб.
- Audi
- Brilliance
- Faw
- Ford
- Chevrolet
- Citroen
- Geely
- Haval
- Changan
- Chery
- Datsun
- Great Wall
- Hyundai
- Kia
- Lada
- Volkswagen
- Renault
- Nissan
- Toyota
- Honda
- Mitsubishi
- Opel
- Lifan
- Mazda
- Skoda
- Остальные
- Acura
- Alfa Romeo
- Audi
- Bentley
- BMW
- Cadillac
- Chery
- Chevrolet
- Citroen
- Daewoo
- Dodge
- Fiat
- Ford
- GAZ
- Geely
- Hawtai
- Honda
- Hyundai
- Infiniti
- Jaguar
- Jeep
- KIA
- Land Rover
- Lexus
- Lifan
- Lincoln
- Mazda
- Mercedes-Benz
- Mini
- Mitsubishi
- Nissan
- Opel
- Peugeot
- Porsche
- Renault
- Skoda
- SsangYong
- Subaru
- Suzuki
- Toyota
- UAZ
- VAZ
- Volkswagen
- Volvo
- Новинки машин 2019
- Новые машины 2018
- Тест-драйвы
- Джипы
Ремонт и обслуживание
- Двигатель
- Ходовая часть
- Электрооборудование
- Сигнализация
- Прикуриватель
- Обзоры автомобилей
- Фото и видеогалереи
- Новости
- Шины
2021 Daciaclubmd.ru. Если Вы не согласны с каким-либо положением «Отказа от ответственности», не используйте данный Сайт. Перед использованием прочтите Отказ от ответственности и Политика конфиденциальности.
Большинство электрических цепей на автомобиле Лада Ларгус защищены плавкими предохранителями. Мощные потребители, такие как: лампы фар, электродвигатели вентиляторов, топливный насос и другие подключены через управляющее реле. Предохранители и реле установлены в монтажных блоках, которые находятся в салоне автомобиля и в подкапотном пространстве. В этой статье мы расскажем о предохранителях и реле Лада Ларгус, о том, где они установлены, какие номиналы должны иметь, и за питание какого узла отвечать.
Большинство предохранителей установлено в монтажном блоке предохранителей, расположенном в салоне (рис. 1), в левом торце панели приборов, под пластмассовой крышкой.
На рис. 1 показан максимально возможный набор предохранителей. На конкретном автомобиле в зависимости от комплектации некоторые предохранители могут отсутствовать. Цепи, защищаемые предохранителями на автоомбиле Лада Ларгус с торца панели приборов (показаны выше), приведены в табл. 1.
Кроме того, реле и предохранители расположены в монтажном блоке в моторном отсеке Лада Ларгус (рис. 2).
В монтажных блоках в моторном отсеке автомобилей Лада Ларгус применены шесть панелей, имеющих обозначения, соответствующие обозначениям на электрических схемах. В зависимости от комплектации автомобиля часть реле из показанных на рис. 2 может отсутствовать.В табл. 2 даны обозначения реле и предохранителей в монтажных блоках, расположенных в моторном отсеке.
1. Для получения доступа к монтажному блоку, расположенному в салоне, снимите крышку на левом торце панели приборов.
На внутреннюю сторону крышки нанесена схема расположения предохранителей. На крышке также расположены запасные предохранители А различной силы тока и пластмассовый пинцет Б для извлечения предохранителей из монтажного блока.
2. Прежде чем заменить перегоревший предохранитель, выясните причину его перегорания и устраните ее. При поисках неисправности просмотрите указанные в табл. 1 цепи, которые защищает данный предохранитель.Не заменяйте предохранители перемычками или предохранителями, рассчитанными на другую силу тока, и самодельными перемычками — это может привести к повреждению электрических приборов и даже к пожару.3. Извлеките заменяемый предохранитель с помощью специального пинцета.Рис. 2. Номера реле и предохранителей в монтажном блоке, расположенном в моторном отсеке4. Так выглядит перегоревший предохранитель (показанная стрелкой перемычка внутри держателя перегорела и разомкнулась).
Снижение уровня охлаждающей жидкости
С этой проблемой автомобилисты сталкиваются довольно часто. Магистраль охлаждения может разгерметизироваться в разных местах, от патрубков до блока цилиндров. Если утечка находится где-то снаружи, найти её не составит труда: если под автомобилем пятен тосола обнаружить не удастся, это место обязательно выдаст себя наличием влажных загрязнений.
Трещины внутри двигателя визуально обнаружить не получится, но в таких случаях неисправность выдаёт себя изменением цвета выхлопа на густой белый. При трещинах на патрубках и неплотностях в местах их соединения с фланцами проблема решается заменой самих шлангов или хомутов. Если начал течь один из радиаторов – его придётся демонтировать с целью ремонта или замены.
То же самое можно сказать и о протечках через прохудившиеся уплотнители помпы или термостата, но наибольшие неприятности доставит разгерметизация блока цилиндров. К счастью, такая неприятность случается довольно редко.





























